Operation CHARM: Car repair manuals for everyone.
Manuals through 2025 now available!

Our trusted friends have launched a new website named LEMON, which has newer manuals. It also contains all the CHARM manuals.

LEMON is the spiritual successor to CHARM, I recommend you try it!

Link: lemon-manuals.la or lemon-manuals.org.ua

(Some people have issue connecting. LEMON is investigating. For now, use Firefox or change your DNS server)

Or, hide this message: temporarily or permanently

Wiper System Testing

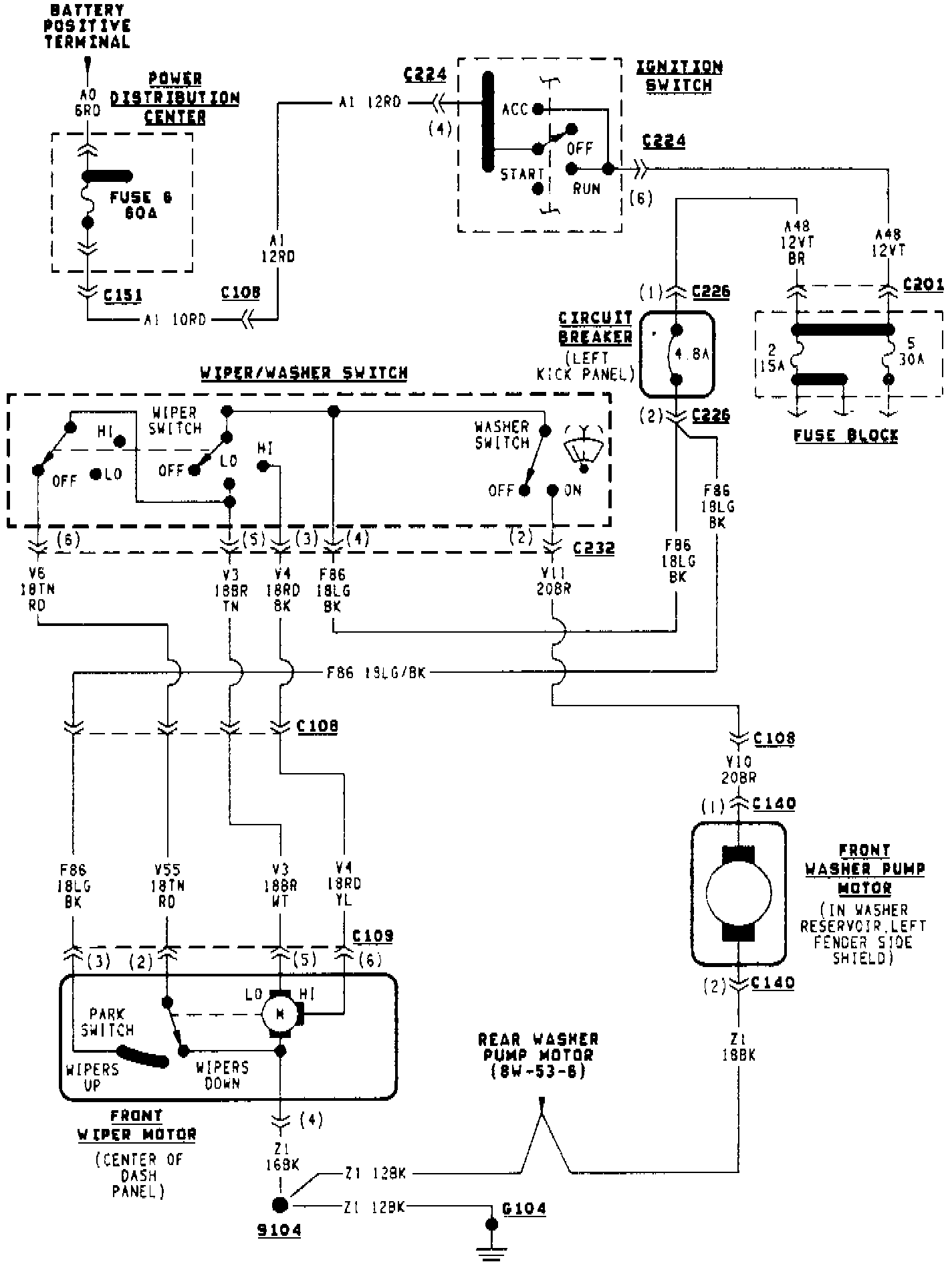
Fig 19 Front Standard Wiper System Diagram:





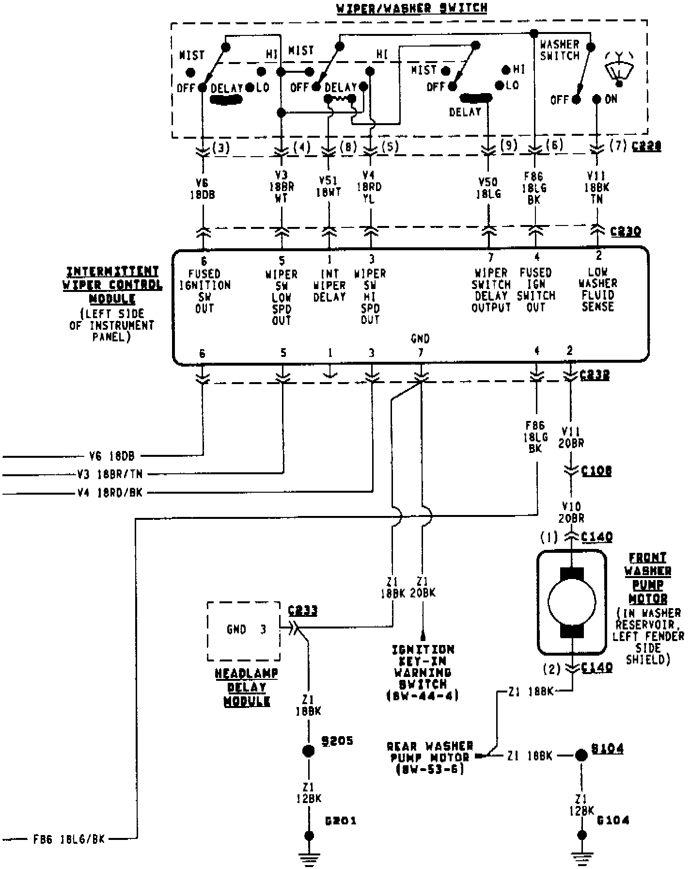
Fig 20 Front Intermittent Wiper System Wiring Diagram (Part 1 Of 2):





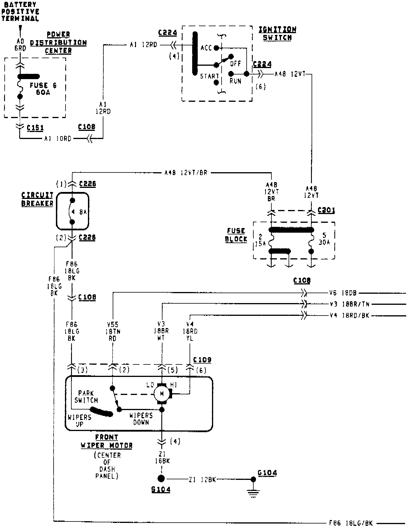
Fig 20 Front Wiper System Wiring Diagram (Part 2 Of 2):






1. Remove inline circuit breaker near fuse block, then turn ignition switch to Accessory position.
2. Measure voltage at battery side of circuit breaker. Battery voltage should be present. If not, repair wiring from ignition switch.
3. Measure resistance across circuit breaker terminals. Resistance should be 0 ohms. If not, replace circuit breaker.
4. Disconnect wiper motor connector from wiper switch connector or wiper motor connector from intermittent wiper module at base of steering column. Turn ignition to Accessory position.
5. Measure voltage at disconnected wiper motor connector terminal D. Battery voltage should be present. If not, repair wiring from circuit breaker.
6. Turn ignition switch to Off position, then measure resistance from disconnect wiper motor connector terminal G to ground. Resistance should be 0 ohms. If not, repair wiring to ground.
7. On models with intermittent wipers, proceed as follows:
a. Turn ignition switch to Accessory position and wiper switch to Low or High position.
b. Disconnect wiper switch connector from intermittent wiper module.
c. Connect both connectors that have been removed from wiper module into each other.
d. Test wiper operation in Low and High speed and test washer operation. If these modes were inoperative, but are now satisfactory, replace intermittent wiper module.
8. On all models, test wiper/washer switch as follows:
a. Turn ignition switch to Accessory position, then measure voltage at terminal E with wiper switch in Low, Mist and with washer switch depressed. Battery voltage should be present. If not, replace switch.
b. Measure voltage at connector terminal C with wiper switch in High. Battery voltage should be present. If not, replace switch.
c. With wiper switch in Low or High, measure voltage at connector terminal F, then move wiper switch to Off position. Battery voltage should be present until wipers park, then 0 volts should be present. If voltage is as specified, proceed to next step. If not, check wiring to wiper motor, then proceed to next step.
9. Test wiper motor as follows:
a. Turn ignition switch to Accessory position.
b. With wiper switch in any position, measure voltage at terminal B. Battery voltage should be present. If not, repair wiring from circuit breaker.
c. With wiper switch in Low position, measure voltage at terminal A. Battery voltage should be present. If voltage is as specified but wiper do not operate, replace wiper motor. If battery voltage is not present, repair wiring from switch or intermittent wiper module connector.
d. With wiper switch in High position, measure voltage at terminal H. Battery voltage should be present. If voltage is as specified but wiper do not operate, replace wiper motor. If battery voltage is not present, repair wiring from switch or intermittent wiper module connector.
e. Place wiper switch in Low or High position and connect voltmeter to terminal D. Turn wiper switch to Off position. Battery voltage should be present until wipers park, then 0 volts should be present. If battery voltage is present, but wipers fail to park or if battery voltage is not present, replace wiper motor.