Operation CHARM: Car repair manuals for everyone.
Manuals through 2025 now available!

Our trusted friends have launched a new website named LEMON, which has newer manuals. It also contains all the CHARM manuals.

LEMON is the spiritual successor to CHARM, I recommend you try it!

Link: lemon-manuals.la or lemon-manuals.org.ua

(Some people have issue connecting. LEMON is investigating. For now, use Firefox or change your DNS server)

Or, hide this message: temporarily or permanently

Condenser HVAC: Service and Repair

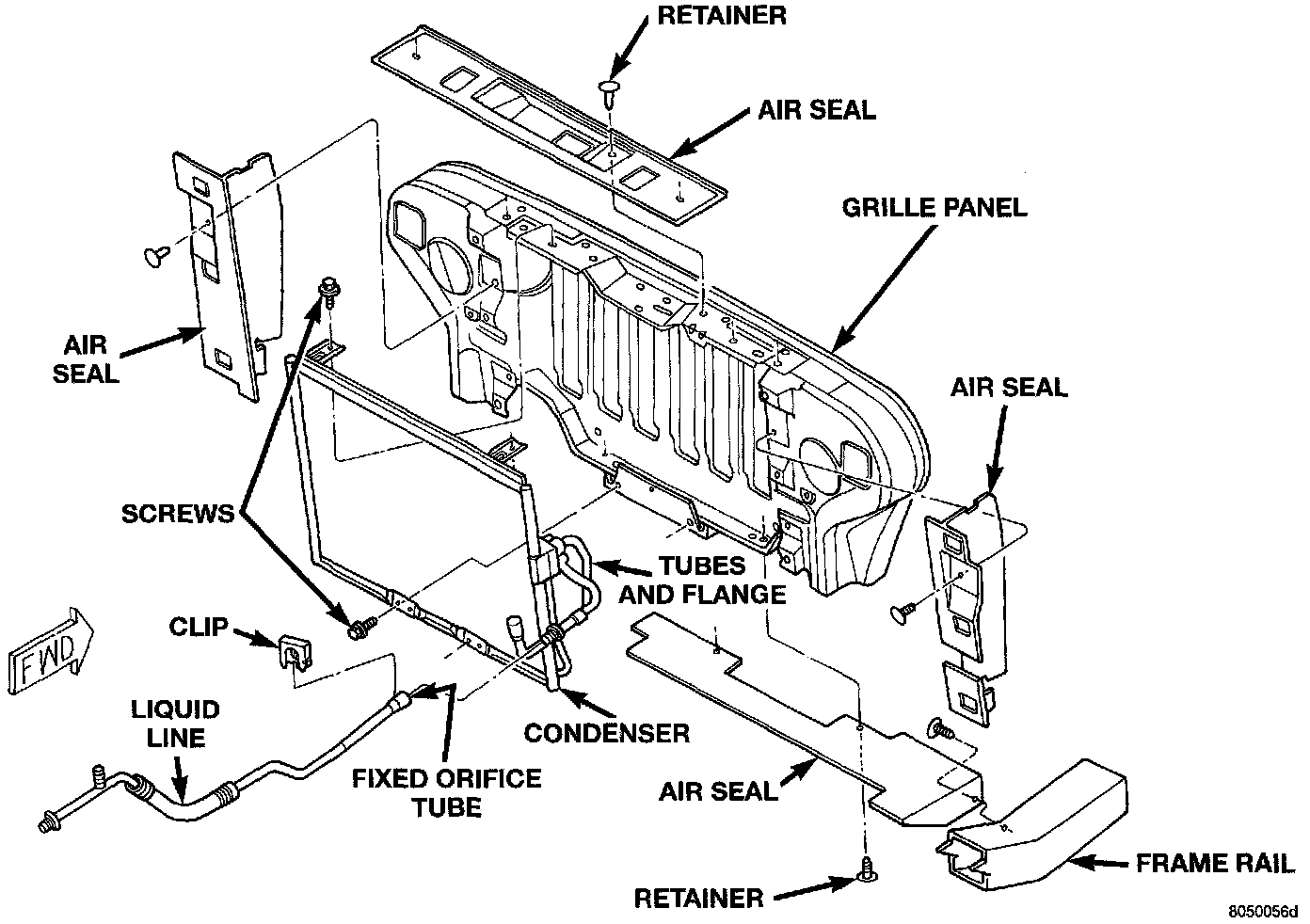
Fig 24 Condenser Replacement:






WARNING: Review all system WARNINGS and CAUTIONS before proceeding.

CAUTION: When removing the condenser note the locations of all of the radiator and condenser air seals. These seals are used to direct air through the condenser and radiator. They must be installed in their original locations to prevent engine overheating.

REMOVAL
1. Disconnect and isolate the battery negative cable.
2. Recover the refrigerant from the refrigerant system.
3. Remove the two retainers securing the upper condenser air seal to the grille panel and remove the air seal.
4. Remove the two screws securing the upper condenser mounting brackets to the grille panel.
5. Reach through the grille panel opening from the front of the vehicle to remove the two screws securing the condenser refrigerant tube and flange unit to the condenser. Install plugs in, or tape over, all of the open refrigerant fittings.
6. Remove the four retainers securing the lower condenser air seal to the frame rails and the grille panel and remove the air seal.
7. Remove the two screws securing the lower con- denser mounting bracket to the grille panel.
8. Remove the three screws on each side of the radiator securing the radiator mounting brackets to the grille panel.
9. Lift the radiator and shroud unit back towards the engine using care to prevent the cooling fan blades from damaging the radiator.
10. Carefully lift the condenser out of the vehicle.

INSTALLATION
1. Carefully position the condenser in the vehicle.
2. Install and tighten the two screws securing the upper condenser mounting brackets to the grille panel.
3. Align the holes of the radiator mounting brackets to the grille panel. Install and tighten the six screws securing the radiator and shroud unit to the grille panel.
4. Install the upper condenser air seal to the grille panel with two retainers.
5. Remove the tape or plugs from the refrigerant fittings. Reach through the grille opening to install the condenser tubes and flange to the condenser with two screws.
6. Install and tighten the two screws securing the lower condenser bracket to the grille panel.
7. Install the lower condenser air seal to the grille panel and the frame rails with four retainers.
8. Evacuate the refrigerant system.
9. Charge the refrigerant system.
10. Connect the battery negative cable.

NOTE: If the condenser is replaced, add 30 ml (1 oz) of refrigerant oil to the refrigerant system.