Operation CHARM: Car repair manuals for everyone.
Manuals through 2025 now available!

Our trusted friends have launched a new website named LEMON, which has newer manuals. It also contains all the CHARM manuals.

LEMON is the spiritual successor to CHARM, I recommend you try it!

Link: lemon-manuals.la or lemon-manuals.org.ua

(Some people have issue connecting. LEMON is investigating. For now, use Firefox or change your DNS server)

Or, hide this message: temporarily or permanently

LHD

8w-49-2:




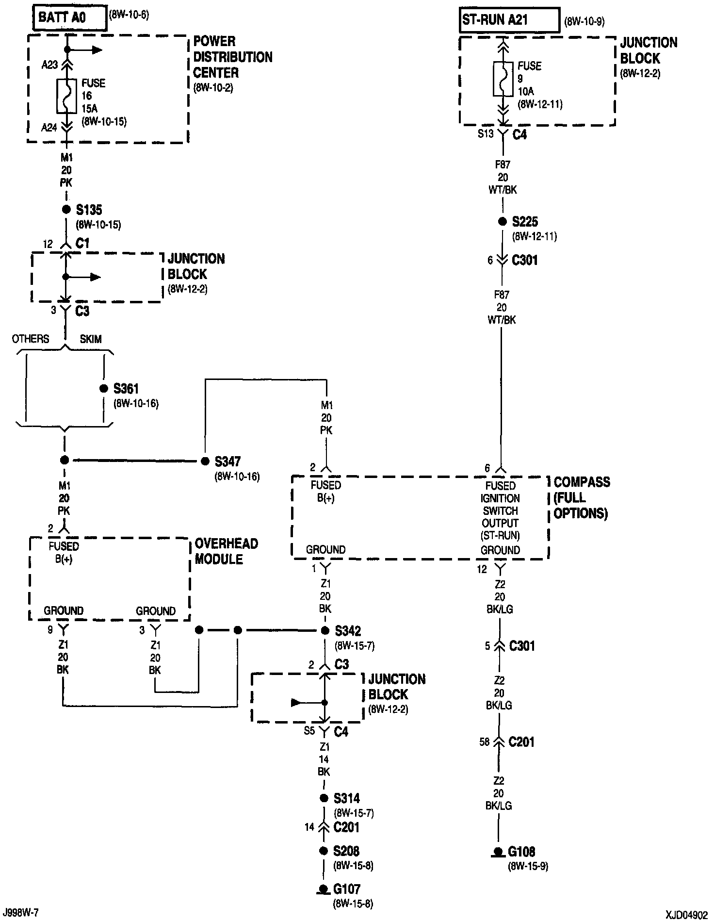
Compass
Fuse 9 (JB)
Fuse 16 (PDC)
G107
G108
Junction Block
Overhead Module
Power Distribution Center


8w-49-4:




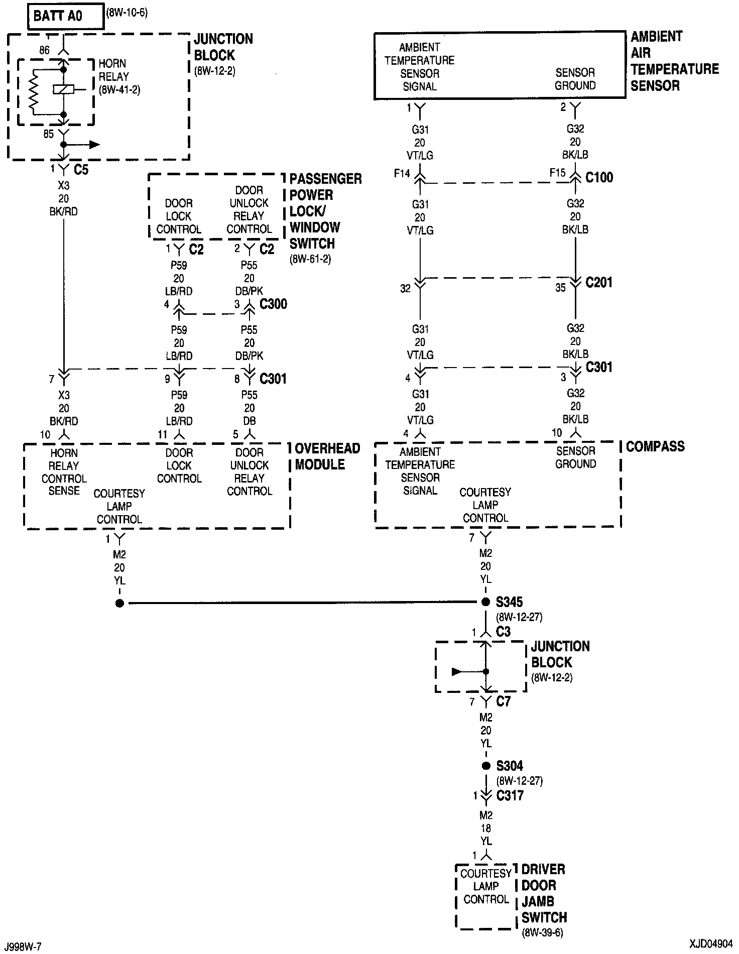
Ambient Air Temperature Sensor
Compass
Driver Door Jamb Switch
Horn Relay
Junction Block
Overhead Module
Passenger Power Lock/Window Switch


8w-49-6:




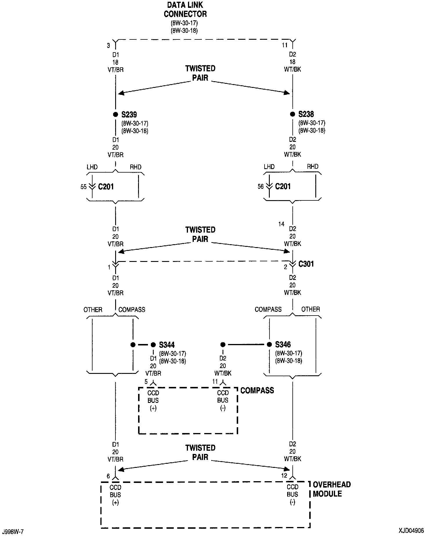
Compass
Data Link Connector
Overhead Module


NOTE: To view sheets referred to in these diagrams, see Complete Body and Chassis Diagrams.
Diagrams By Group Number