Operation CHARM: Car repair manuals for everyone.
Manuals through 2025 now available!

Our trusted friends have launched a new website named LEMON, which has newer manuals. It also contains all the CHARM manuals.

LEMON is the spiritual successor to CHARM, I recommend you try it!

Link: lemon-manuals.la or lemon-manuals.org.ua

(Some people have issue connecting. LEMON is investigating. For now, use Firefox or change your DNS server)

Or, hide this message: temporarily or permanently

Electrical Diagrams

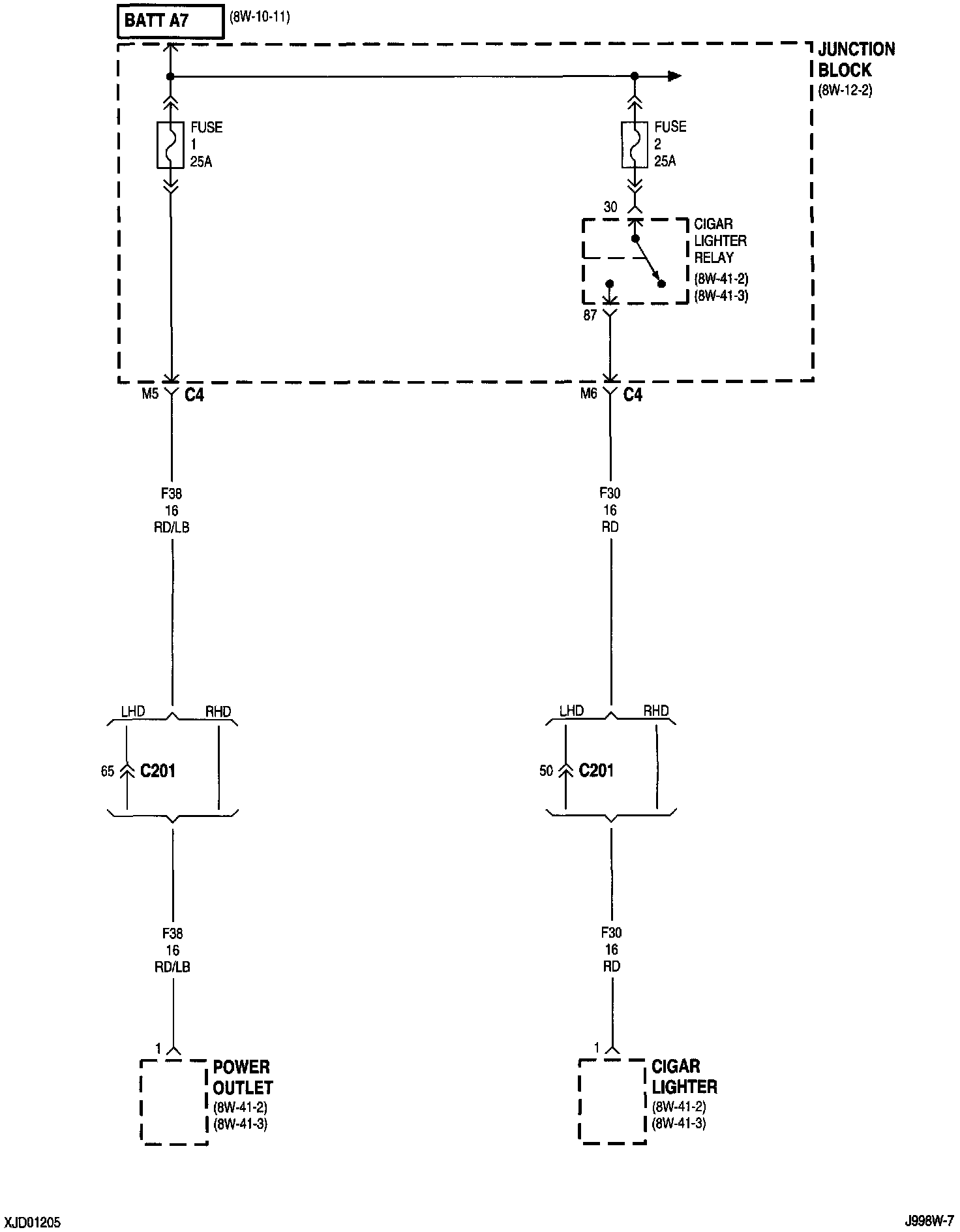
8w-12-5:




Cigar Lighter
Cigar Lighter Relay
Fuse 1 (JB)
Fuse 2 (JB)
Junction Block
Power Outlet


8w-12-6:




Fog Lamp Relay No. 1
Fuse 3 (JB)
Fuse 16 (JB)
Headlamp Beam Select Switch
Junction Block
Left Headlamp
Right Headlamp


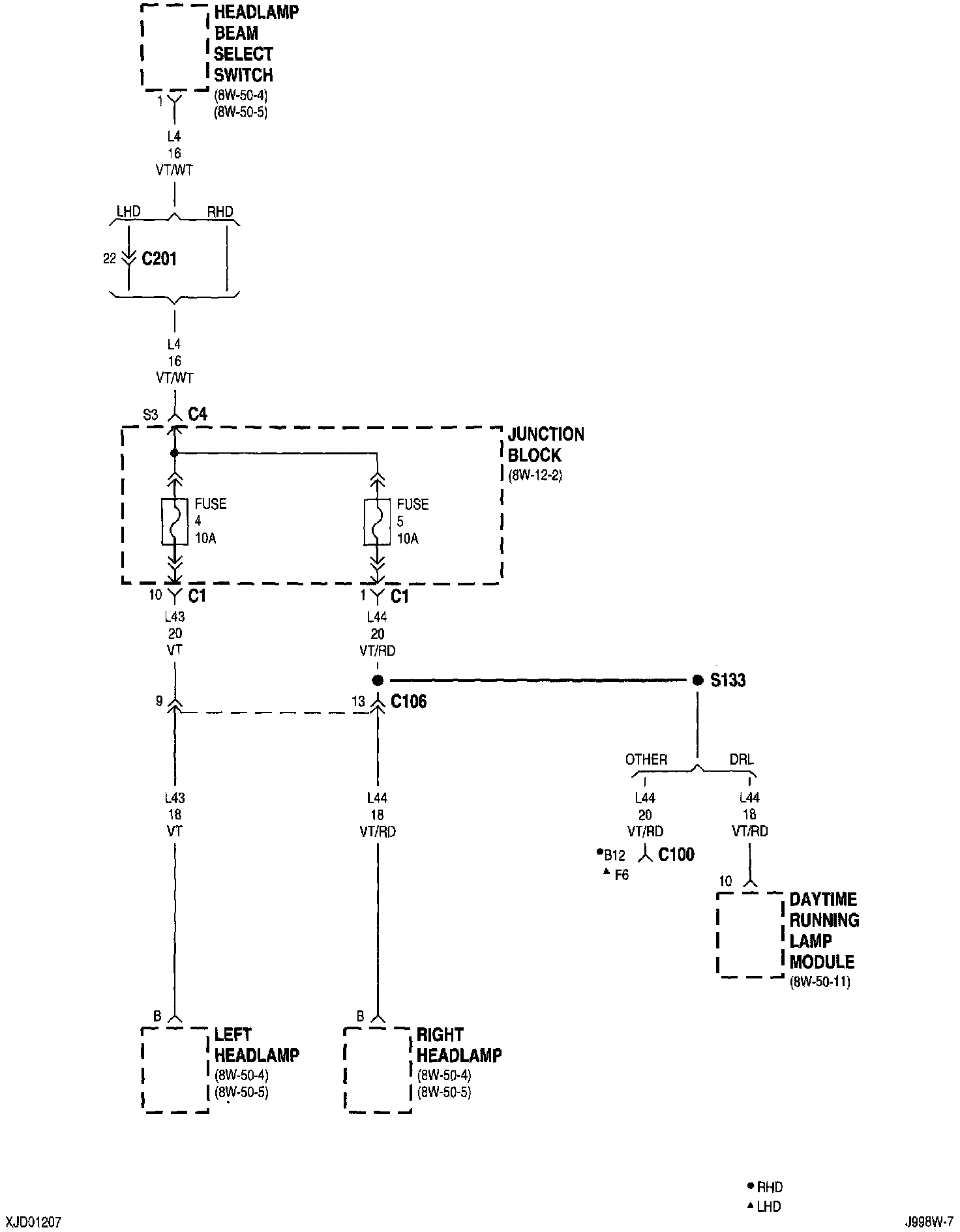
8w-12-7:




Daytime Running Lamp Module
Fuse 4 (JB)
Fuse 5 (JB)
Headlamp Beam Select Switch
Junction Block
Left Headlamp
Right Headlamp


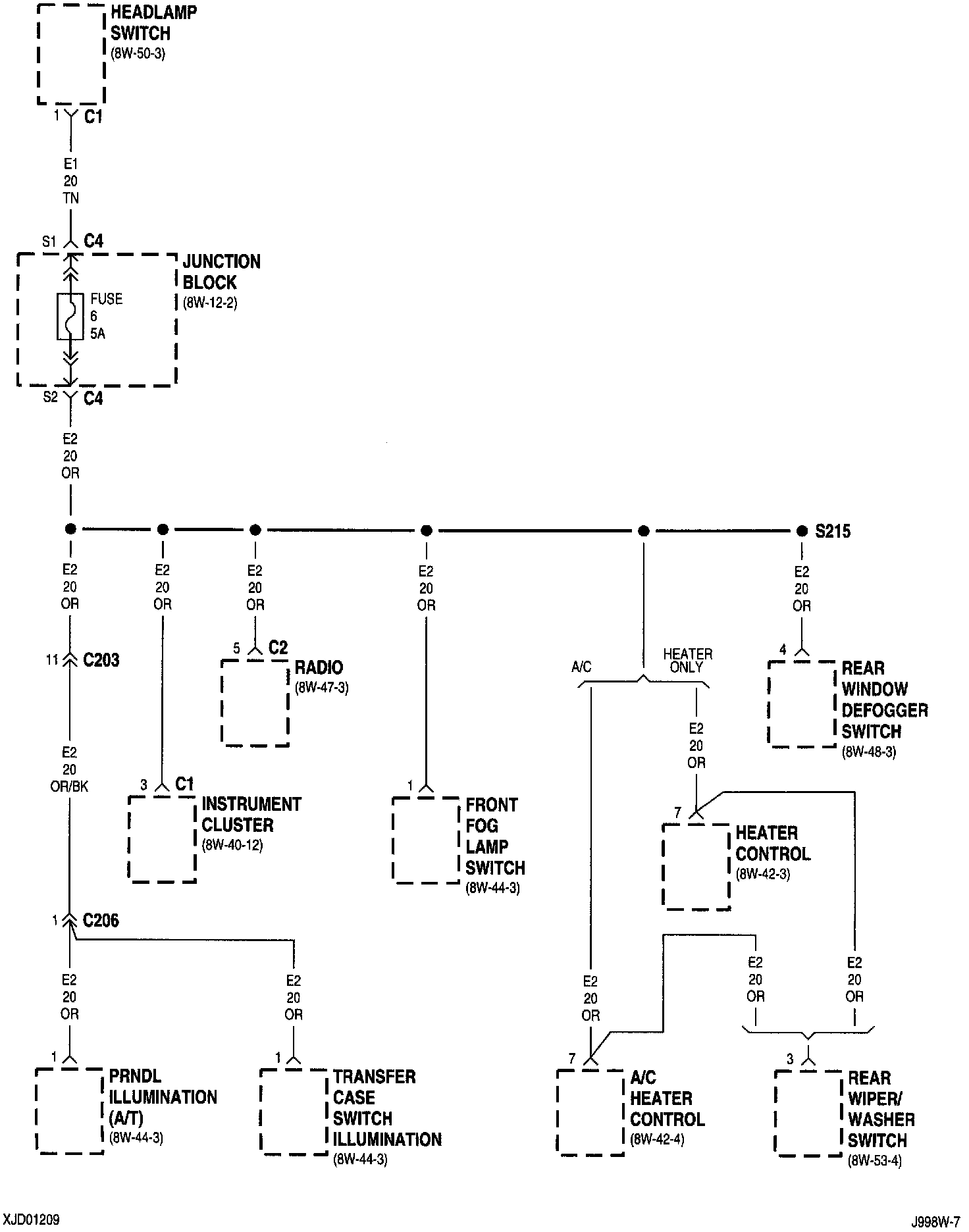
8w-12-8 (LHD):




A/C Heater Control
Extended Idle Switch
Front Fog Lamp Switch
Fuse 6 (JB)
Headlamp Switch
Heater Control
Instrument Cluster
Junction Block
PRNDL Illumination
Radio
Rear Window Defogger Switch
Rear Wiper/Washer Switch
Transfer Case Switch Illumination


8w-12-9 (RHD):




A/C Heater Control
Front Fog Lamp Switch
Fuse 6 (JB)
Headlamp Switch
Heater Control
Instrument Cluster
Junction Block
PRNDL Illumination
Radio
Rear Window Defogger Switch
Rear Wiper/Washer Switch
Transfer Case Switch Illumination


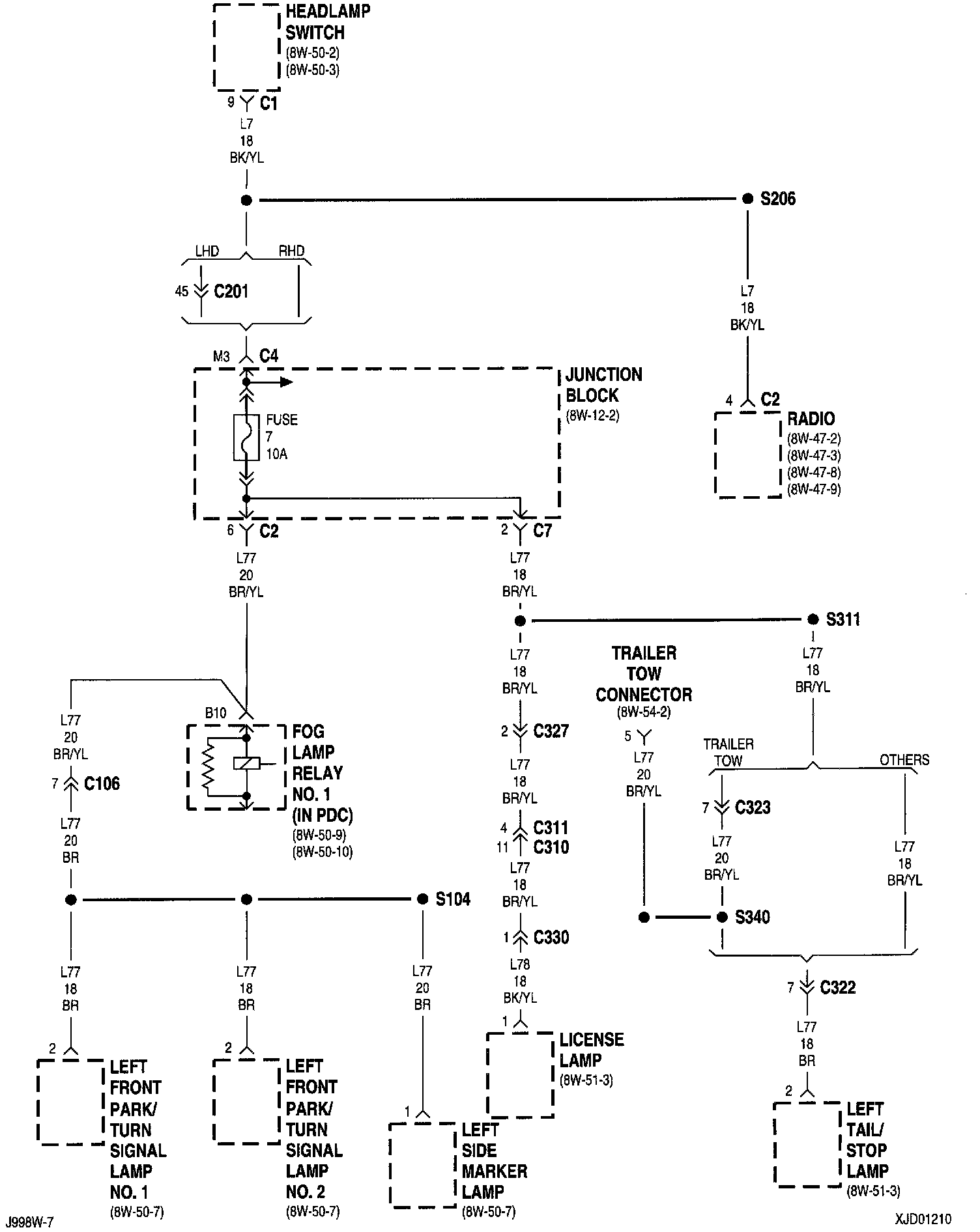
8w-12-10:




Fog Lamp Relay No. 1
Fuse 7 (JB)
Headlamp Switch
Junction Block
Left Front Park/Turn Signal Lamp No. 1
Left Front Park/Turn Signal Lamp No. 2
Left Side Marker Lamp
Left Tail/Stop Lamp
License Lamp
Radio
Trailer Tow Connector


8w-12-11 (LHD):




A/C Compressor Clutch Relay
Back-Up Lamp Switch
Compass
Daytime Running Lamp Module
Duty Cycle Evap/Purge Solenoid
Evap Leak Detection Pump
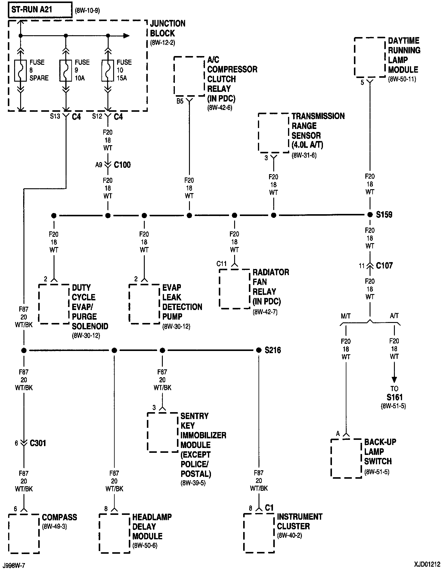
Fuse 8 (JB)
Fuse 9 (JB)
Fuse 10 (JB)
Headlamp Delay Module
Instrument Cluster
Junction Block
Radiator Fan Relay
Sentry Key Immobilizer Module
Transmission Range Sensor


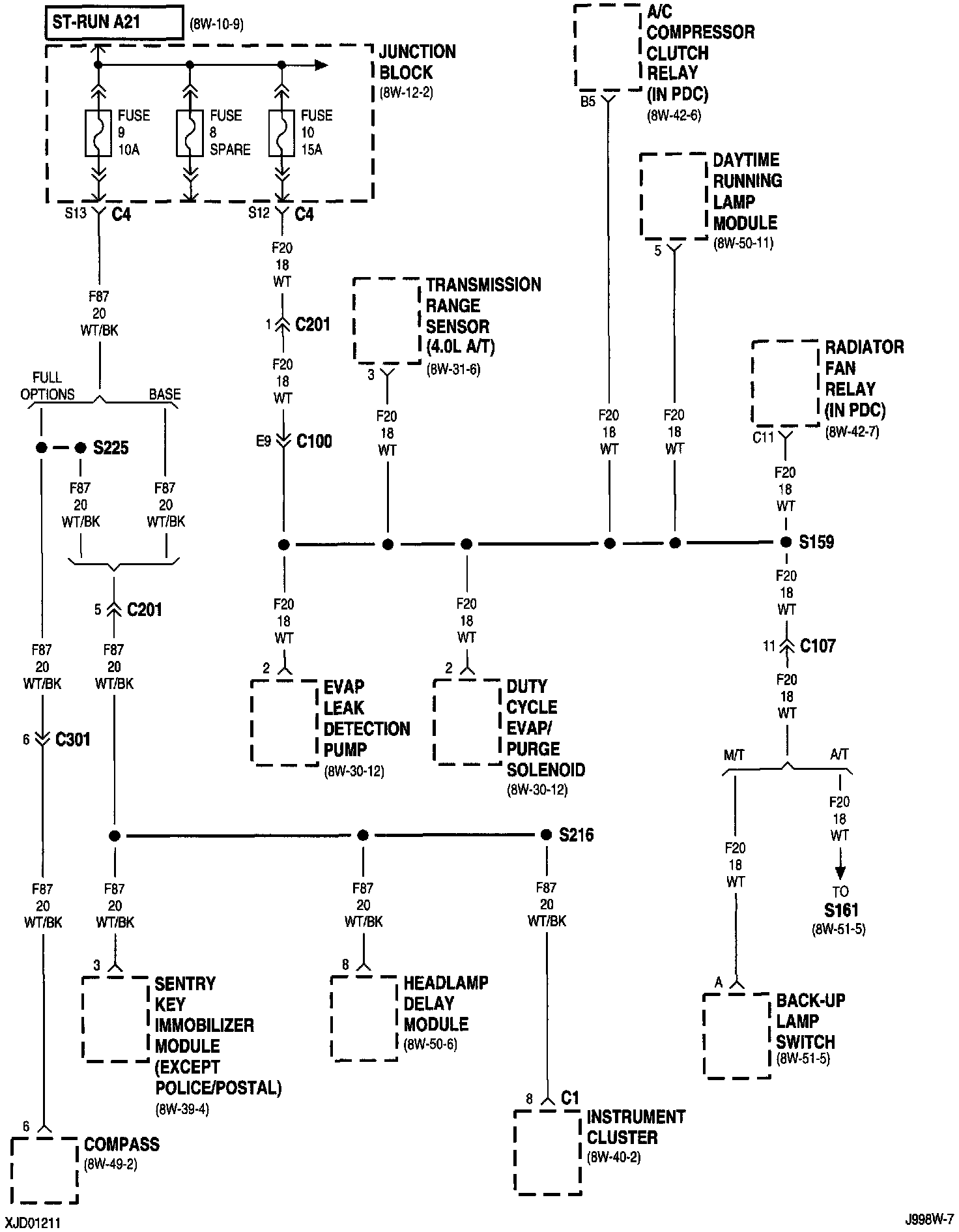
8w-12-12 (RHD):




A/C Compressor Clutch Relay
Back-Up Lamp Switch
Compass
Daytime Running Lamp Module
Duty Cycle Evap/Purge Solenoid
Evap Leak Detection Pump
Fuse 8 (JB)
Fuse 9 (JB)
Fuse 10 (JB)
Headlamp Delay Module
Instrument Cluster
Junction Block
Radiator Fan Relay
Sentry Key Immobilizer Module
Transmission Range Sensor


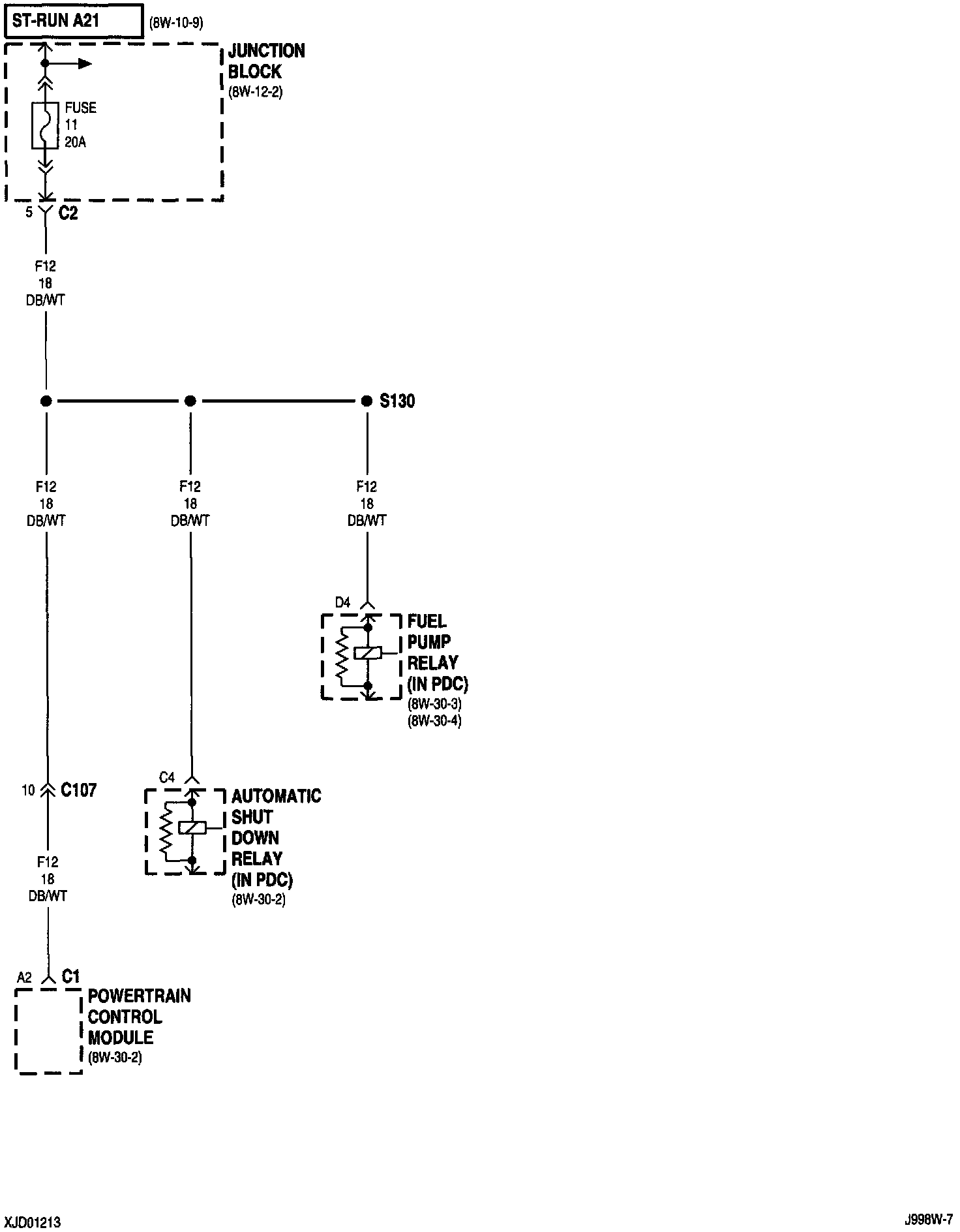
8w-12-13 (2.5L):




Automatic Shut Down Relay
Fuel Pump Relay
Fuse 11 (JB)
Junction Block
Powertrain Control Module


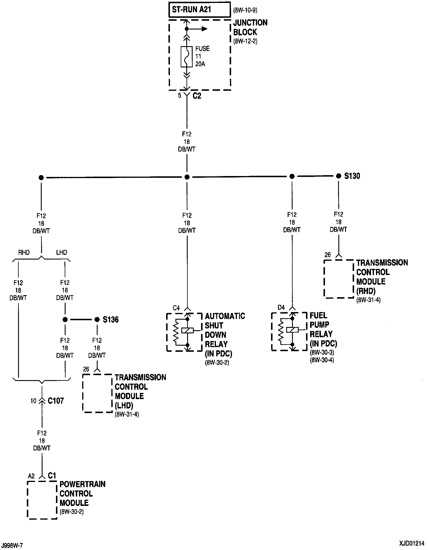
8w-12-14 (4.0L):




Automatic Shut Down Relay
Fuel Pump Relay
Fuse 11 (JB)
Junction Block
Powertrain Control Module
Transmission Control Module


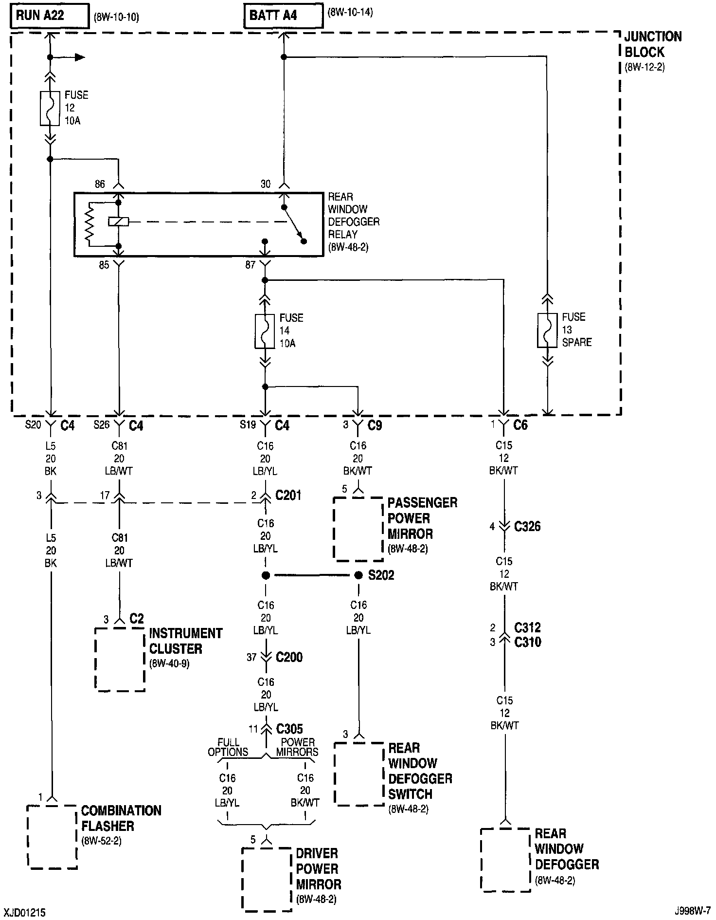
8w-12-15 (LHD):




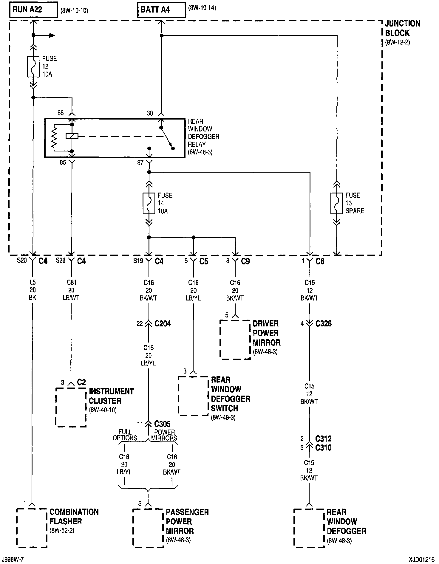
Combination Flasher
Driver Power Mirror
Fuse 12 (JB)
Fuse 13 (JB)
Fuse 14 (JB)
Instrument Cluster
Junction Block
Passenger Power Mirror
Rear Window Defogger
Rear Window Defogger Relay
Rear Window Defogger Switch


8w-12-16 (RHD):




Combination Flasher
Driver Power Mirror
Fuse 12 (JB)
Fuse 13 (JB)
Fuse 14 (JB)
Instrument Cluster
Junction Block
Passenger Power Mirror
Rear Window Defogger
Rear Window Defogger Relay
Rear Window Defogger Switch


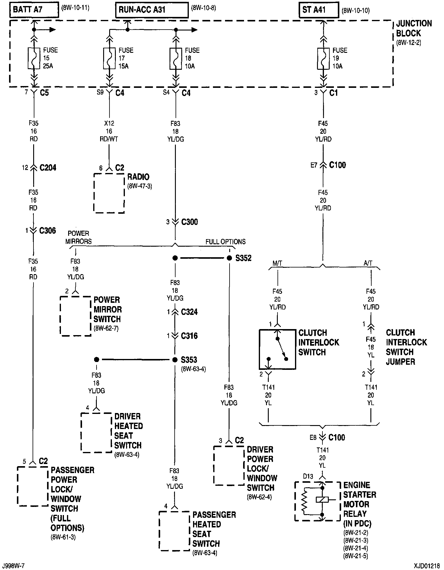
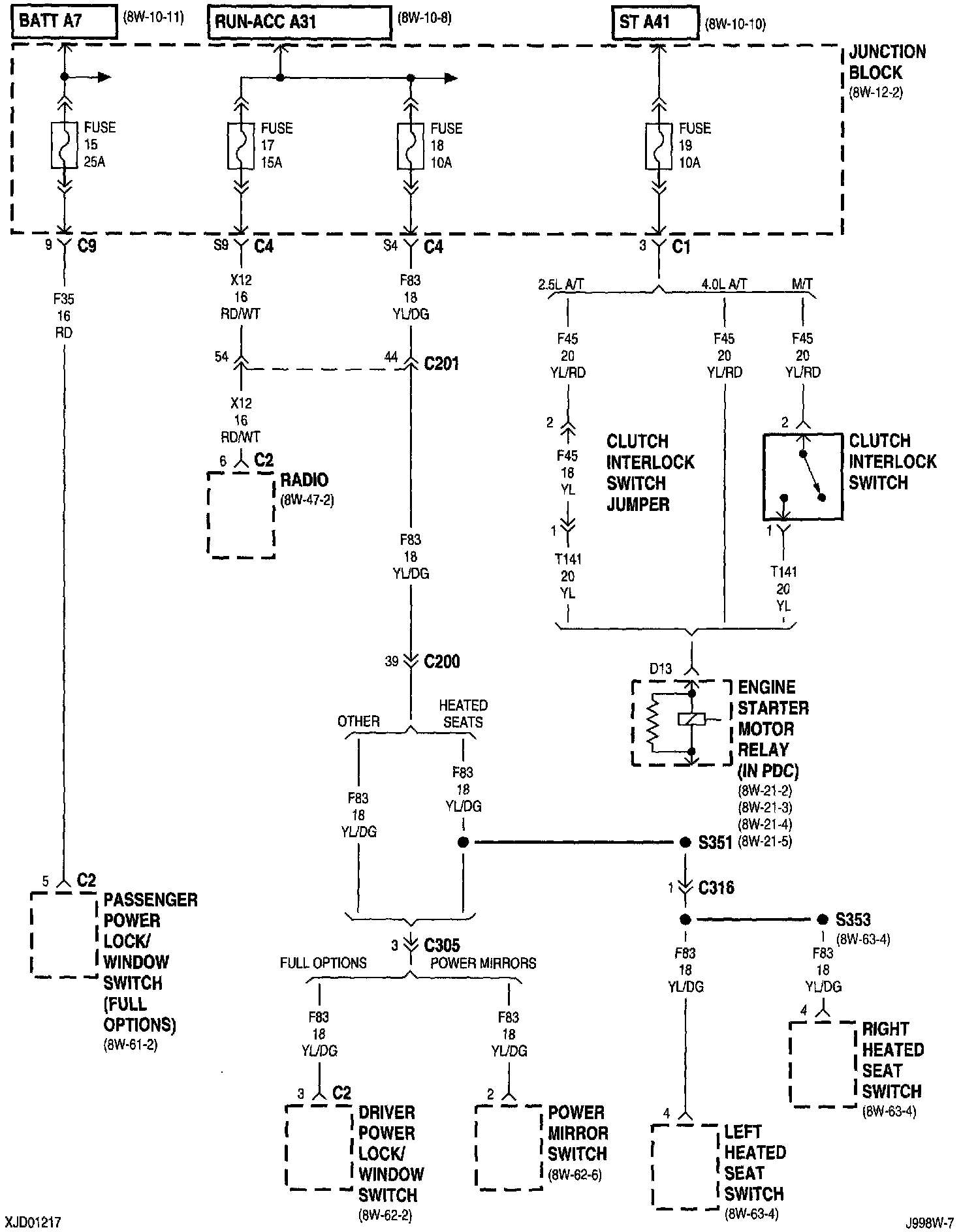
8w-12-17 (LHD):




Clutch Interlock Switch
Clutch Interlock Switch Jumper
Driver Heated Seat Switch
Driver Power Lock/Window Switch
Engine Starter Motor Relay
Fuse 15 (JB)
Fuse 17 (JB)
Fuse 18 (JB)
Fuse 19 (JB)
Junction Block
Passenger Heated Seat Switch
Passenger Power Lock/Window Switch
Power Mirror Switch
Radio


8w-12-18 (RHD):




Clutch Interlock Switch
Clutch Interlock Switch Jumper
Driver Heated Seat Switch
Driver Power Lock/Window Switch
Engine Starter Motor Relay
Fuse 15 (JB)
Fuse 17 (JB)
Fuse 18 (JB)
Fuse 19 (JB)
Junction Block
Passenger Heated Seat Switch
Passenger Power Lock/Window Switch
Power Mirror Switch
Radio


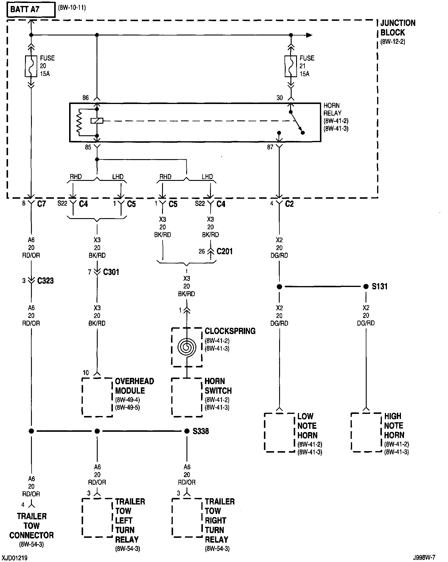
8w-12-19:




Clockspring
Fuse 20 (JB)
Fuse 21 (JB)
High Note Horn
Horn Relay
Horn Switch
Junction Block
Low Note Horn
Overhead Module
Trailer Tow Connector
Trailer Tow Left Turn Relay
Trailer Tow Right Turn Relay


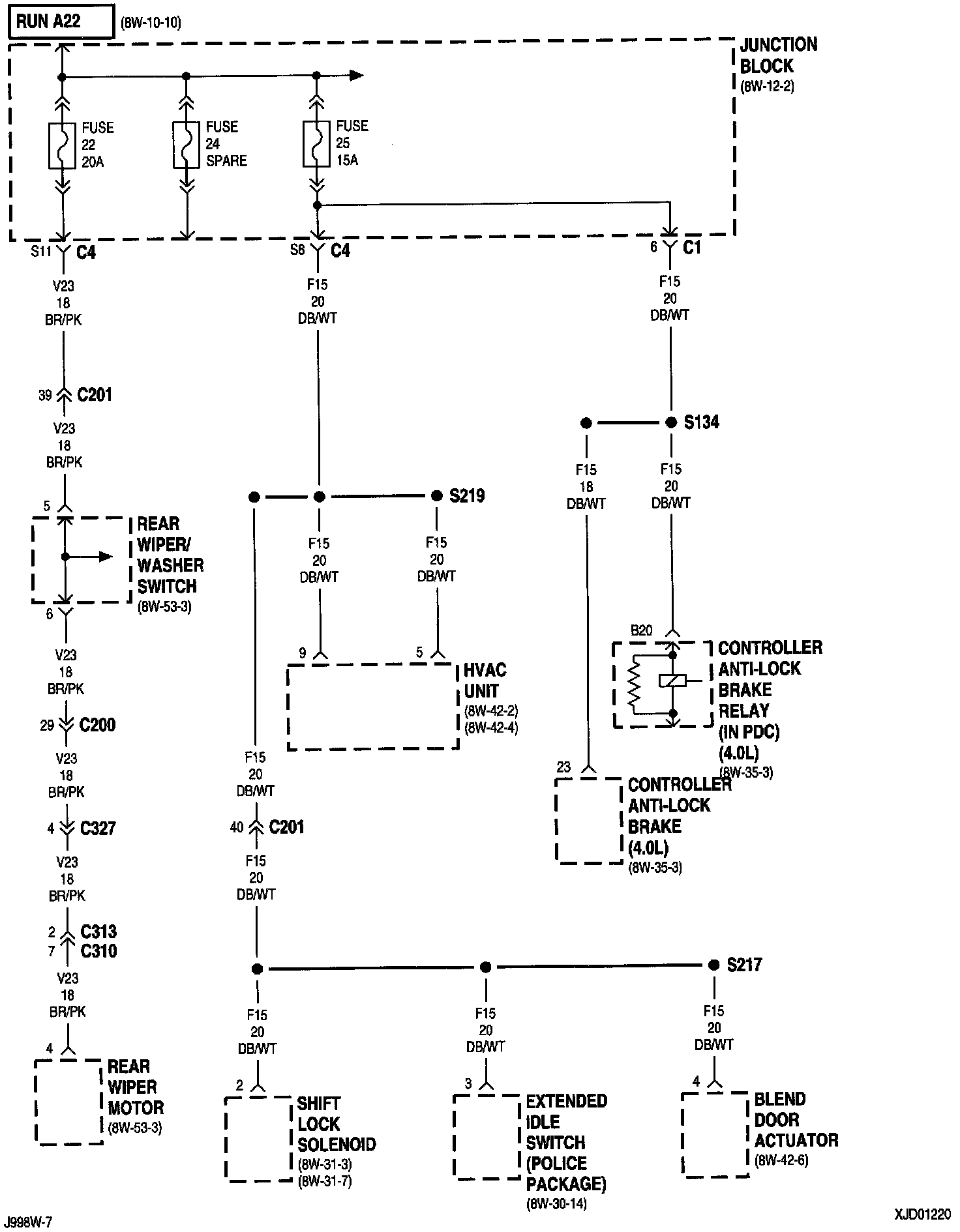
8w-12-20 (LHD):




Blend Door Actuator
Controller Anti-Lock Brake
Controller Anti-Lock Brake Relay
Extended Idle Switch
Fuse 22 (JB)
Fuse 24 (JB)
Fuse 25 (JB)
HVAC Unit
Junction Block
Rear Wiper Motor
Rear Wiper/Washer Switch
Shift Lock Solenoid


8w-12-21 (RHD):




Blend Door Actuator
Controller Anti-Lock Brake
Controller Anti-Lock Brake Relay
Fuse 22 (JB)
Fuse 24 (JB)
Fuse 25 (JB)
HVAC Unit
Rear Wiper Motor
Rear Wiper/Washer Switch
Shift Lock Solenoid


8w-12-22:




Fuse 23 (JB)
Headlamp Switch
Right Front Park/Turn Signal Lamp No. 1
Right Front Park/Turn Signal Lamp No. 2
Right Side Marker Lamp
Right Tail/Stop Lamp


8w-12-23 (LHD):




Airbag Control Module
Circuit Breaker 28 (JB)
Driver Power Lock/Window Switch
Fuse 26 (JB)
Fuse 27 (JB)
Junction Block
Passenger Power Lock/Window Switch


8w-12-24 (RHD):




Airbag Control Module
Circuit Breaker 28 (JB)
Driver Power Lock/Window Switch
Fuse 26 (JB)
Fuse 27 (JB)
Junction Block
Passenger Power Lock/Window Switch


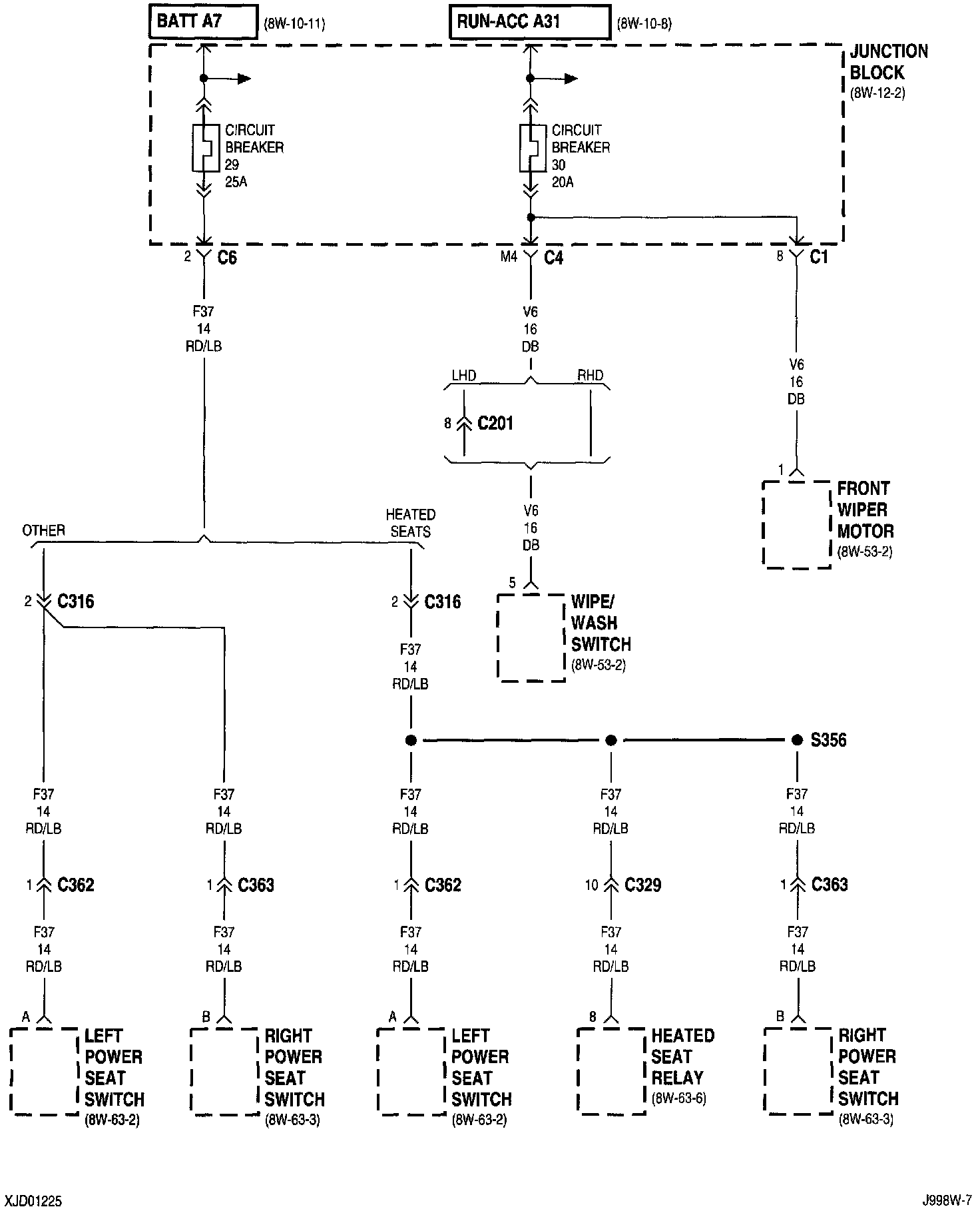
8w-12-25:




Circuit Breaker 29 (JB)
Circuit Breaker 30 (JB)
Front Wiper Motor
Heated Seat Relay
Junction Block
Left Power Seat Switch
Right Power Seat Switch
Wipe/Wash Switch


8w-12-26:




Cargo Lamp/Switch
Fuse 16 (PDC)
Instrument Cluster
Junction Block
Left Courtesy Lamp
Radio
Right Courtesy Lamp
Transmission Control Module
Underhood Lamp/Mercury Switch


8w-12-27:




Cargo Lamp/Switch
Compass
Dome Lamps Switch
Driver Door Jamb Switch
Headlamp Switch
Junction Block
Left Courtesy Lamp
Left Rear Door Jamb Switch
Overhead Module
Passenger Door Jamb Switch
Right Courtesy Lamp
Right Rear Door Jamb Switch


8w-12-28 (LHD):




Driver Door Lock Motor
Junction Block
Left Rear Door Lock Motor
Liftgate Lock Motor
Passenger Door Lock Motor
Passenger Power Lock/Window Switch
Right Rear Door Lock Motor


8w-12-29 (RHD):




Driver Door Lock Motor
Junction Block
Left Rear Door Lock Motor
Liftgate Lock Motor
Passenger Door Lock Motor
Passenger Power Lock/Window Switch
Right Rear Door Lock Motor


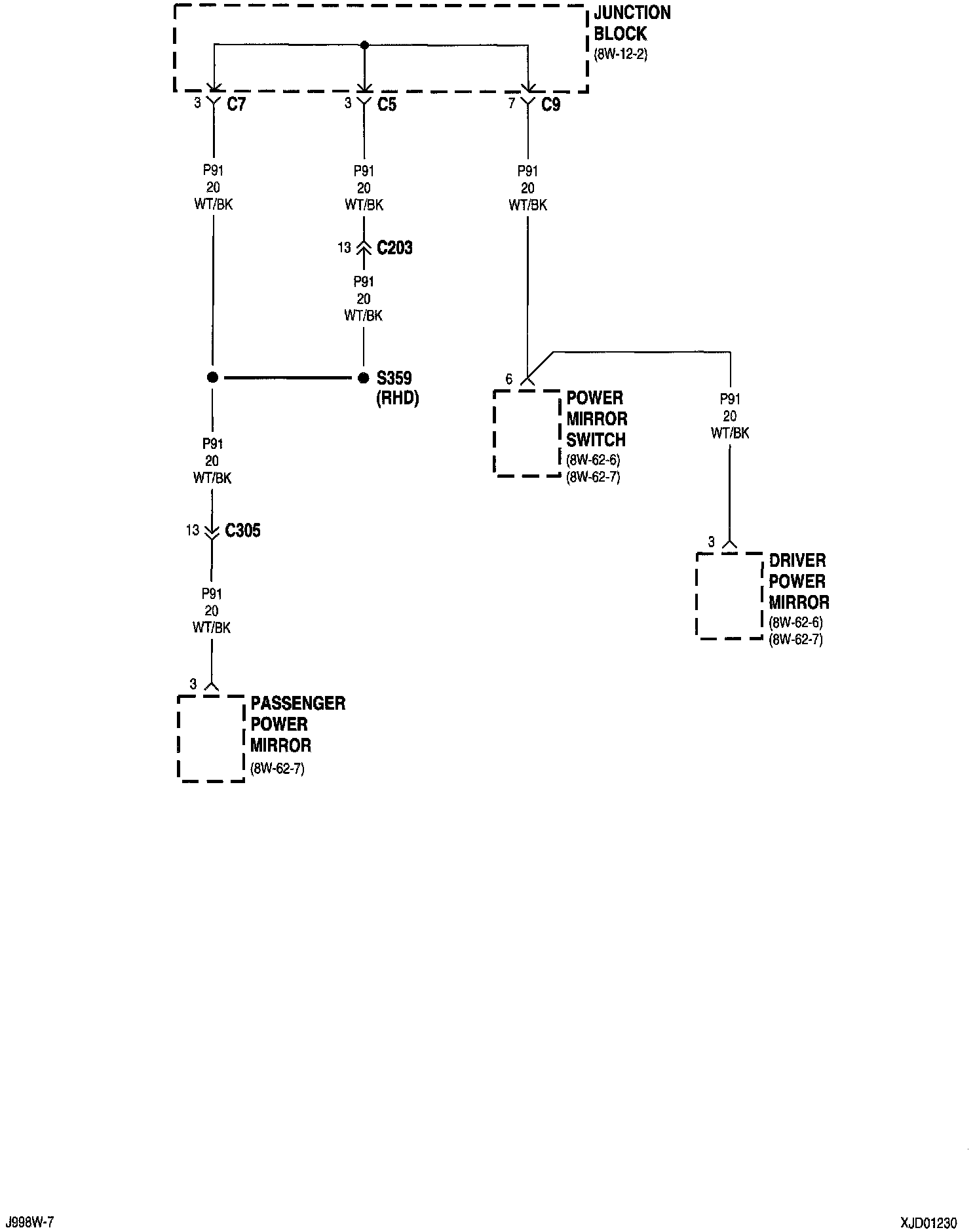
8w-12-30:




Driver Power Mirror
Junction Block
Passenger Power Mirror
Power Mirror Switch


8w-12-31 (LHD):




Driver Power Lock/Window Switch
Driver Power Mirror
Junction Block
Passenger Power Mirror


8w-12-32 (RHD):




Driver Power Lock/Window Switch
Driver Power Mirror
Junction Block
Passenger Power Mirror


8w-12-33:




Cigar Lighter Relay
Compass
Dome Lamps Switch
Driver Power Mirror
G107
Junction Block
Overhead Module
Passenger Power Lock/Window Switch
Passenger Power Mirror
Power Mirror Switch

NOTE: To view sheets referred to in these diagrams, see Complete Body and Chassis Diagrams.
Diagrams By Group Number