Operation CHARM: Car repair manuals for everyone.
Manuals through 2025 now available!

Our trusted friends have launched a new website named LEMON, which has newer manuals. It also contains all the CHARM manuals.

LEMON is the spiritual successor to CHARM, I recommend you try it!

Link: lemon-manuals.la or lemon-manuals.org.ua

(Some people have issue connecting. LEMON is investigating. For now, use Firefox or change your DNS server)

Or, hide this message: temporarily or permanently

Electrical Diagrams

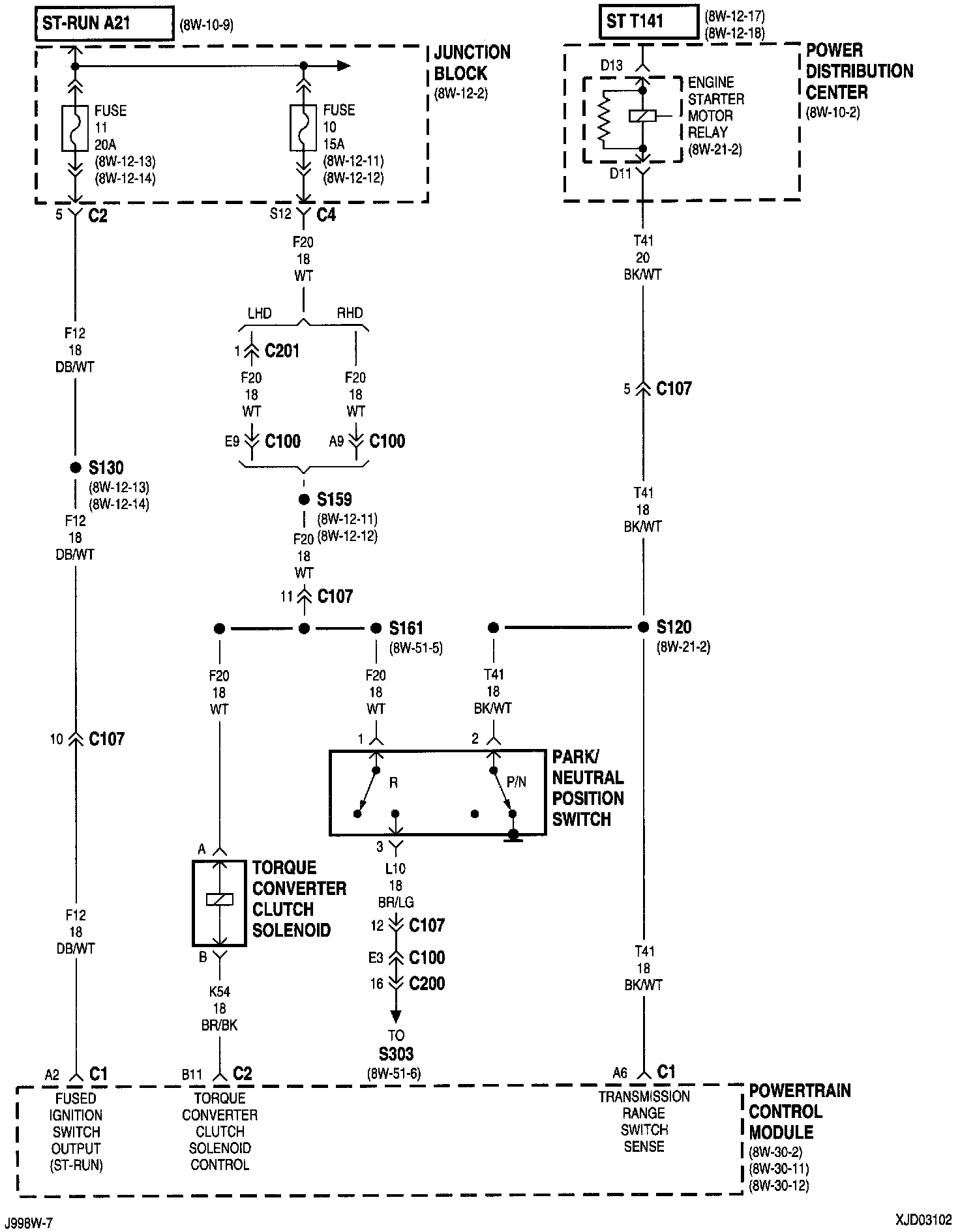
8w-31-2:





Fuse 11
Fuse 10
Starter Motor Relay
Junction Block
Power Distribution Center
Torque Converter Clutch Solenoid
Park Neutral Position Switch
PCM

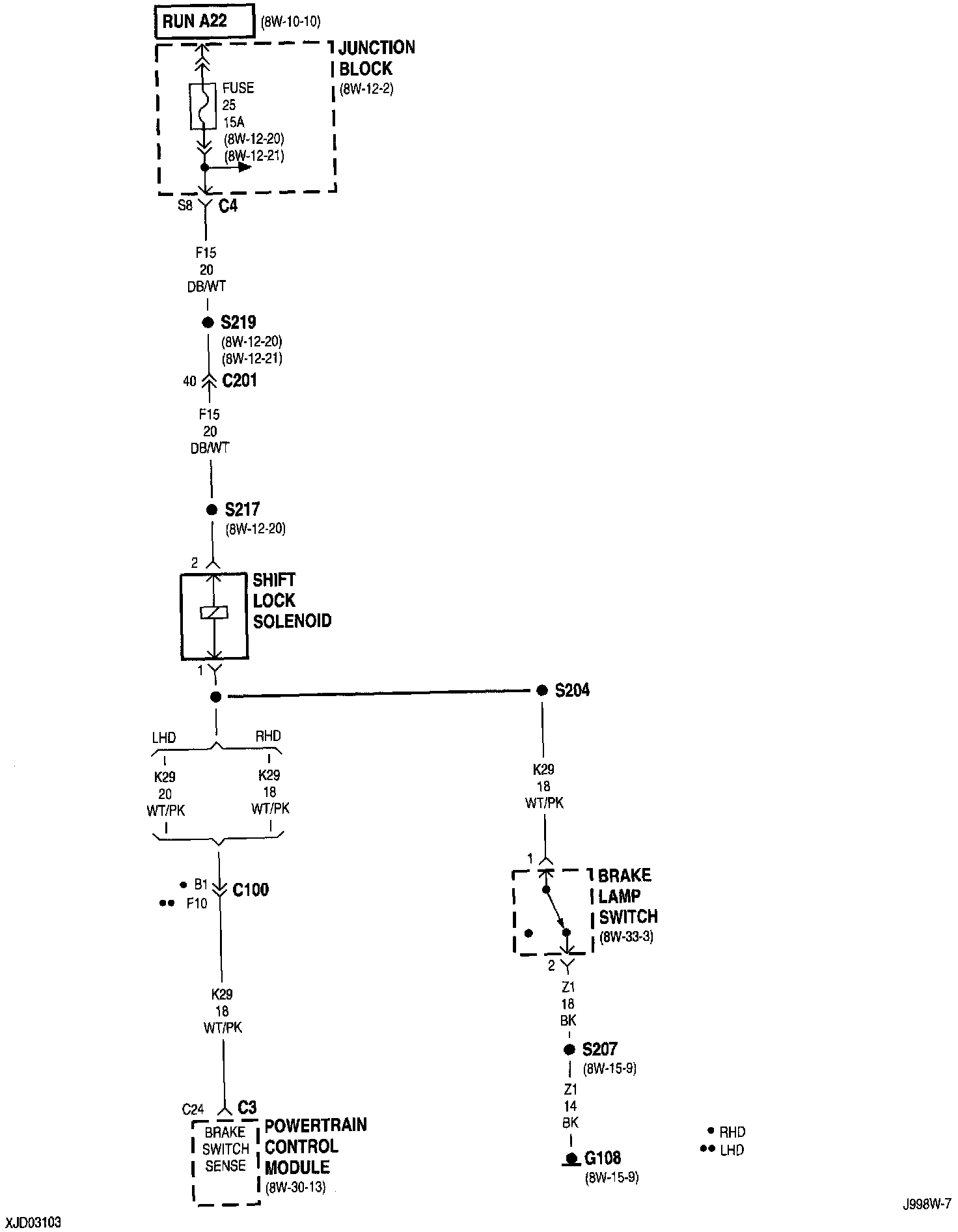
8w-31-3:





Junction Block
Shift Lock Solenoid
Brake Lamp Switch
PCM


NOTE: To view sheets referred to in these diagrams, see Complete Body and Chassis Diagrams.
Diagrams By Group Number