Operation CHARM: Car repair manuals for everyone.
Manuals through 2025 now available!

Our trusted friends have launched a new website named LEMON, which has newer manuals. It also contains all the CHARM manuals.

LEMON is the spiritual successor to CHARM, I recommend you try it!

Link: lemon-manuals.la or lemon-manuals.org.ua

(Some people have issue connecting. LEMON is investigating. For now, use Firefox or change your DNS server)

Or, hide this message: temporarily or permanently

Transmission Control Systems

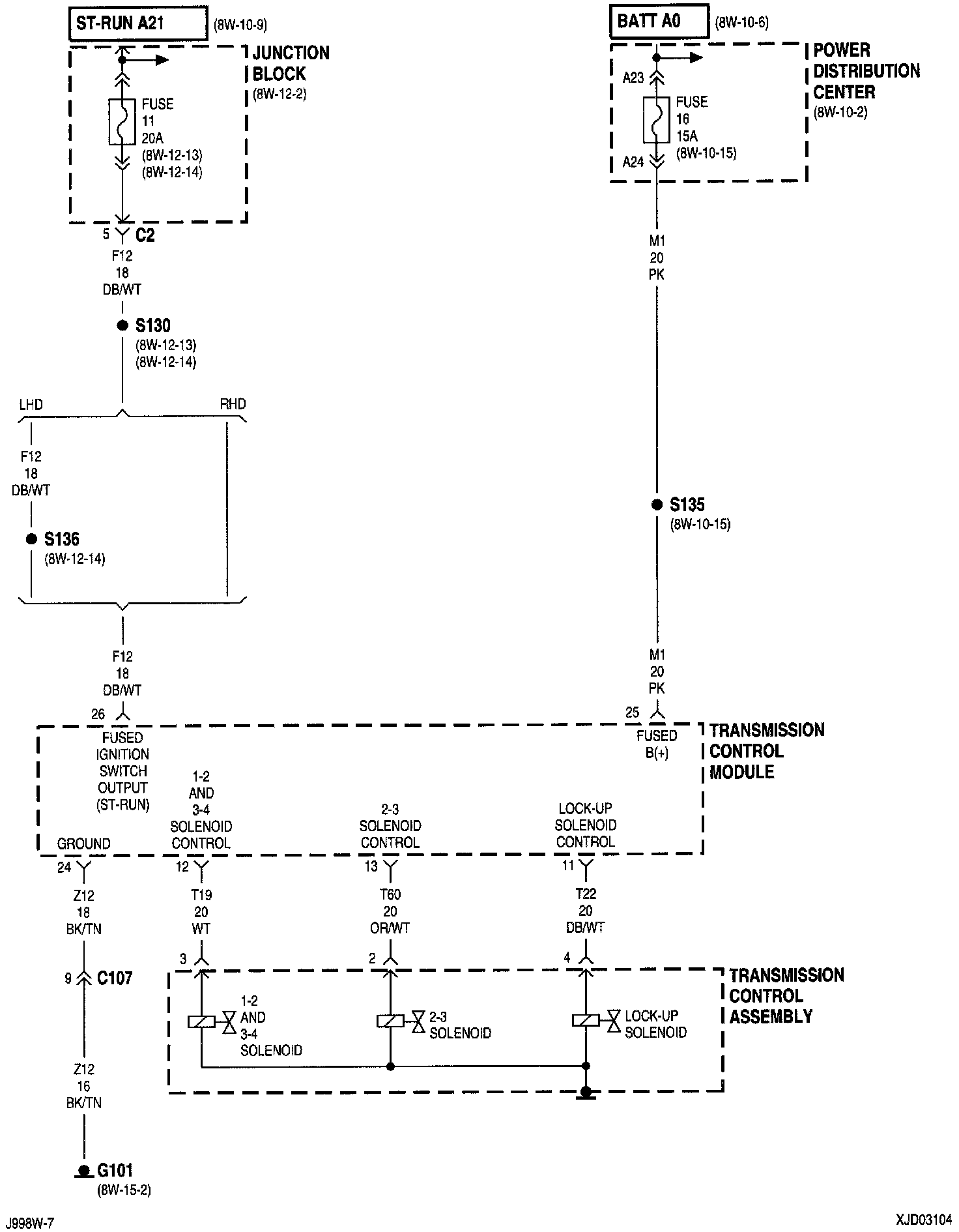
8w-31-4:




Fuse 11 (JB)
Fuse 16 (PDC)
G10l
Junction Block
Lock-Up Solenoid
Power Distribution Center
Transmission Control Assembly
Transmission Control Module


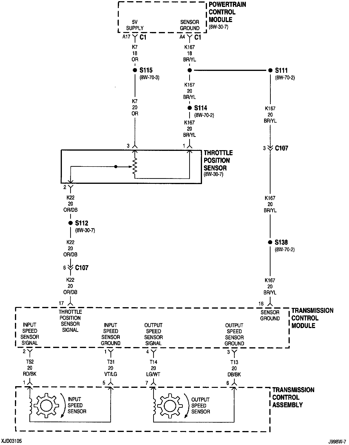
8w-31-5:




Input Speed Sensor
Output Speed Sensor
Powertrain Control Module
Throttle Position Sensor
Transmission Control Assembly
Transmission Control Module


8w-31-6:




Engine Starter Motor Relay
Fuse 10 (JB)
G106
Junction Block
Transmission Control Module
Transmission Range Sensor


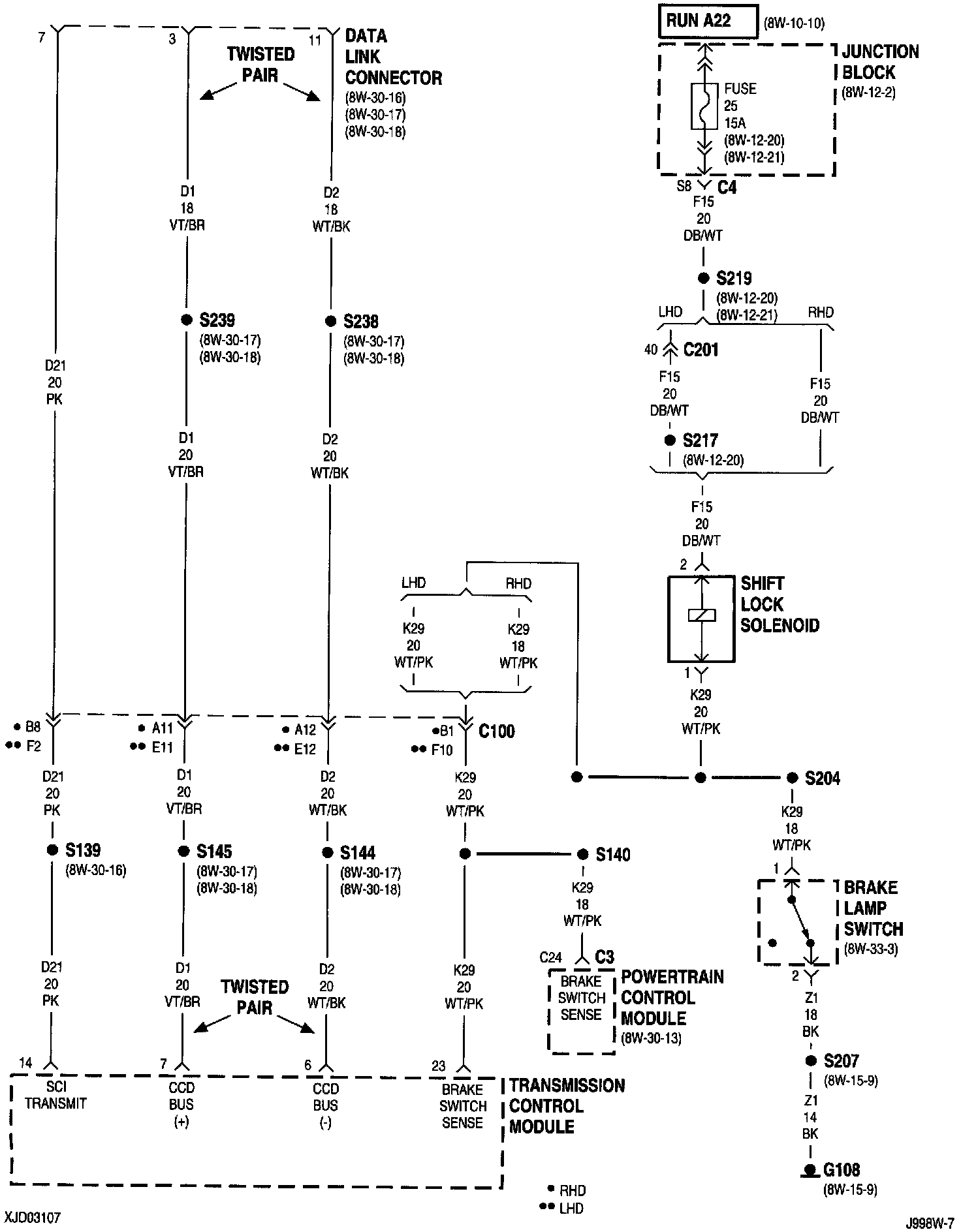
8w-31-7:




Brake Lamp Switch
Data Link Connector
Fuse 25 (JB)
G108
Junction Block
Powertrain Control Module
Shift Lock Solenoid
Transmission Control Module


NOTE: To view sheets referred to in these diagrams, see Complete Body and Chassis Diagrams.
Diagrams By Group Number