Operation CHARM: Car repair manuals for everyone.
Manuals through 2025 now available!

Our trusted friends have launched a new website named LEMON, which has newer manuals. It also contains all the CHARM manuals.

LEMON is the spiritual successor to CHARM, I recommend you try it!

Link: lemon-manuals.la or lemon-manuals.org.ua

(Some people have issue connecting. LEMON is investigating. For now, use Firefox or change your DNS server)

Or, hide this message: temporarily or permanently

Drive Axles/Electrical - Specification/Schematic Update

NUMBER: 26-01-00I

GROUP: Miscellaneous

DATE: January, 2000

REVISIONS ARE HIGHLIGHTED WITH BLACK BARS IN THE MARGIN

Models:
1999 Grand Cherokee Service Manual - Publication Number 81-370-9147

DESCRIPTION OF CHANGES

Revision to the axle specifications





3-42





3-118

Revisions to the wiring schematics





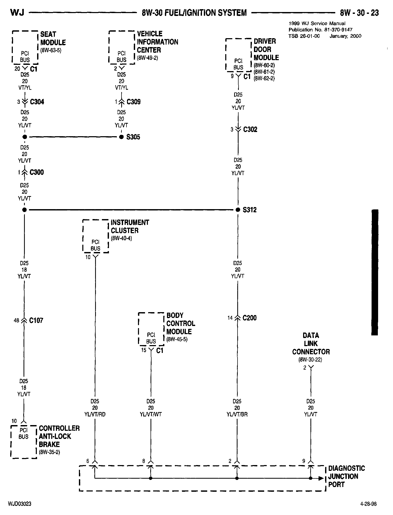
8W-30-23





8W-30-24





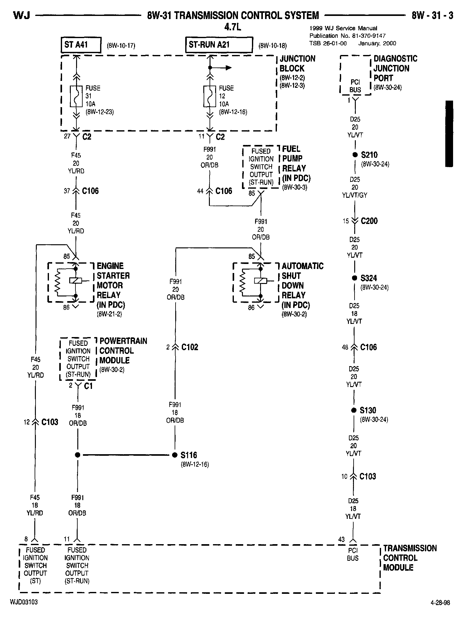
8W-31-3





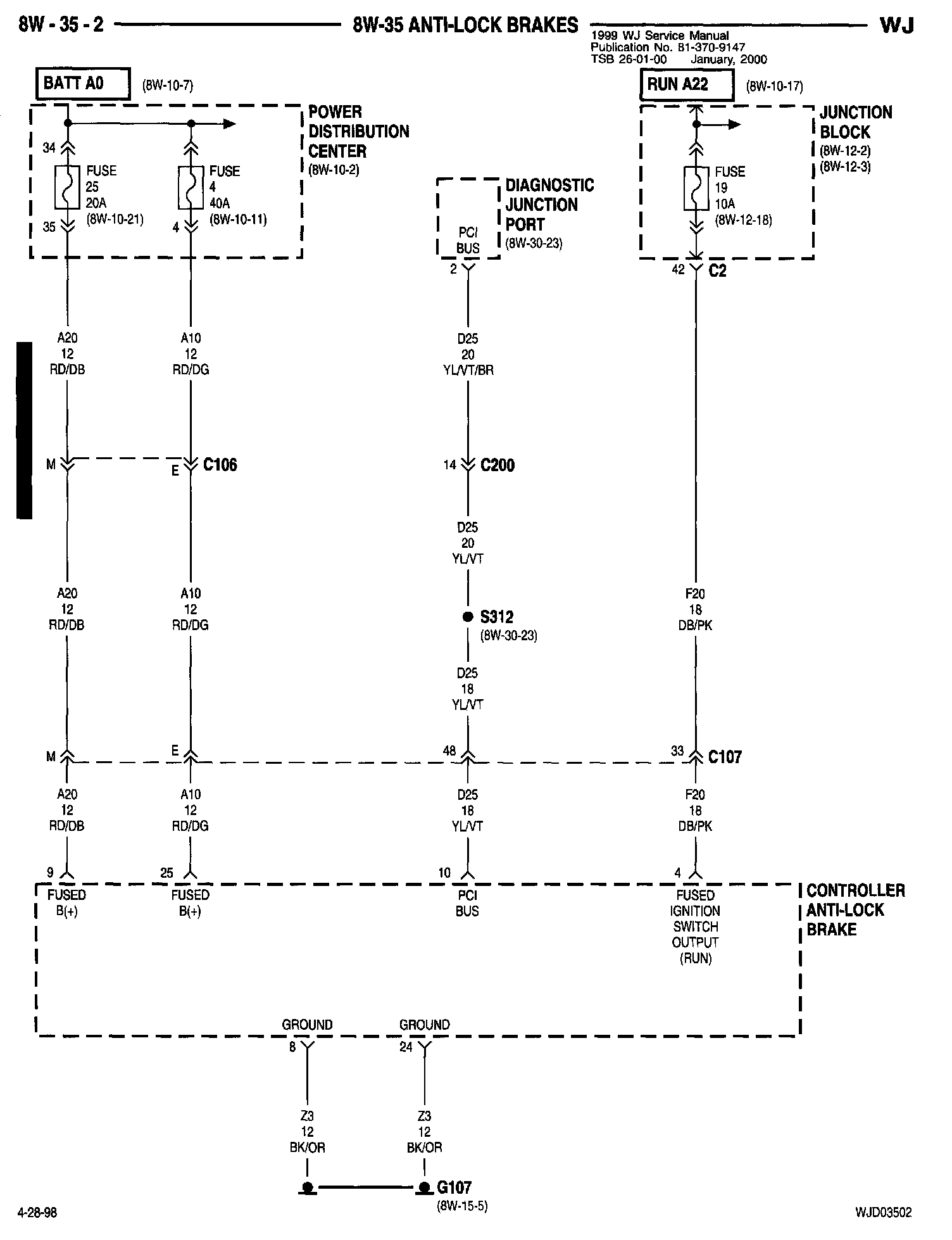
8W-35-2





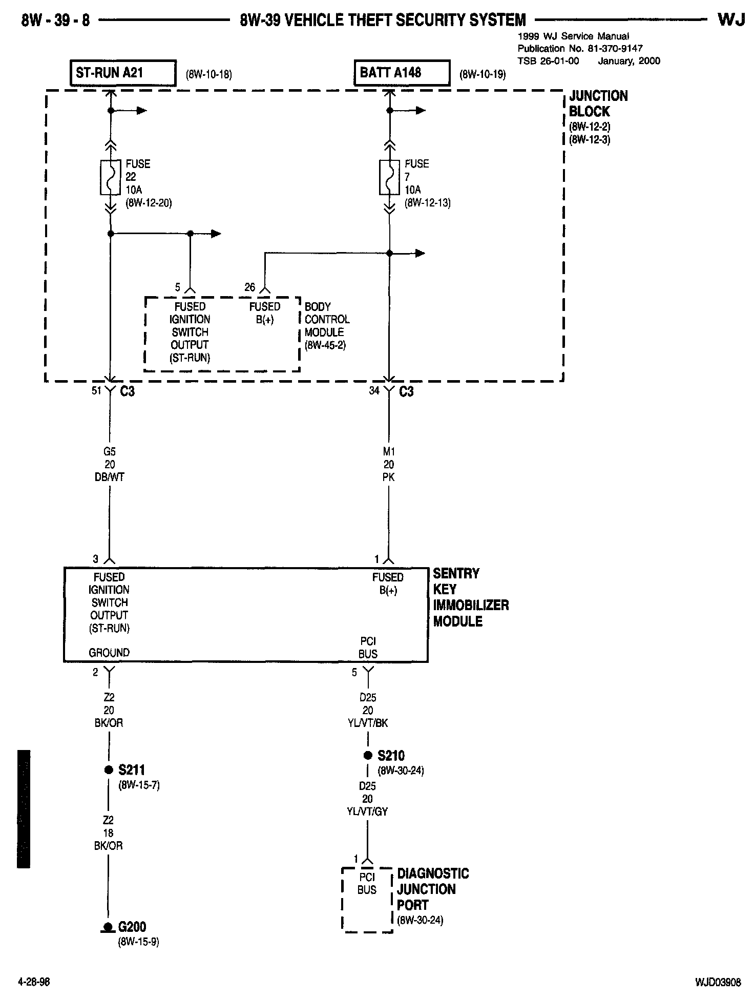
8W-39-8





8W-49-2





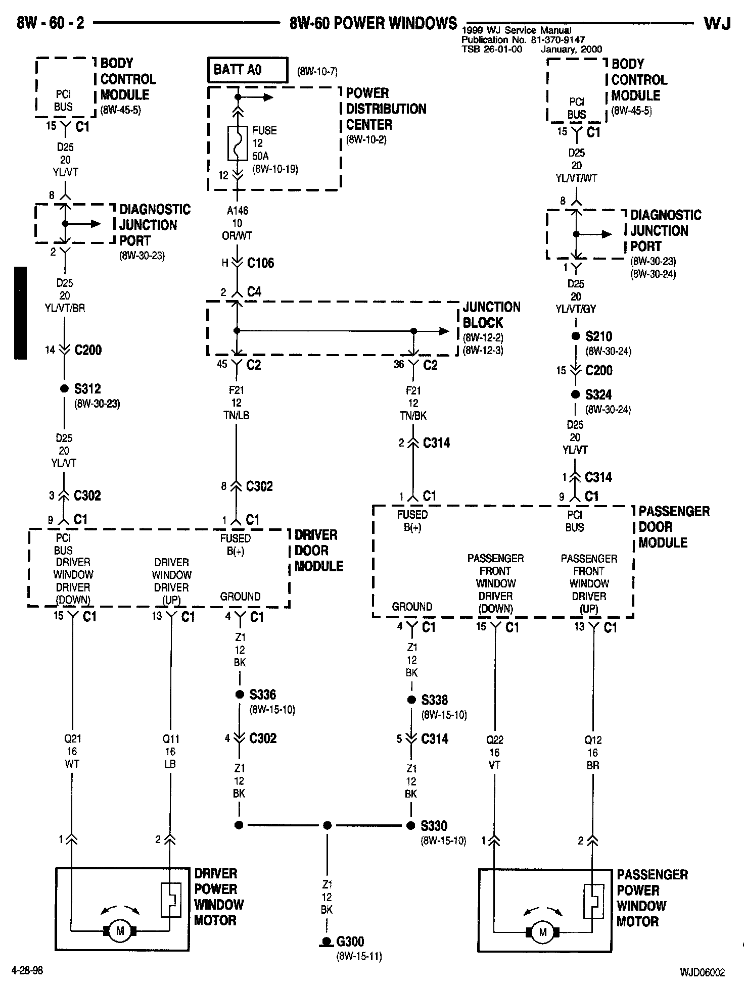
8W-60-2





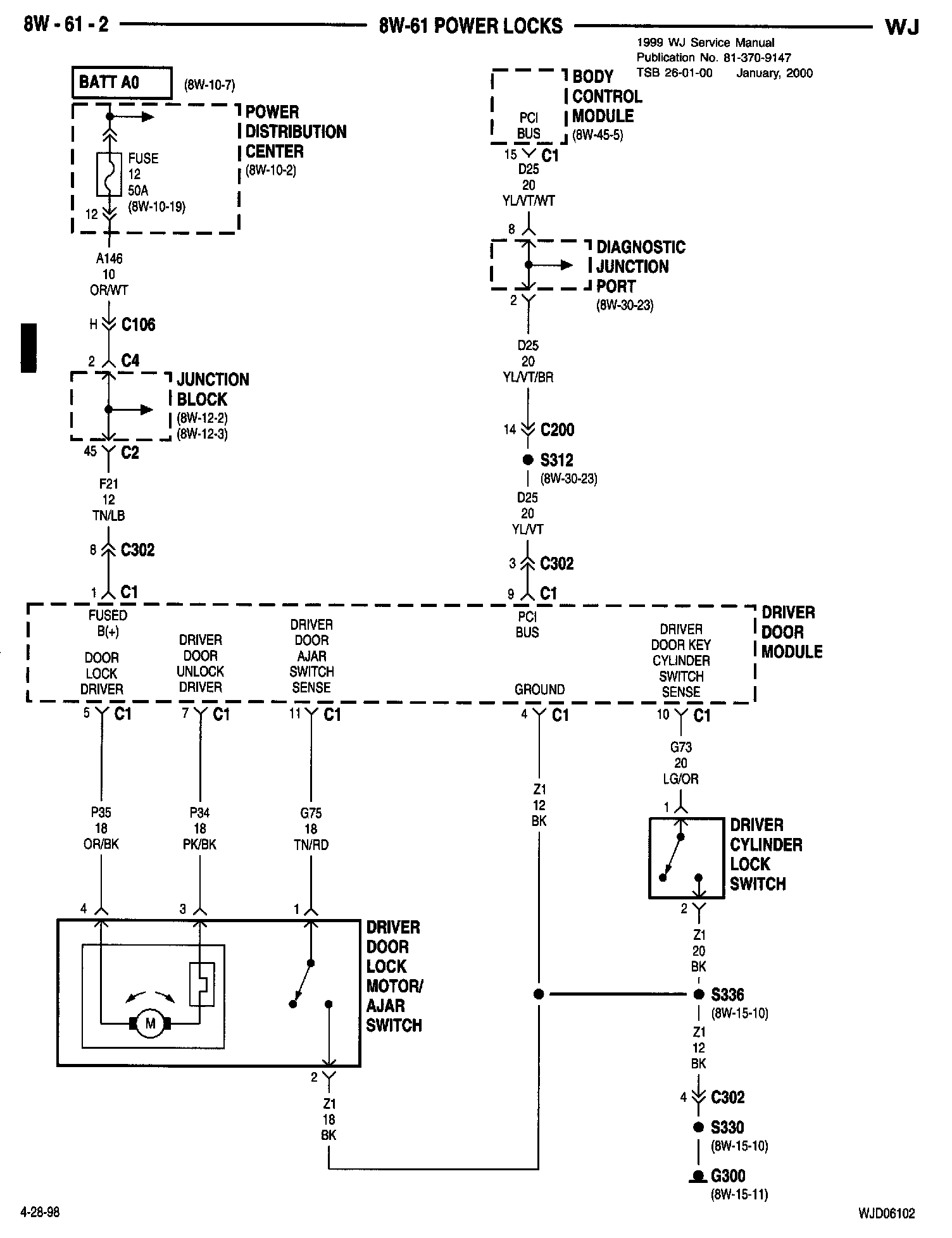
8W-61-2





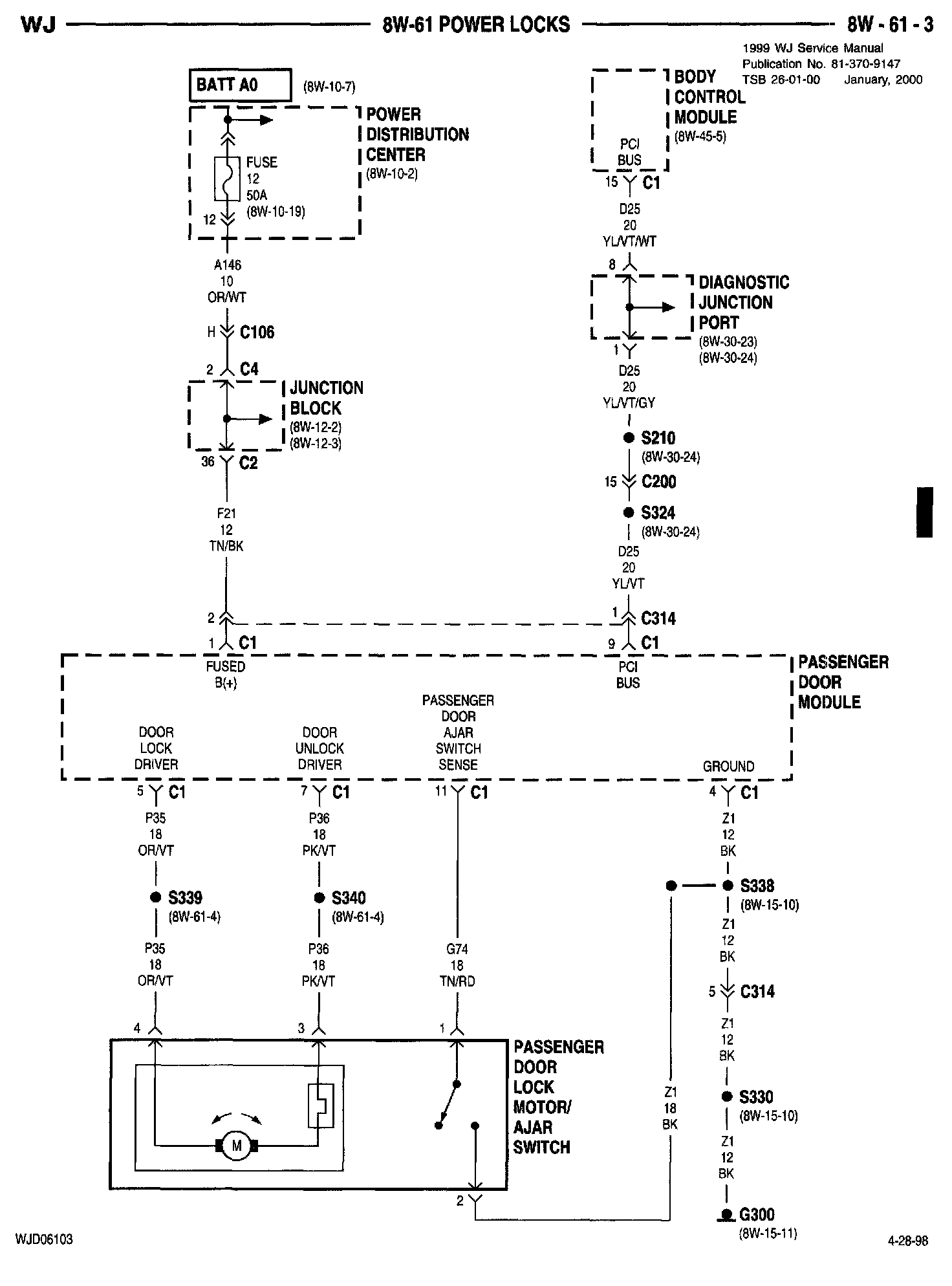
8W-61-3





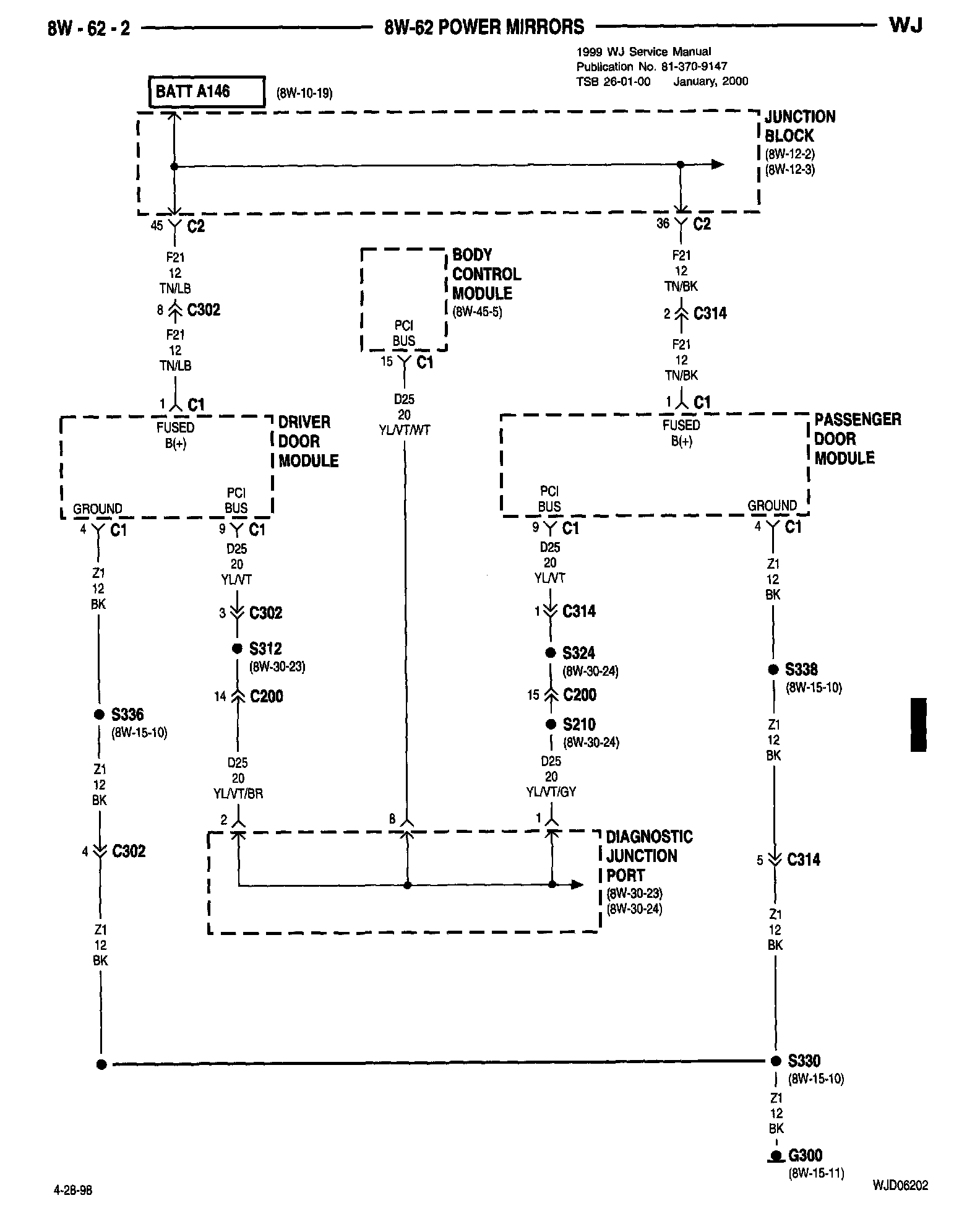
8W-62-2





8W-80-31