Operation CHARM: Car repair manuals for everyone.
Manuals through 2025 now available!

Our trusted friends have launched a new website named LEMON, which has newer manuals. It also contains all the CHARM manuals.

LEMON is the spiritual successor to CHARM, I recommend you try it!

Link: lemon-manuals.la or lemon-manuals.org.ua

(Some people have issue connecting. LEMON is investigating. For now, use Firefox or change your DNS server)

Or, hide this message: temporarily or permanently

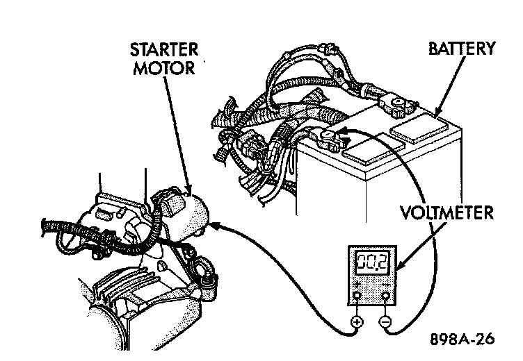
Feed Circuit Test

The starter feed circuit test (voltage drop method) will determine if there is excessive resistance in the high-amperage feed circuit.

When performing these tests, it is important to remember that the voltage drop is giving an indication of the resistance between the two points at which the voltmeter probes are attached.

Example: When testing the resistance of the battery positive cable, touch the voltmeter leads to the battery positive cable clamp and the cable connector at the starter solenoid. If you probe the battery positive terminal post and the cable connector at the starter solenoid, you are reading the combined voltage drop in the battery positive cable clamp-to-terminal post connection and the battery positive cable.

The following operation will require a voltmeter accurate to 1/10 (0.10) volt. Before performing the tests, be certain that the following procedures are accomplished:
- Battery is fully-charged and load-tested. Refer to Battery in the Diagnosis and Testing for the procedures.
- Fully engage the parking brake.
- If the vehicle is equipped with a manual transmission, place the gearshift selector lever in the Neutral position and block the clutch pedal in the fully depressed position. If the vehicle is equipped with an automatic transmission, place the gearshift selector lever in the Park position.
- Verify that all lamps and accessories are turned off.
- To prevent the engine from starting, remove the Automatic Shutdown (ASD) relay. The ASD relay is located in the Power Distribution Center (PDC), in the engine compartment. Refer to the fuse and relay layout label affixed to the underside of the PDC cover for ASD relay identification and location.

Test Battery Negative Connection Resistance - Typical:




1. Connect the positive lead of the voltmeter to the battery negative terminal post. Connect the negative lead of the voltmeter to the battery negative cable clamp. Rotate and hold the ignition switch in the Start position. Observe the voltmeter. If voltage is detected, correct the poor contact between the cable clamp and the terminal post.

Test Battery Positive Connection Resistance - Typical:




2. Connect the positive lead of the voltmeter to the battery positive terminal post. Connect the negative lead of the voltmeter to the battery positive cable clamp. Rotate and hold the ignition switch in the Start position. Observe the voltmeter. If voltage is detected, correct the poor contact between the cable clamp and the terminal post.

Test Battery Positive Cable Resistance - Typical:




3. Connect the voltmeter to measure between the battery positive terminal post and the starter solenoid battery terminal stud. Rotate and hold the ignition switch in the Start position. Observe the voltmeter. If the reading is above 0.2 volt, clean and tighten the battery cable connection at the solenoid. Repeat the test. If the reading is still above 0.2 volt, replace the faulty battery positive cable.

Test Ground Circuit Resistance - Typical:




4. Connect the voltmeter to measure between the battery negative terminal post and a good clean ground on the engine block. Rotate and hold the ignition switch in the Start position. Observe the voltmeter. If the reading is above 0.2 volt, clean and tighten the battery negative cable attachment on the engine block. Repeat the test. If the reading is still above 0.2 volt, replace the faulty battery negative cable.

Test Starter Ground - Typical:




5. Connect the positive lead of the voltmeter to the starter housing. Connect the negative lead of the voltmeter to the battery negative terminal post. Rotate and hold the ignition switch in the Start position. Observe the voltmeter. If the reading is above 0.2 volt, correct the poor starter to engine block ground contact.

If the resistance tests detect no feed circuit problems, refer to Starter Motor in the Diagnosis and Testing.