Operation CHARM: Car repair manuals for everyone.
Manuals through 2025 now available!

Our trusted friends have launched a new website named LEMON, which has newer manuals. It also contains all the CHARM manuals.

LEMON is the spiritual successor to CHARM, I recommend you try it!

Link: lemon-manuals.la or lemon-manuals.org.ua

(Some people have issue connecting. LEMON is investigating. For now, use Firefox or change your DNS server)

Or, hide this message: temporarily or permanently

Shift Interlock: Service and Repair

BRAKE TRANSMISSION SHIFT INTERLOCK MECHANISM
REMOVAL
1. Remove lower steering column cover.
2. Remove lower steering column shroud.
3. Remove tie strap near the solenoid retaining the brake transmission interlock cable to the steering column.
4. Disengage wire connector from solenoid.





5. With the ignition removed or in the unlocked position, disengage lock tab holding cable end to steering column (Fig. 77).
6. Pull cable end from steering column.
7. Remove the floor console and related trim.





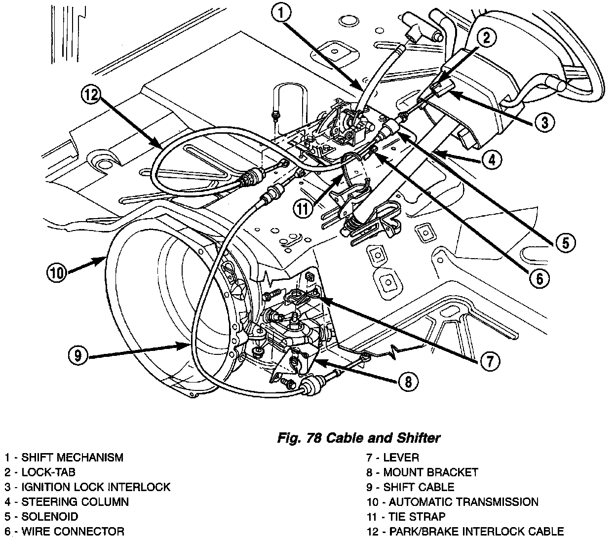
8. Disconnect the cable eyelet from the bellcrank (Fig. 78).
9. Disconnect and remove the cable from the shift bracket.

INSTALLATION
1. Route replacement cable behind instrument panel and under floor console area to shift mechanism (Fig. 78).
2. Insert cable end into opening in steering column hub under ignition lock. Push cable inward until lock tab engages.
3. Connect the cable end eyelet onto shifter bellcrank pin.
4. Place gear selector in PARK.
5. Push the spring-loaded cable adjuster forward and snap cable into bracket.
6. Adjust the brake transmission shifter interlock cable.
7. Verify that the cable adjuster lock clamp is pushed downward to the locked position.
8. Test the park-lock cable operation.
9. Install the floor console and related trim.
10. Install tie strap to hold cable to base of steering column.
11. Install lower steering column shroud and ignition lock.
12. Install lower steering column cover.