Operation CHARM: Car repair manuals for everyone.
Manuals through 2025 now available!

Our trusted friends have launched a new website named LEMON, which has newer manuals. It also contains all the CHARM manuals.

LEMON is the spiritual successor to CHARM, I recommend you try it!

Link: lemon-manuals.la or lemon-manuals.org.ua

(Some people have issue connecting. LEMON is investigating. For now, use Firefox or change your DNS server)

Or, hide this message: temporarily or permanently

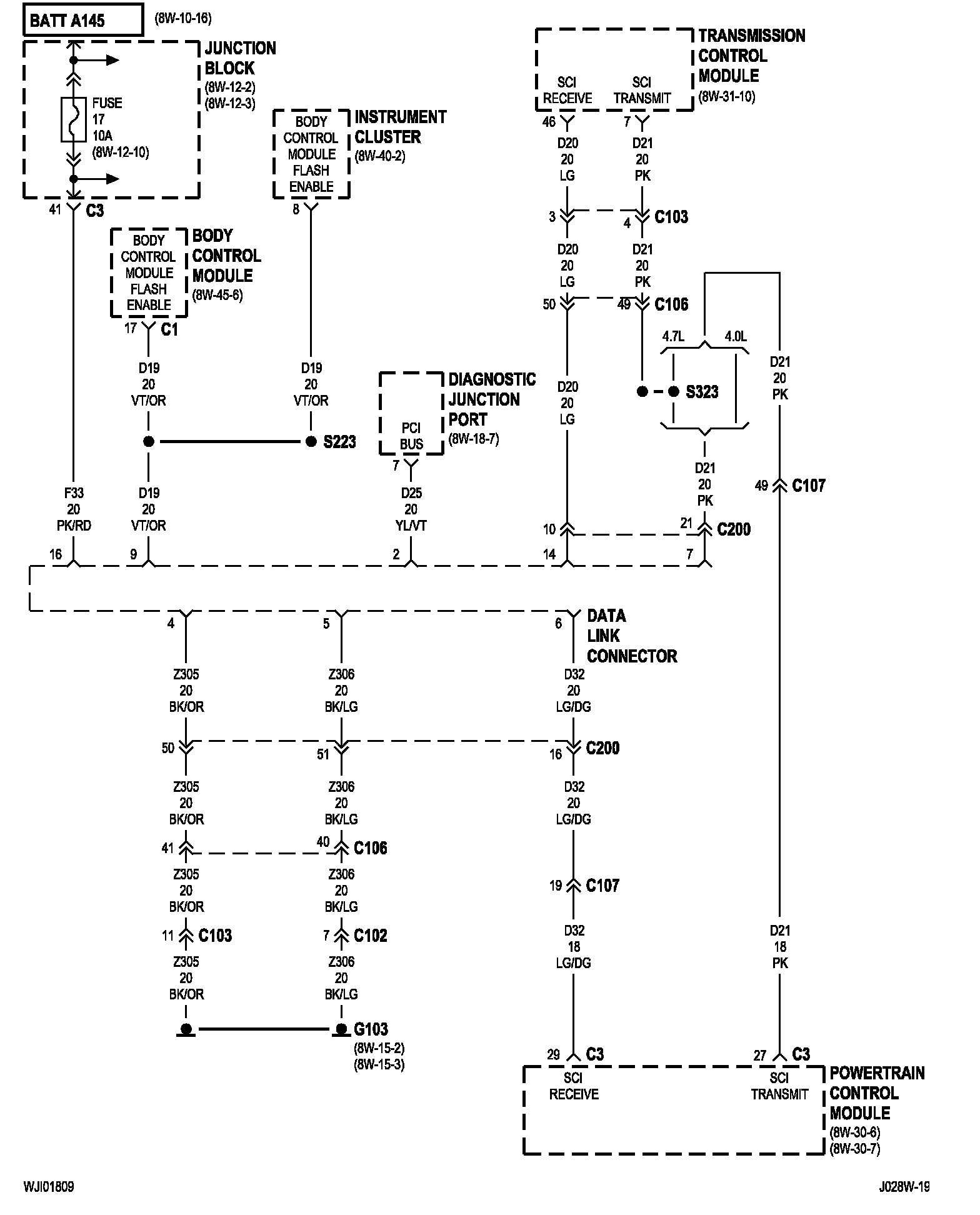
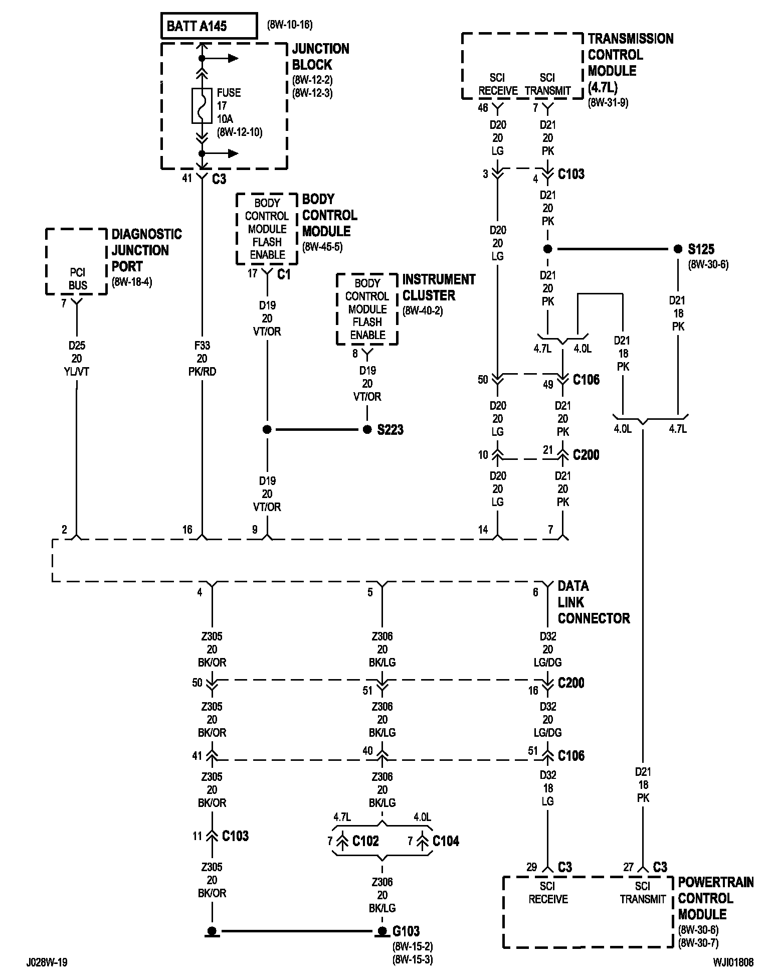
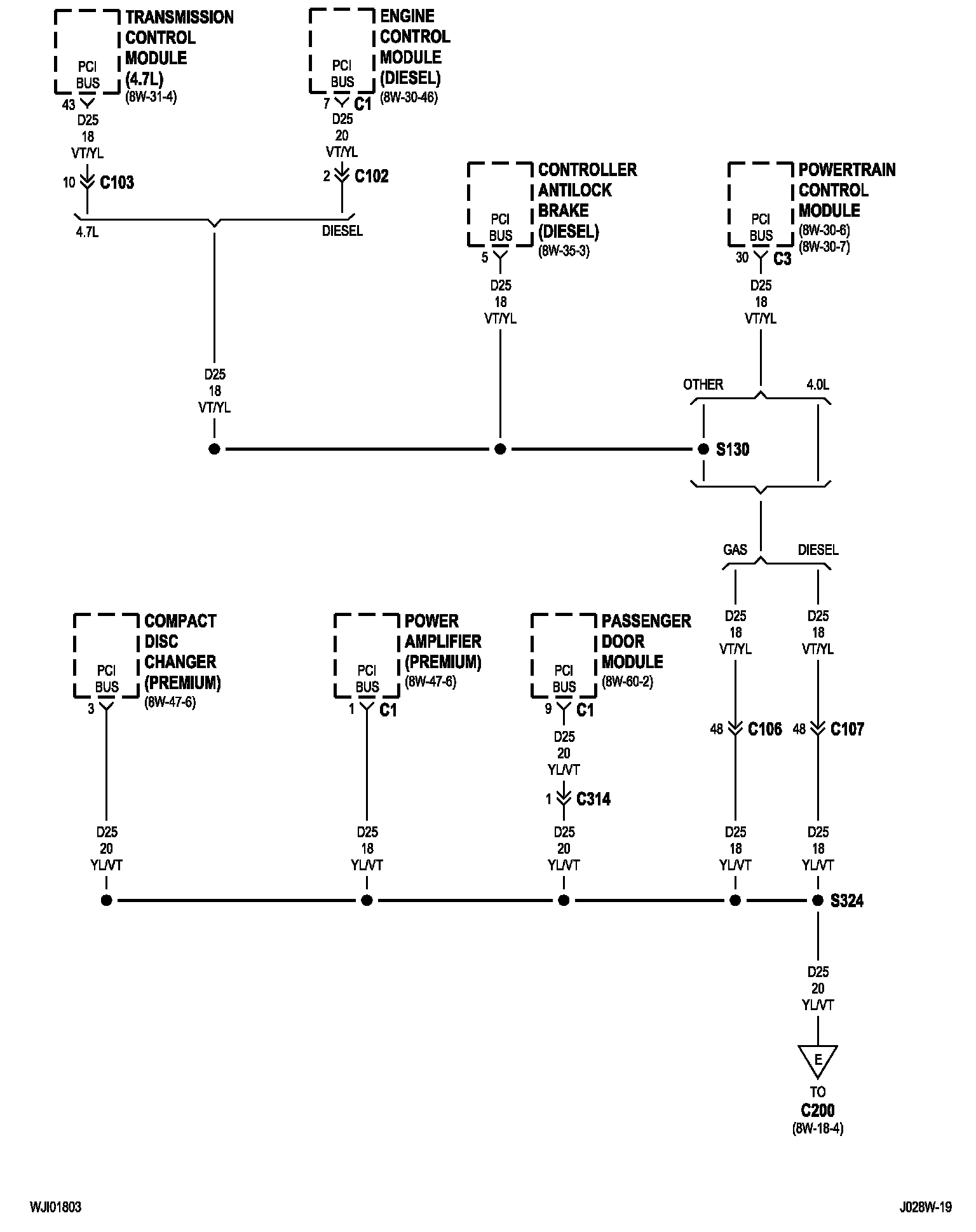
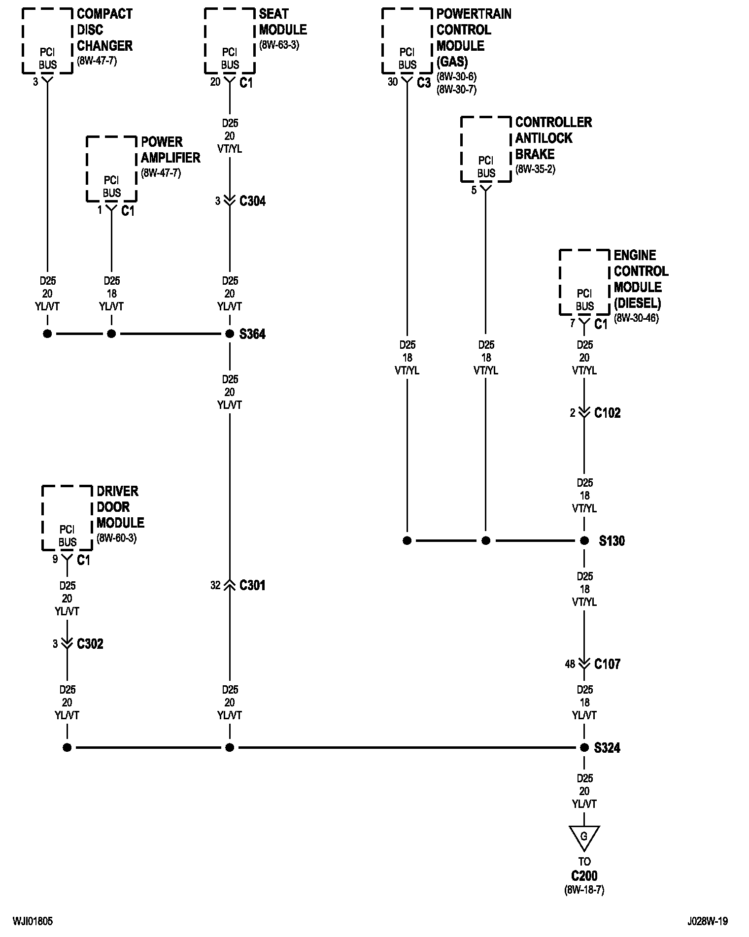
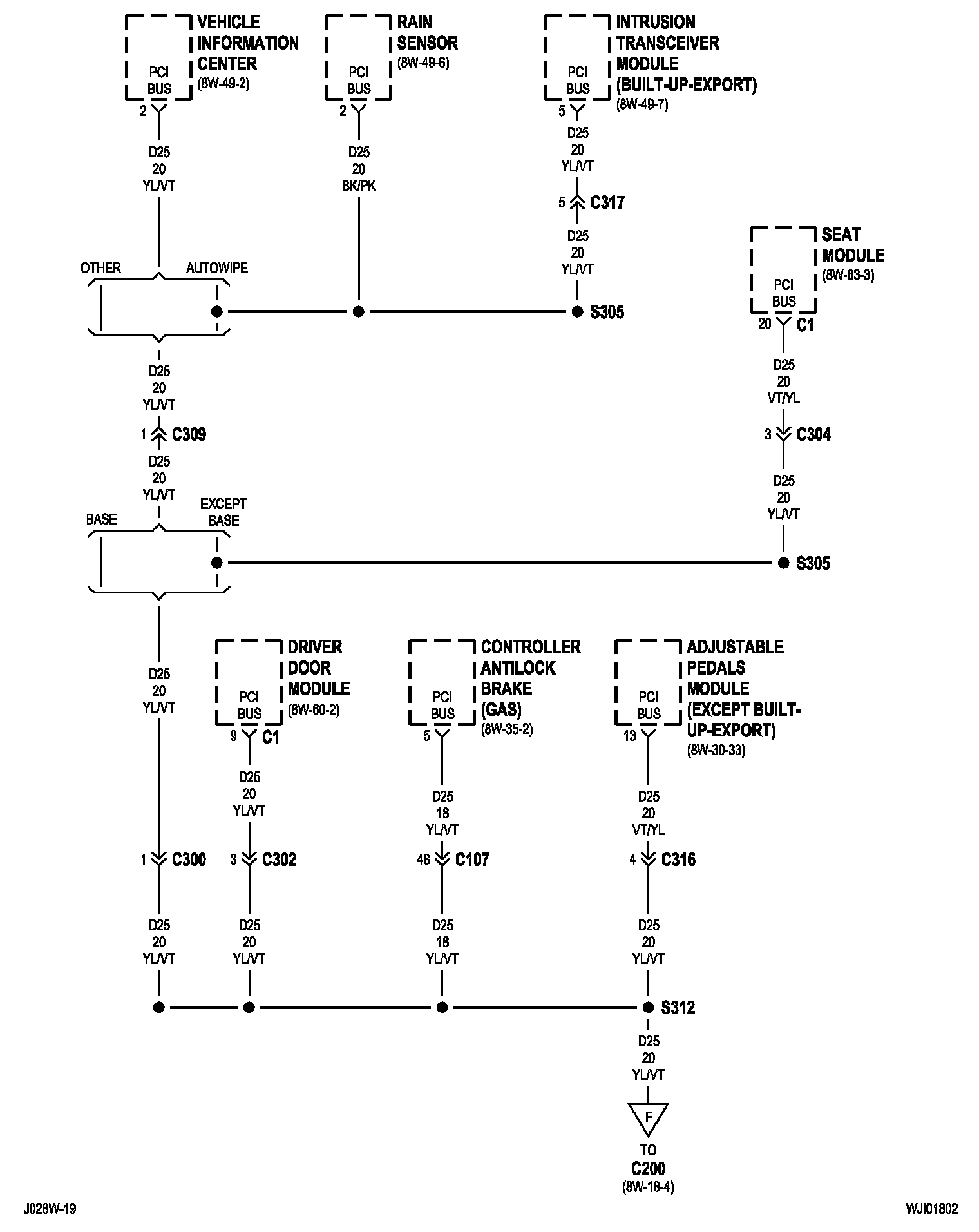
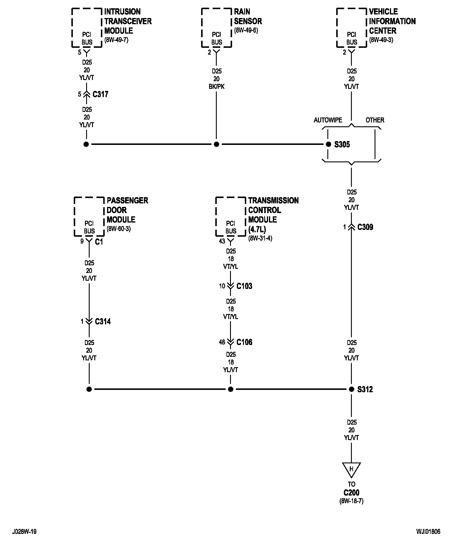
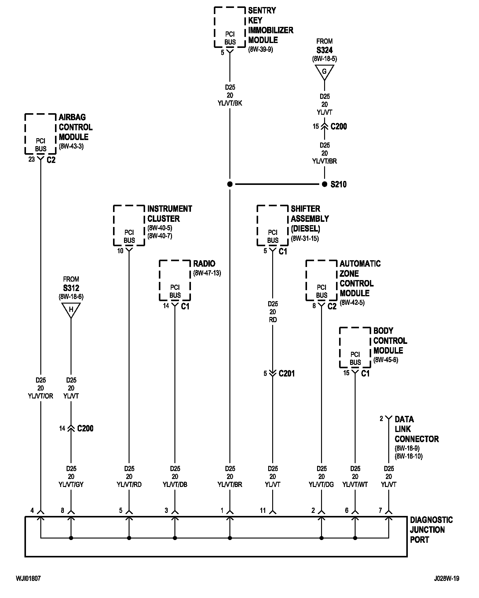
Information Bus

8w-18-2 (LHD):




8w-18-3 (LHD):




8w-18-4 (LHD):




8w-18-5 (RHD):




8w-18-6 (RHD):




8w-18-7 (RHD):




8w-18-8 (LHD):




8w-18-9 (RHD):






NOTE: To view sheets referred to in these diagrams, see Complete Body and Chassis Diagrams. Electrical Diagrams