Operation CHARM: Car repair manuals for everyone.
Manuals through 2025 now available!

Our trusted friends have launched a new website named LEMON, which has newer manuals. It also contains all the CHARM manuals.

LEMON is the spiritual successor to CHARM, I recommend you try it!

Link: lemon-manuals.la or lemon-manuals.org.ua

(Some people have issue connecting. LEMON is investigating. For now, use Firefox or change your DNS server)

Or, hide this message: temporarily or permanently

System Schematic

Airbag System:





Premium Audio System:





Base Audio System:





Remote Radio Controls:





CD Changer:





Automatic Zone Control - LHD:





Automatic Zone Control - RHD:





Manual Temperature Control:





Chime:





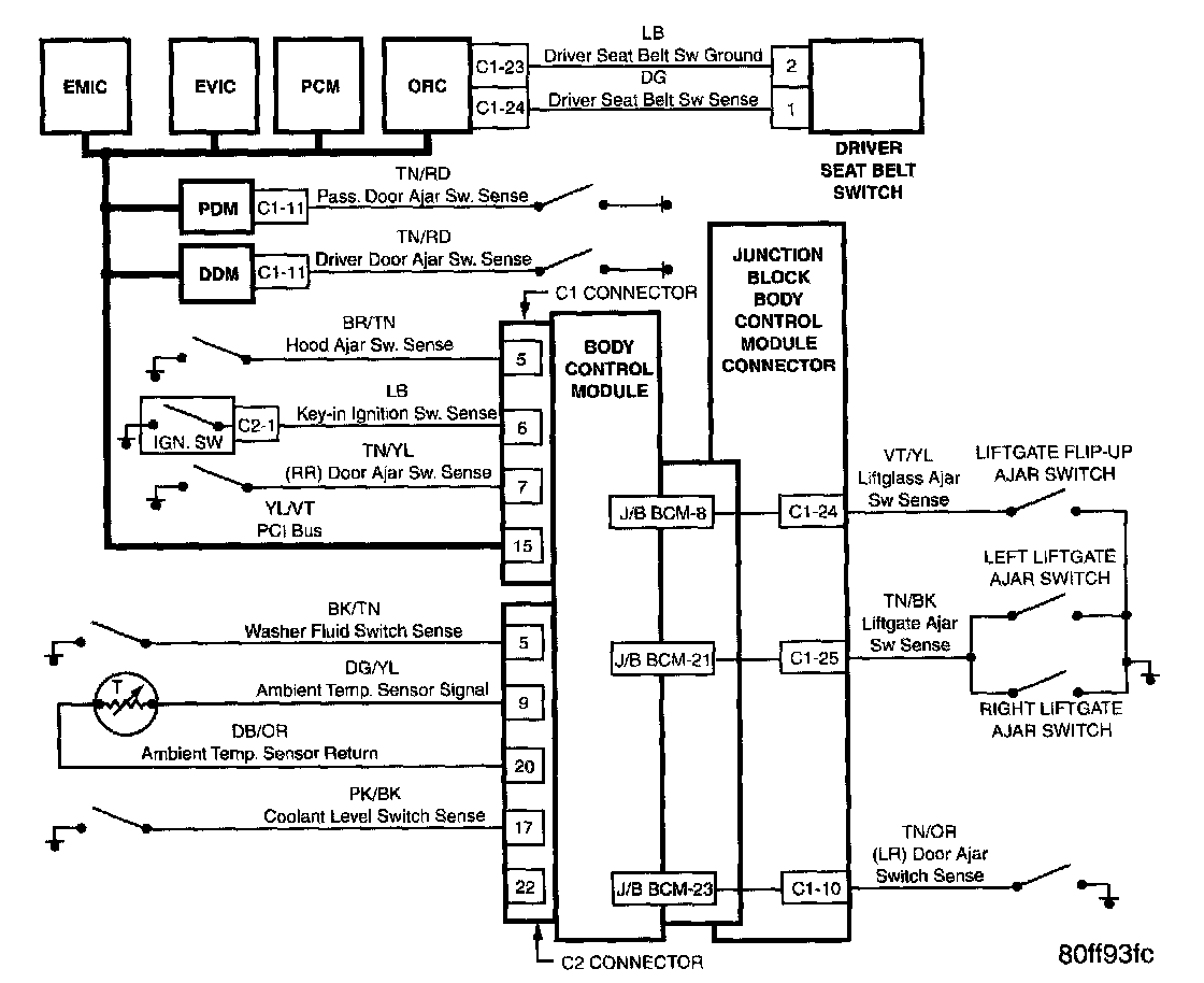
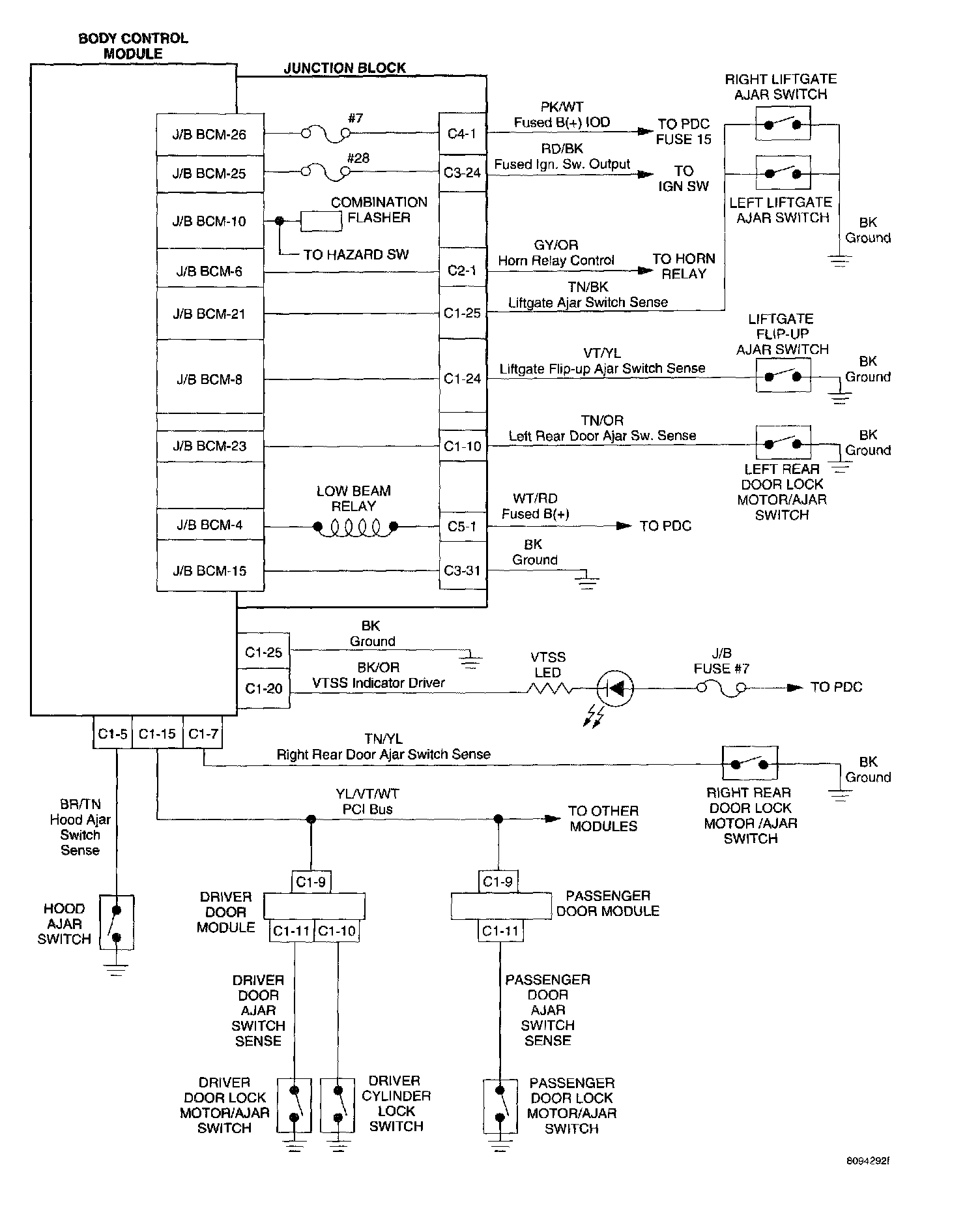
Door Ajar System:





EVIC:





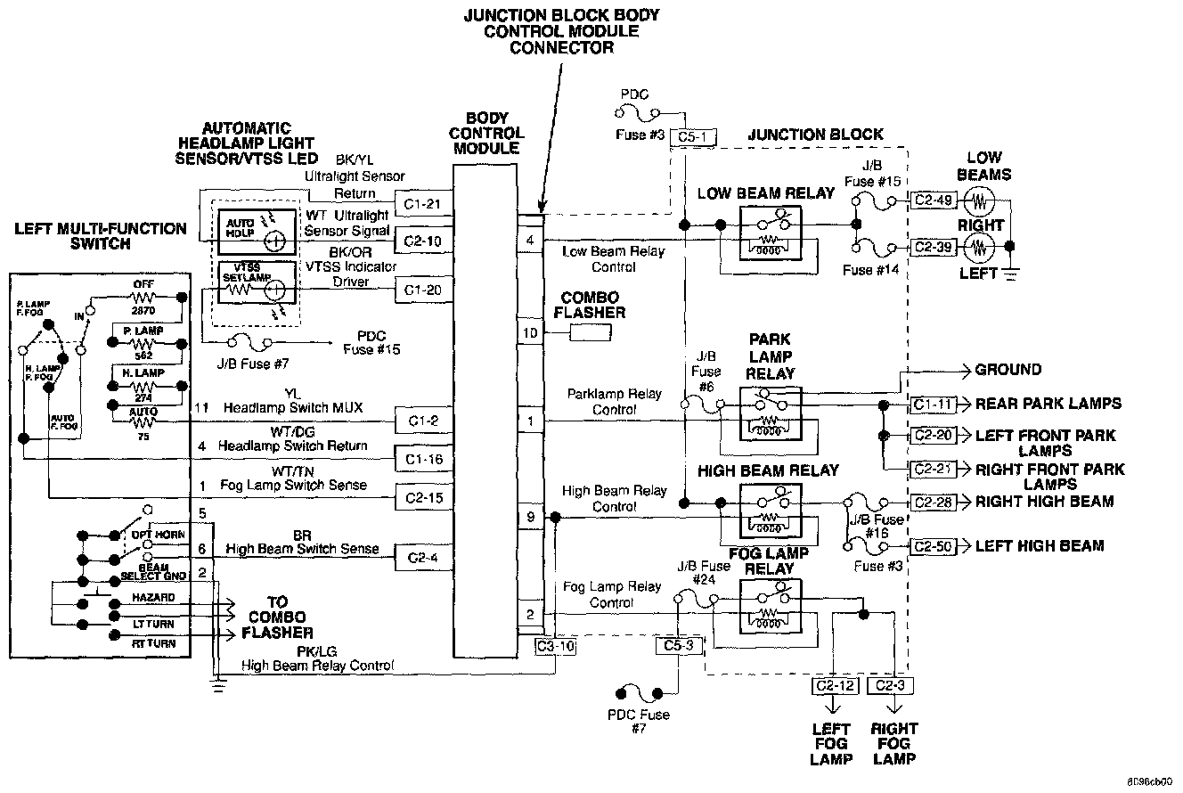
Exterior Lighting:





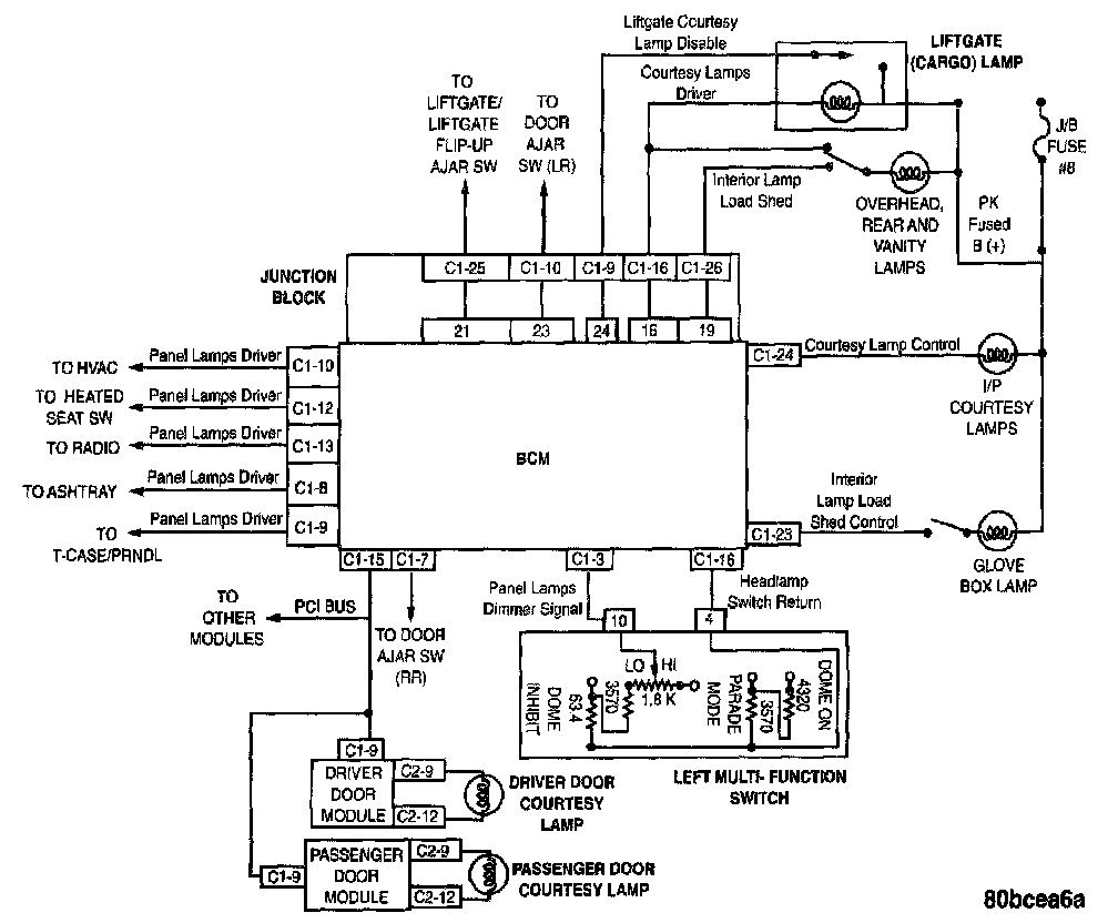
Interior Lighting:









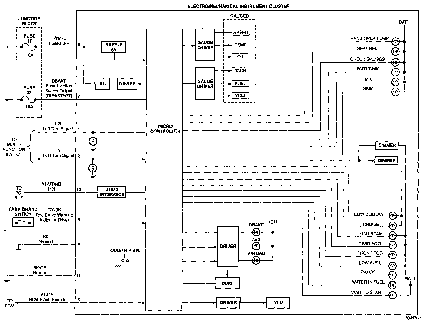
Mechanical Instrument Cluster:





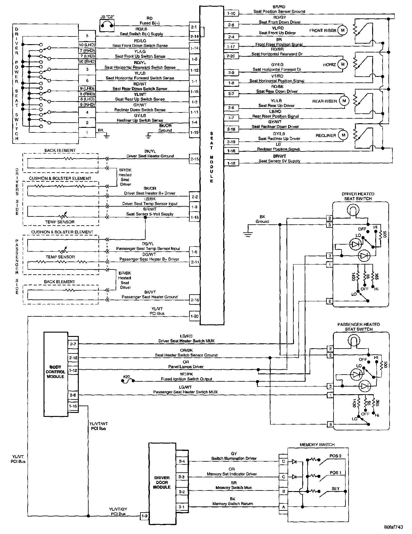
Memory Heated Seats:





Power Door Locks:





Power Mirror System - Driver Mirror:





Power Mirror System - Passenger Mirror:





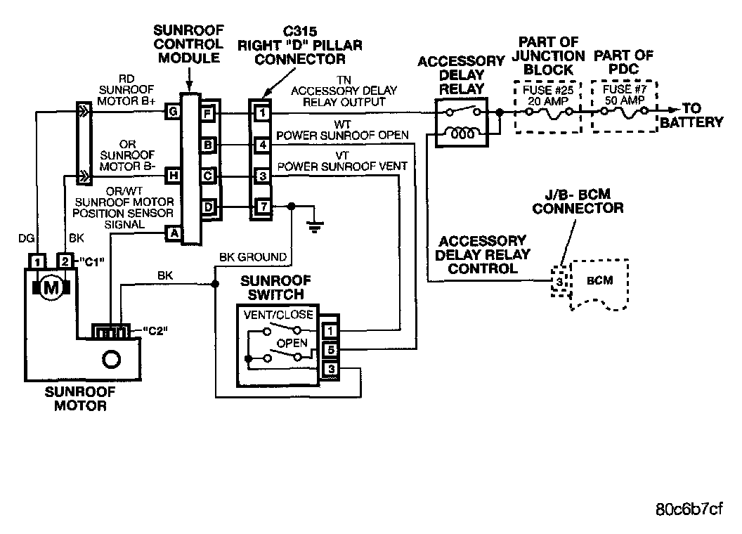
Power Sunroof:





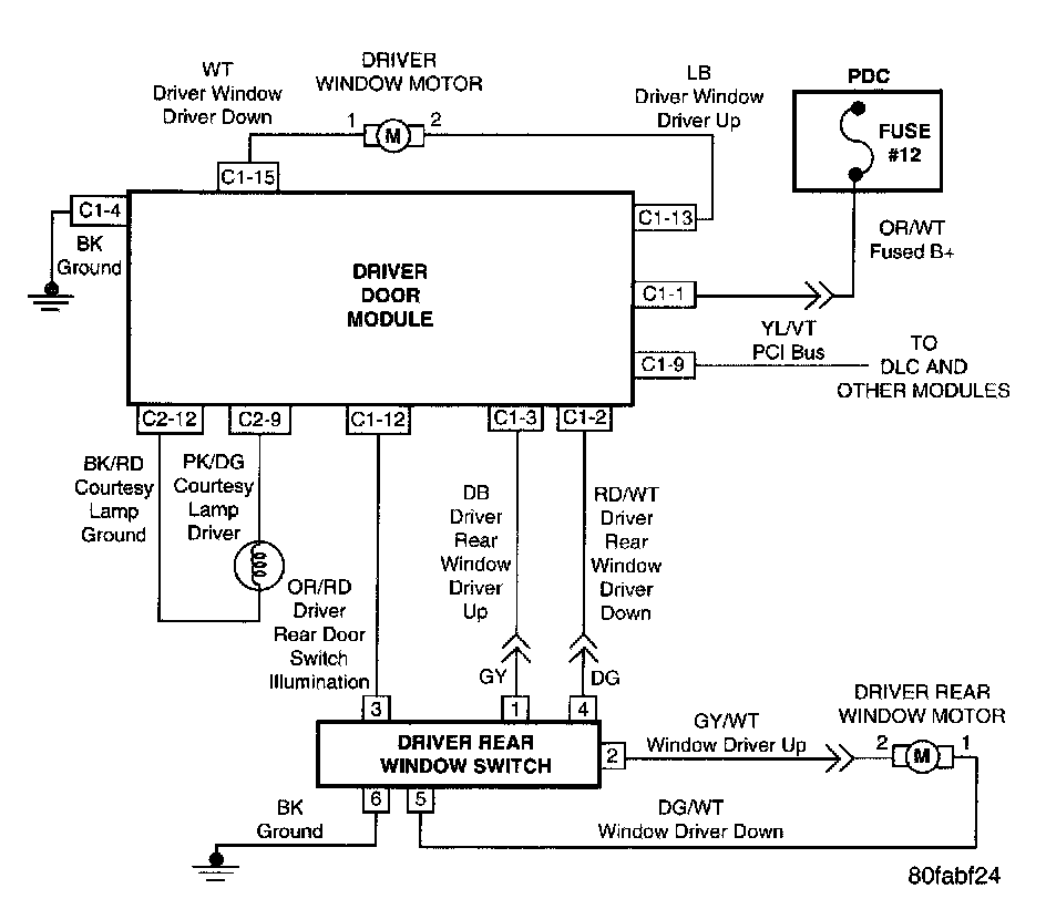
power Windows - Driver Side:





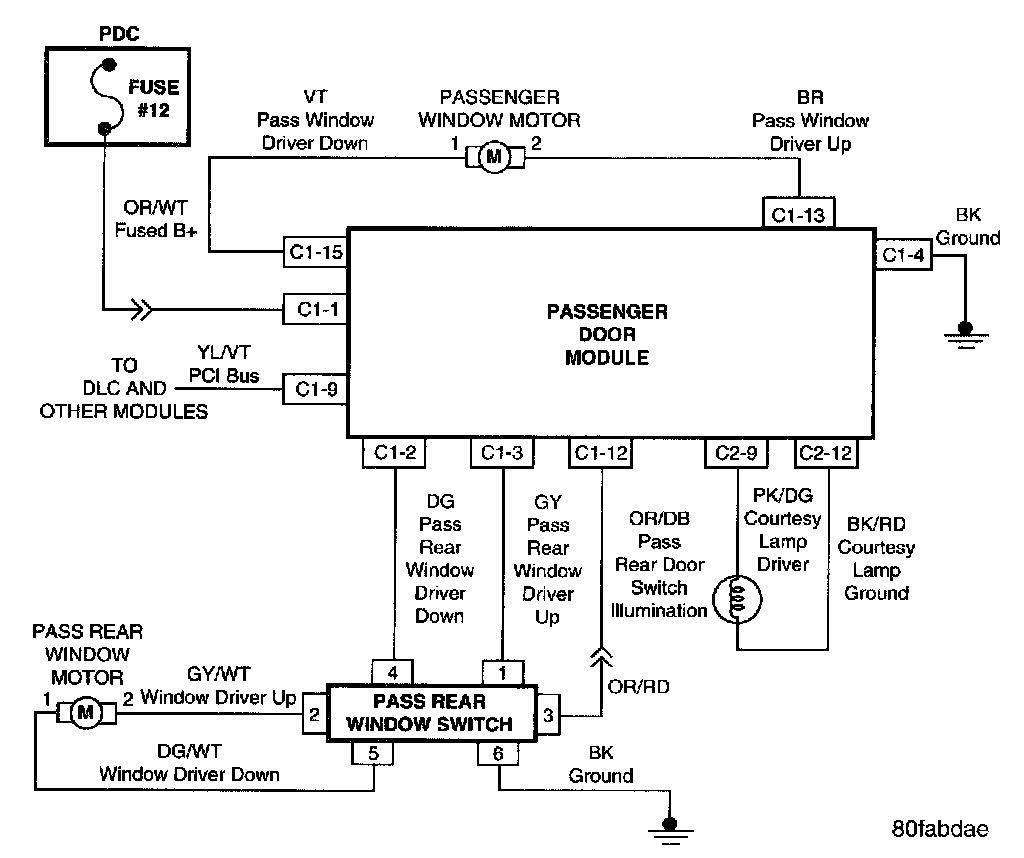
Power Windows - Passenger Side:





Vehicle Communication - LHD:





Vehicle Communication - RHD:





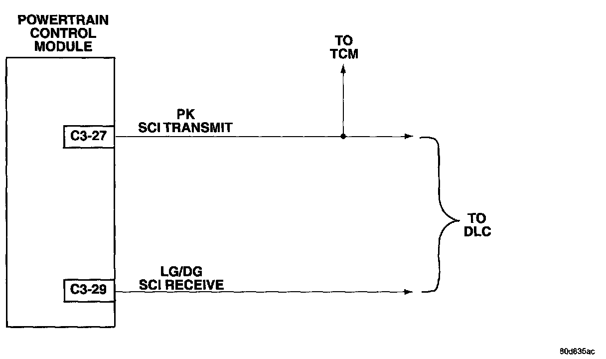
PCM Communication:





Vehicle Theft Security System (VTSS):





Intrusion Transceiver Module (Export Only):





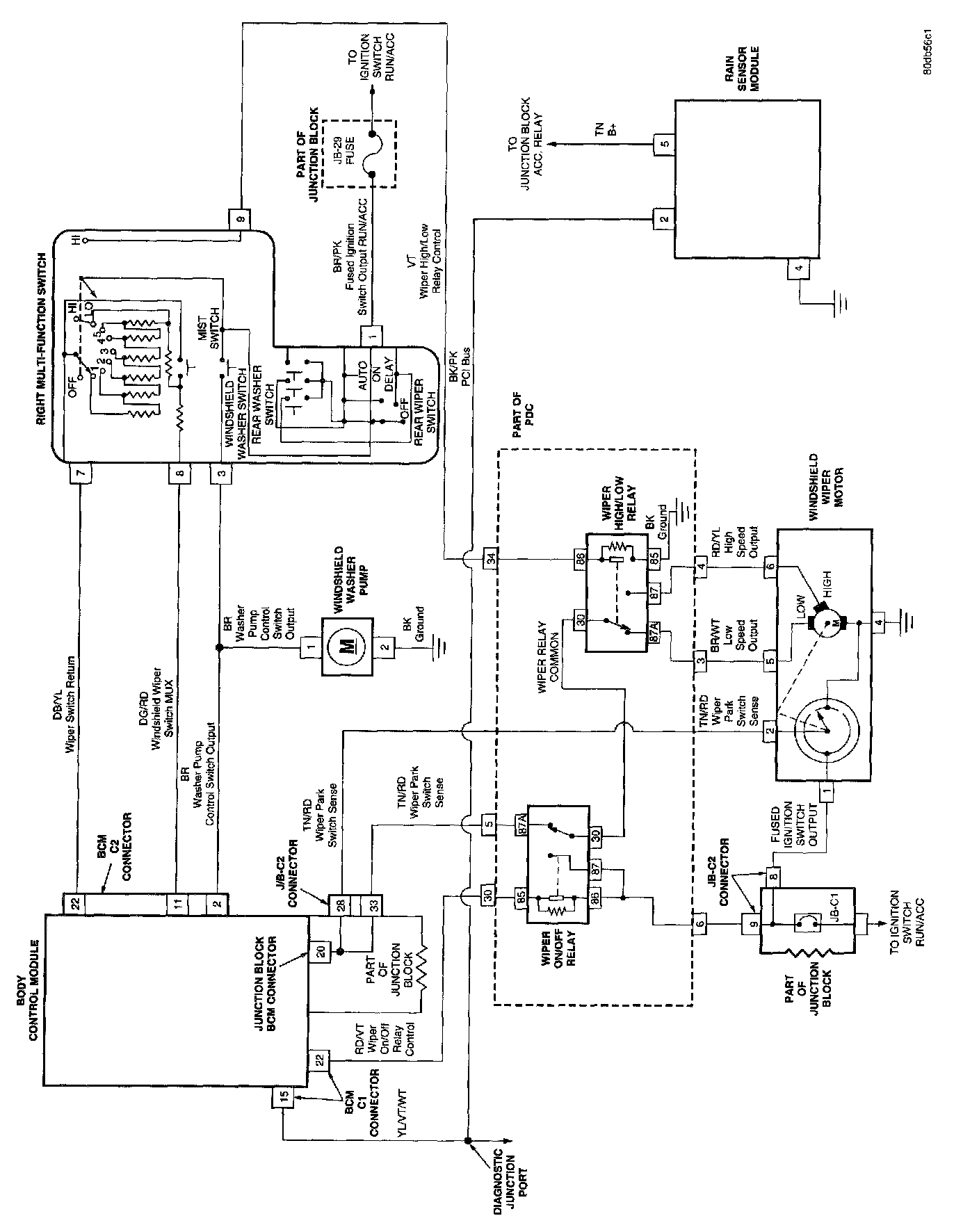
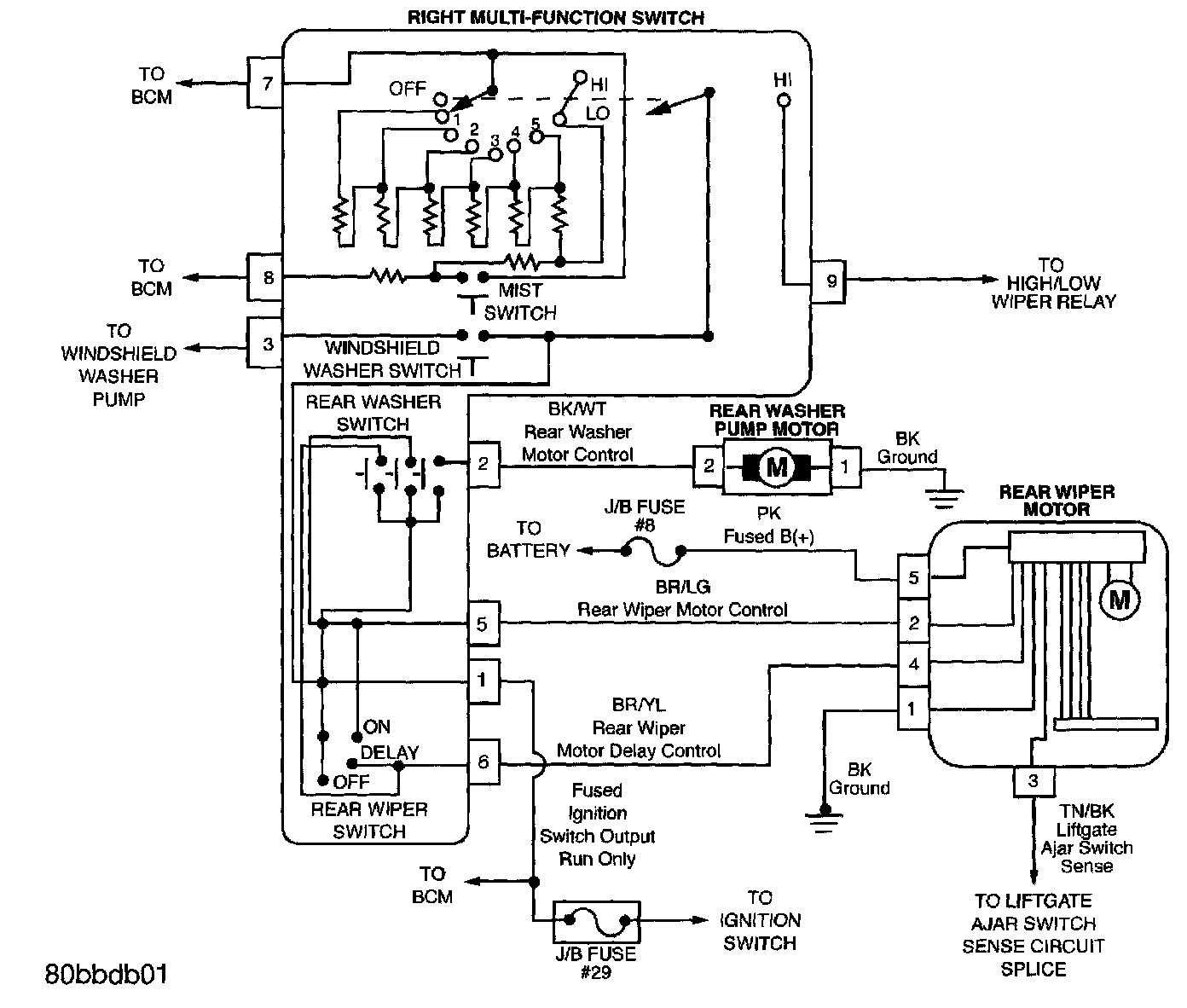
Windshield Wiper System - Front Wipers:





Windshield Wiper System - Rear Wiper System: