Operation CHARM: Car repair manuals for everyone.
Manuals through 2025 now available!

Our trusted friends have launched a new website named LEMON, which has newer manuals. It also contains all the CHARM manuals.

LEMON is the spiritual successor to CHARM, I recommend you try it!

Link: lemon-manuals.la or lemon-manuals.org.ua

(Some people have issue connecting. LEMON is investigating. For now, use Firefox or change your DNS server)

Or, hide this message: temporarily or permanently

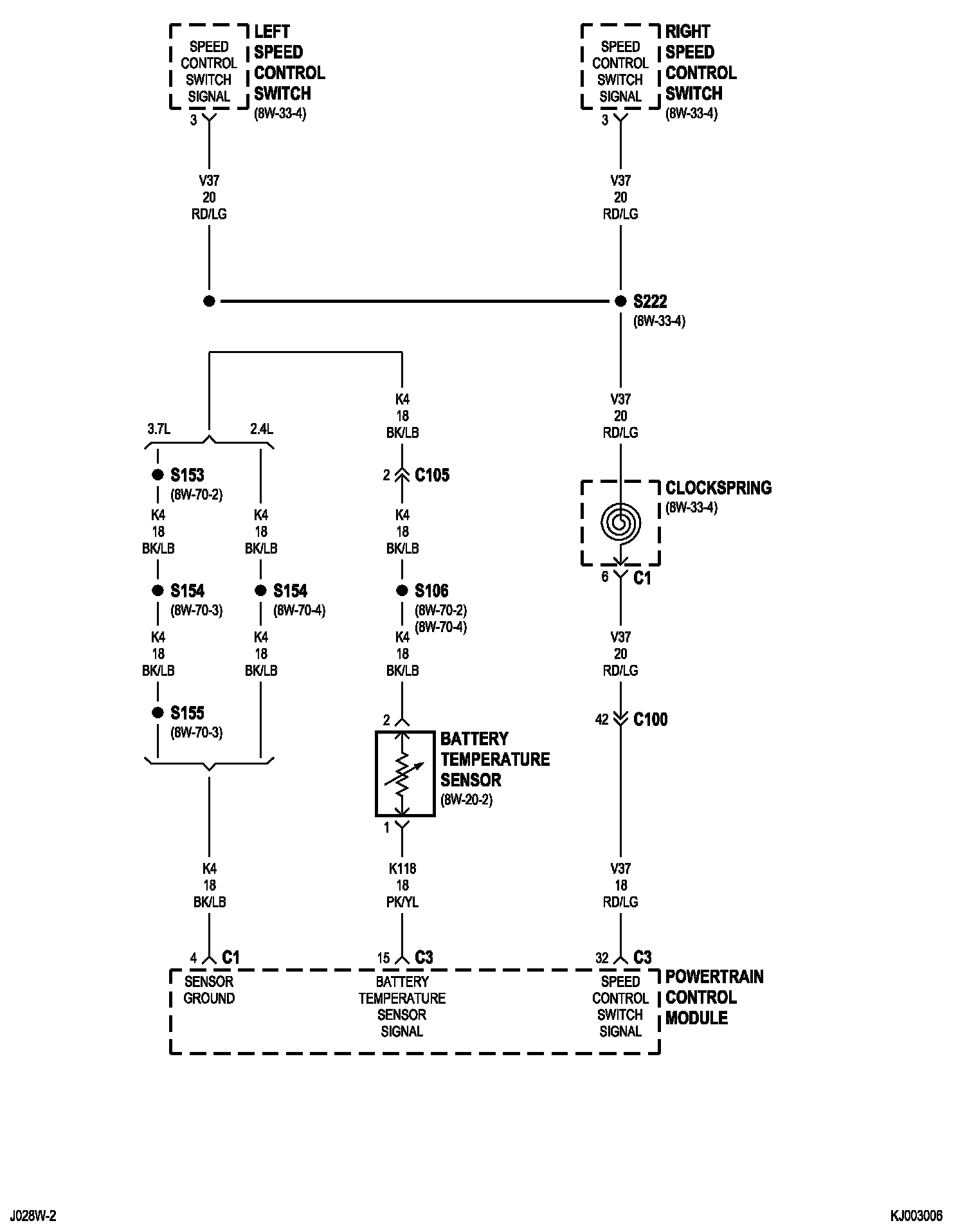
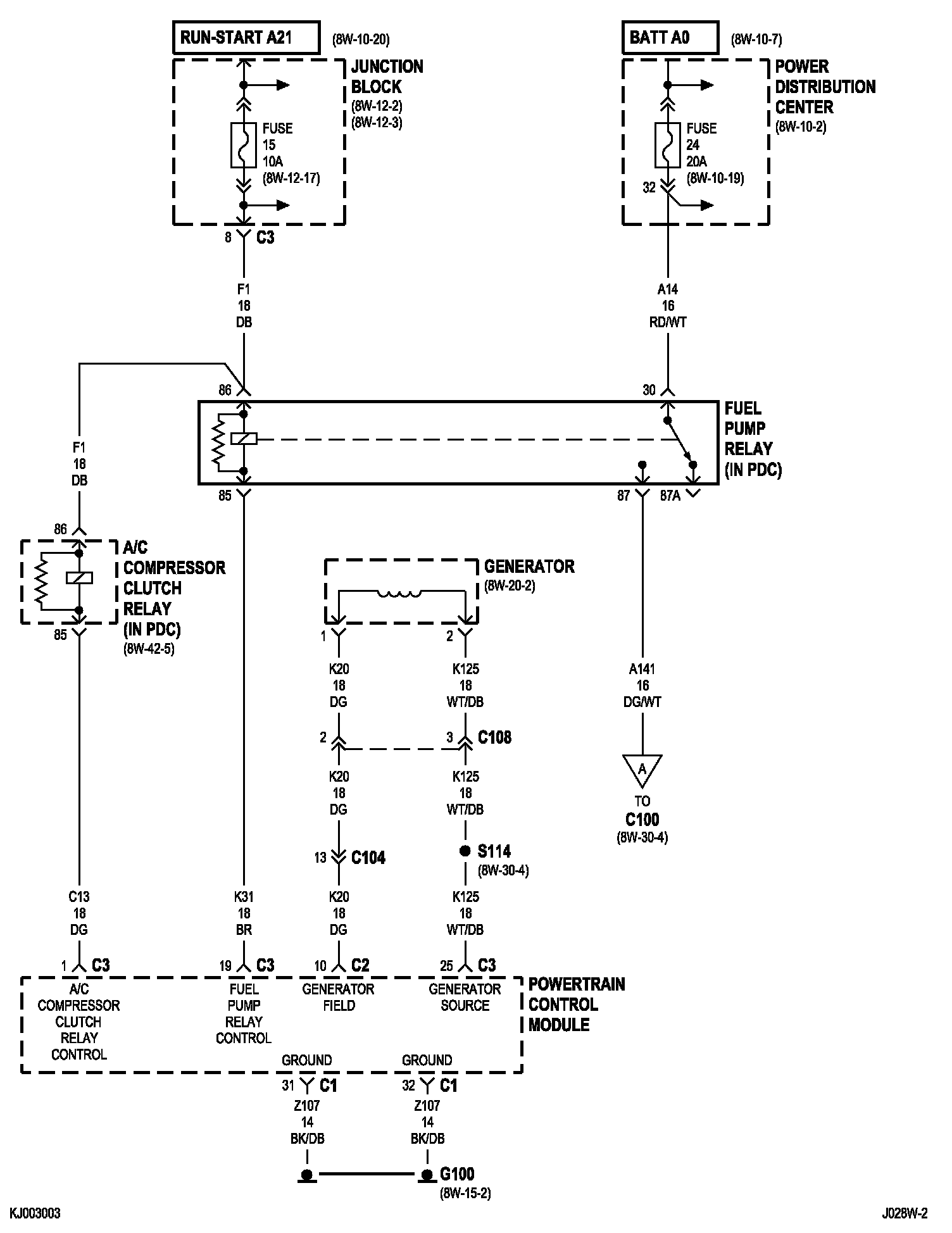
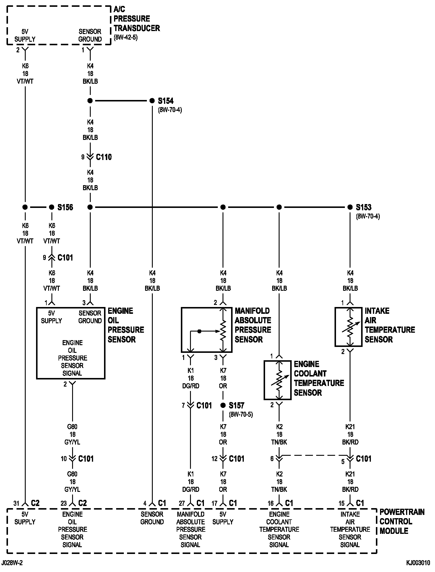
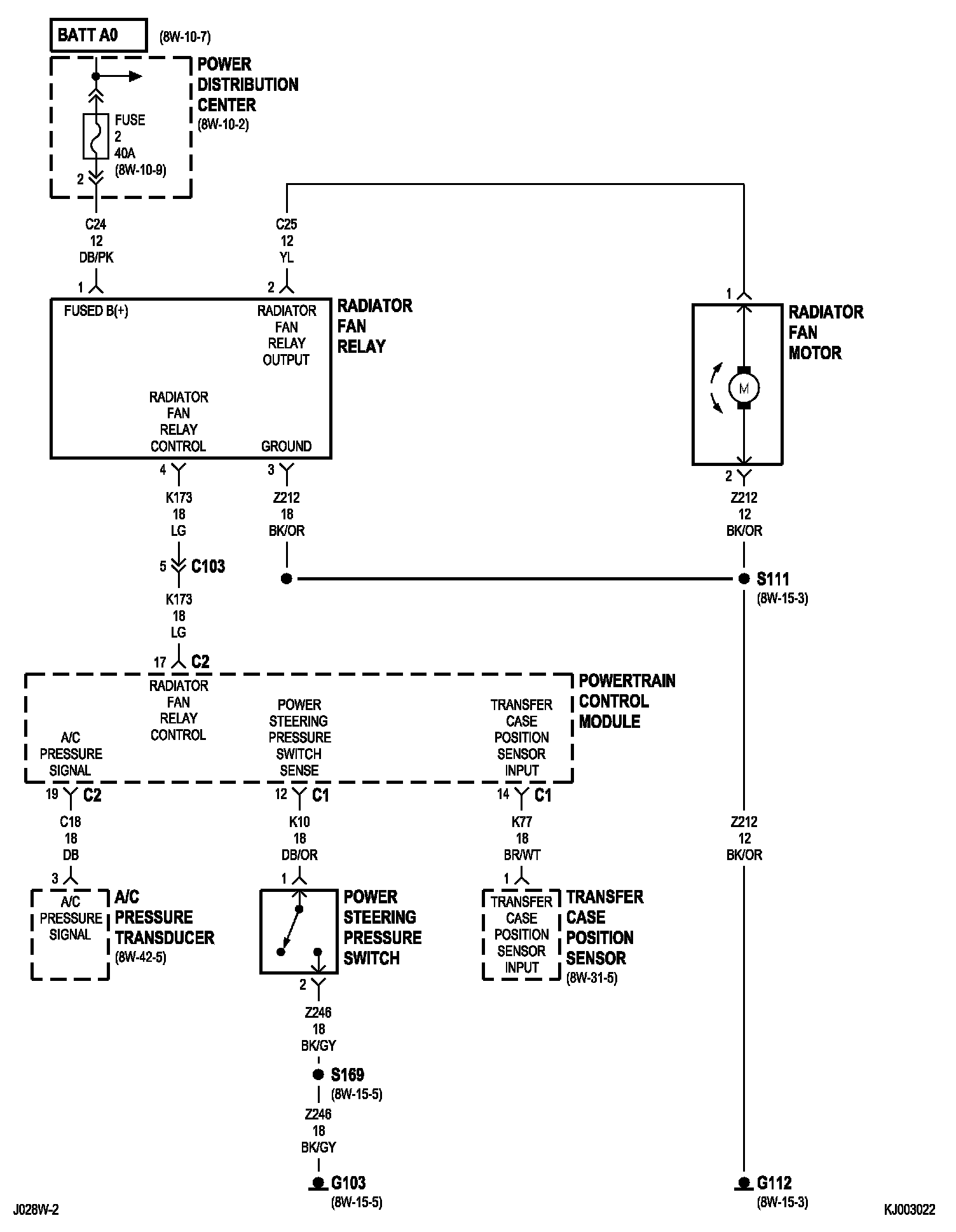
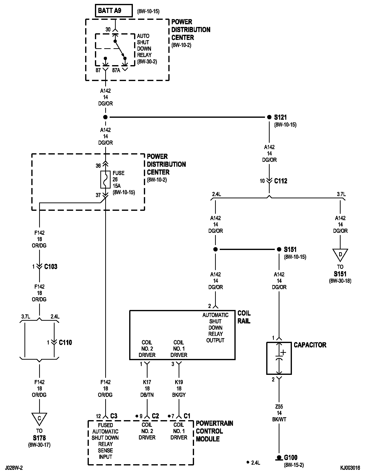
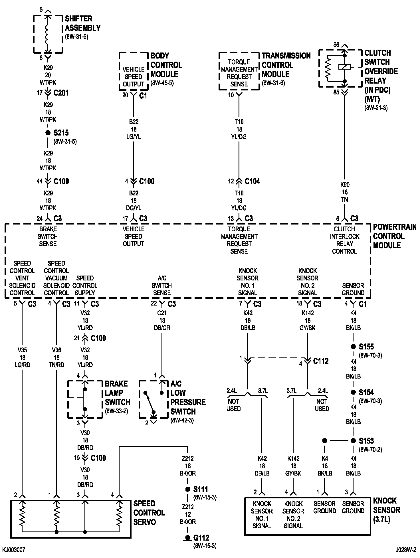
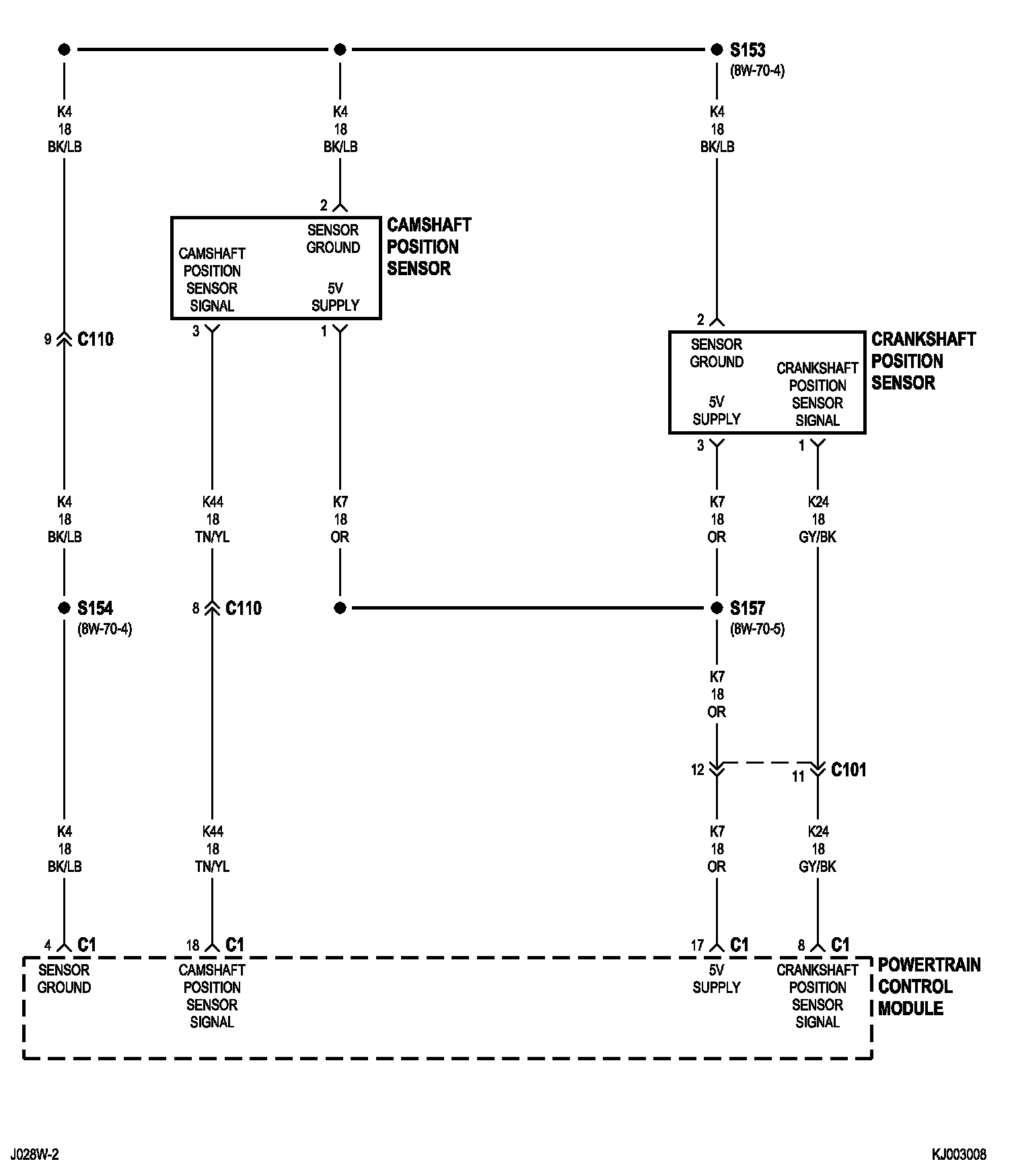
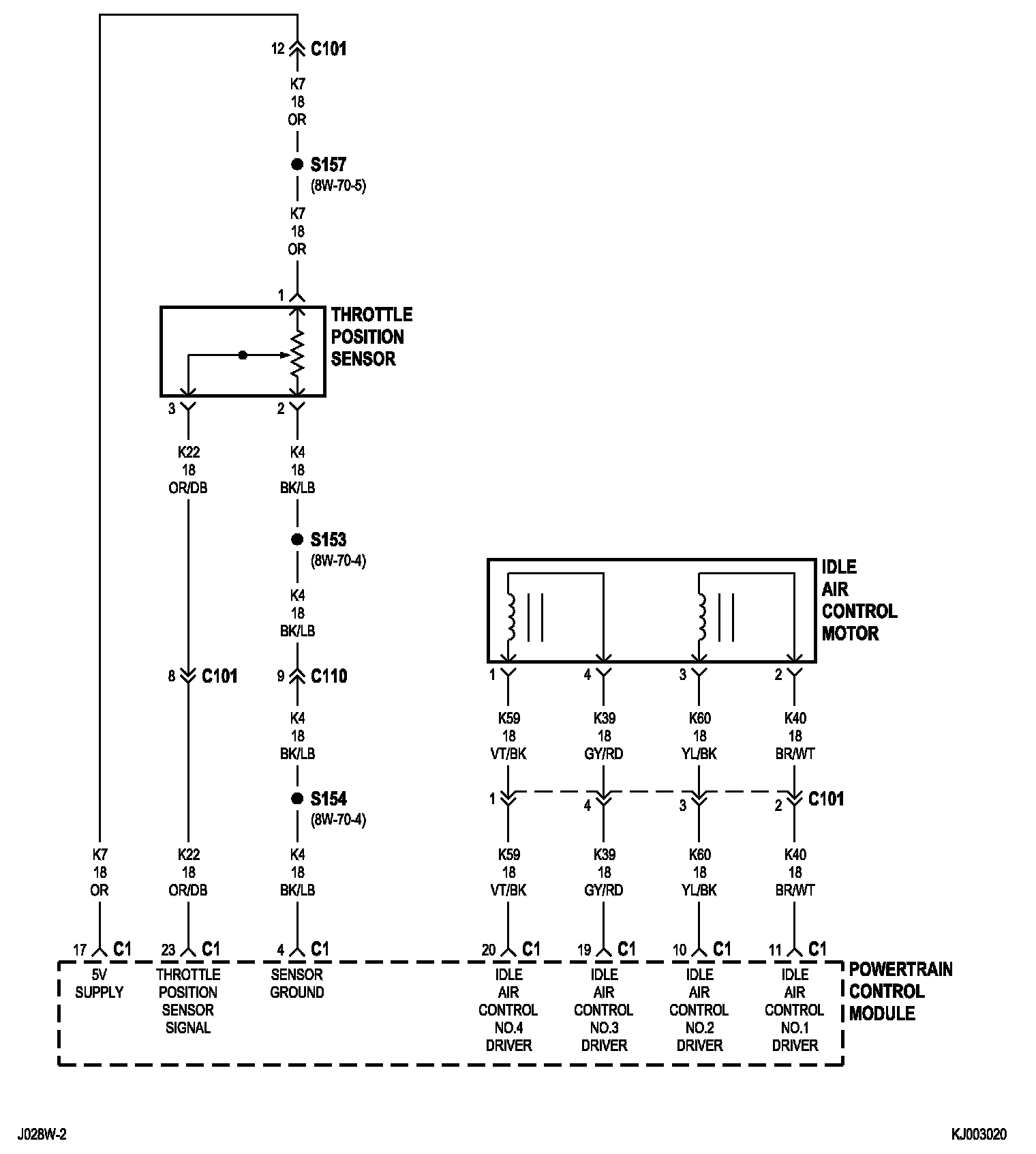
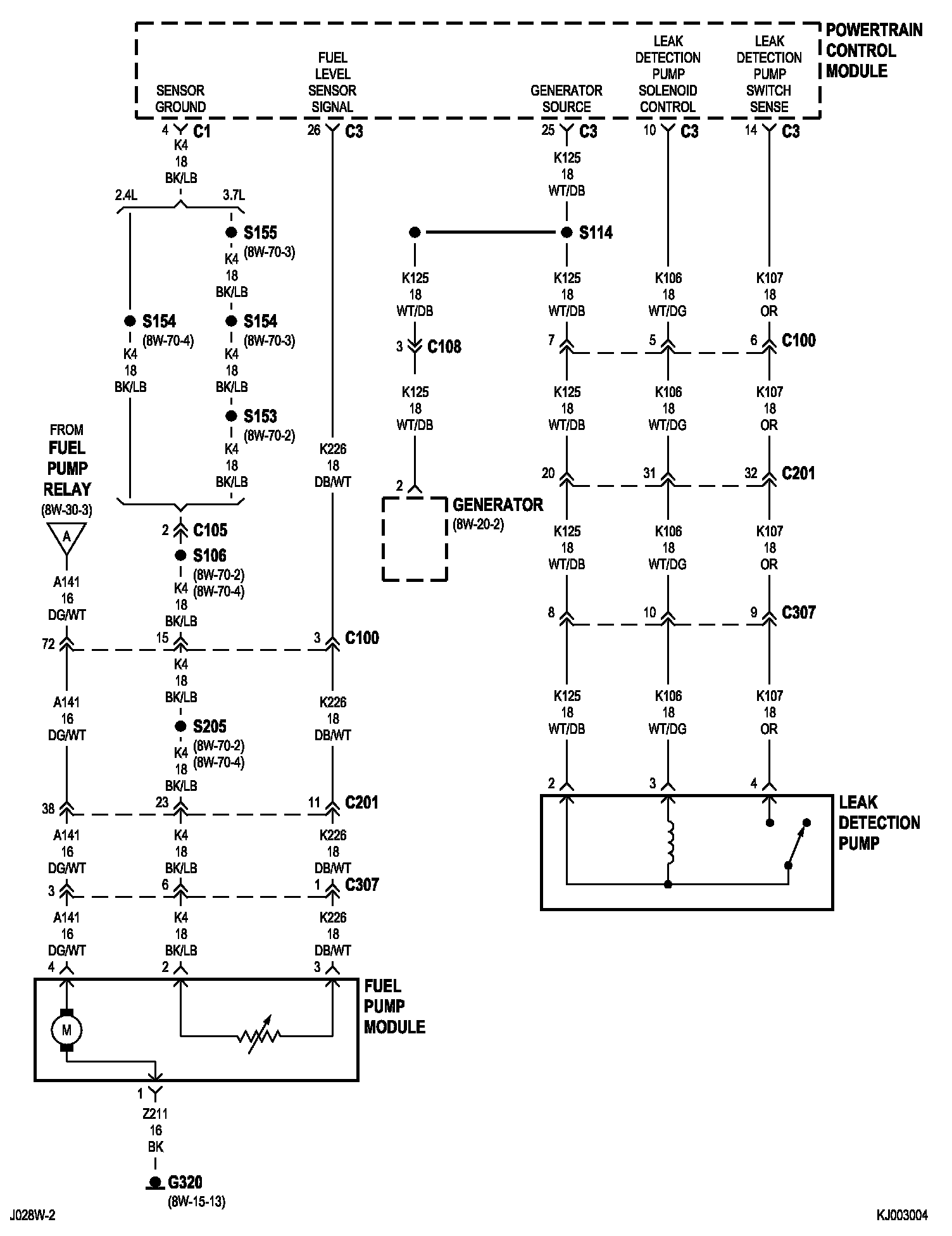
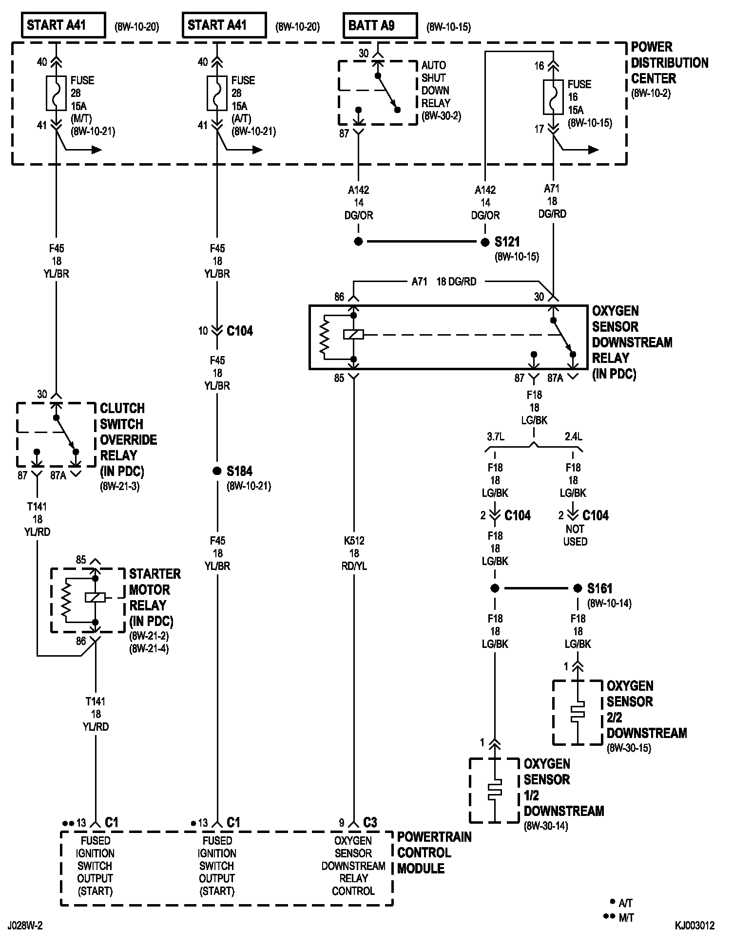
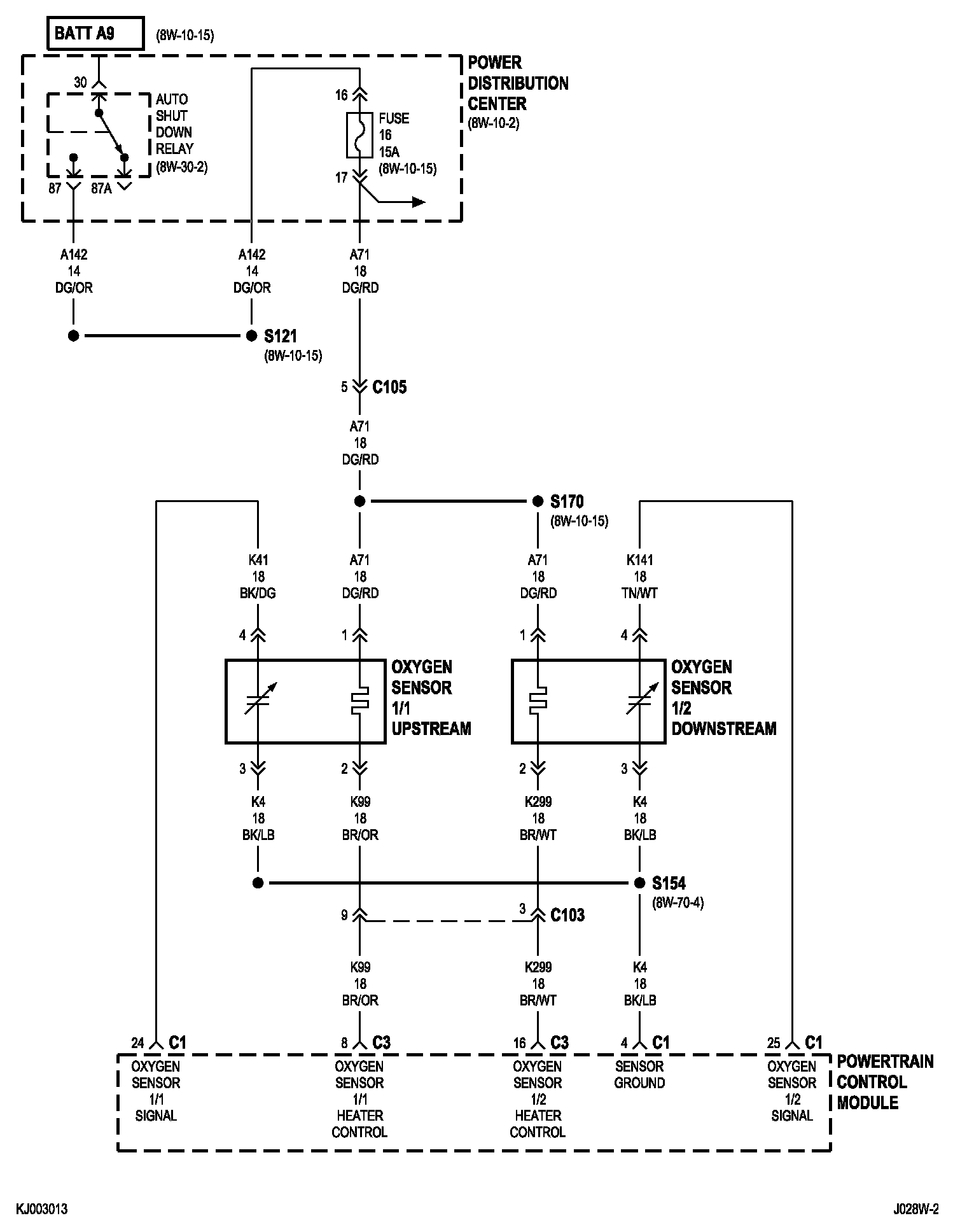
Electrical Diagrams





8w-30-2:




8w-30-3:




8w-30-4:




8W-30-5:




8W-30-6:




8W-30-7:




8W-30-8:




8W-30-10:




8W-30-12:




8W-30-13:




8W-30-16:




8W-30-17:




8W-30-20:




8W-30-22:






NOTE: To view sheets referred to in these diagrams, see Complete Body and Chassis Diagrams. Electrical Diagrams