Operation CHARM: Car repair manuals for everyone.
Manuals through 2025 now available!

Our trusted friends have launched a new website named LEMON, which has newer manuals. It also contains all the CHARM manuals.

LEMON is the spiritual successor to CHARM, I recommend you try it!

Link: lemon-manuals.la or lemon-manuals.org.ua

(Some people have issue connecting. LEMON is investigating. For now, use Firefox or change your DNS server)

Or, hide this message: temporarily or permanently

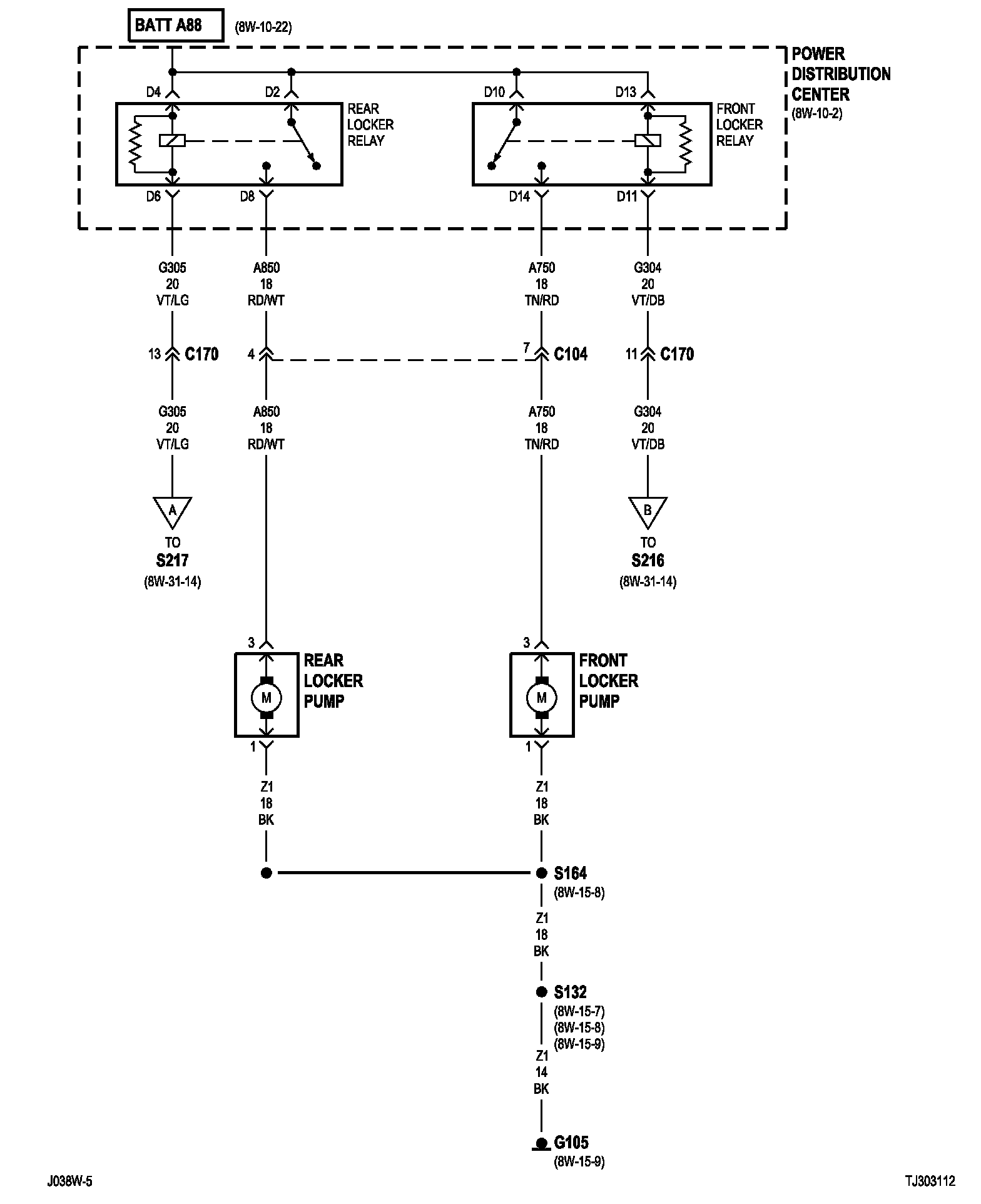
8W-31-12

PLEASE NOTE: Some diagram sheets may appear to be missing because of gaps in the number sequences. These "gaps" are actually for diagrams that do not apply to the vehicle model selected.


8w-31-12 (Off-Road Package):






Next Diagram 8W-31-13

Previous Diagram 8W-31-11


NOTE: Other diagrams referred to by number (8W-70-2, etc.) within these diagrams can be found at Diagrams by Number. Diagrams By Number