Operation CHARM: Car repair manuals for everyone.
Manuals through 2025 now available!

Our trusted friends have launched a new website named LEMON, which has newer manuals. It also contains all the CHARM manuals.

LEMON is the spiritual successor to CHARM, I recommend you try it!

Link: lemon-manuals.la or lemon-manuals.org.ua

(Some people have issue connecting. LEMON is investigating. For now, use Firefox or change your DNS server)

Or, hide this message: temporarily or permanently

Emission Control Systems: Description and Operation

EVAPORATIVE EMISSIONS
Evaporation Control System
The evaporation control system prevents the emission of fuel tank vapors into the atmosphere. When fuel evaporates in the fuel tank, the vapors pass through the control valve, through the fuel management valve, and through vent hoses and tubes to a charcoal filled evaporative canister. The canister temporarily holds the vapors. The Powertrain Control Module (PCM) allows intake manifold vacuum to draw vapors into the combustion chambers during certain operating conditions.

Gas powered engines use a duty cycle purge system. The PCM controls vapor flow by operating the duty cycle EVAP purge solenoid. Refer to Duty Cycle EVAP Canister Purge Solenoid.

When equipped with certain emissions packages, a Leak Detection Pump (LDP) will be used as part of the evaporative system for OBD II requirements. Also refer to Leak Detection Pump.

Vehicles powered with gasoline engines are also equipped with ORVR (On-Board Refueling Vapor Recovery). Refer to ORVR for additional information.

NOTE: The evaporative system uses specially manufactured lines/hoses. If replacement becomes necessary, only use fuel resistant, low permeation hose.

Fig. 1 ORVR/LDP Components:




Certain components can be found in.

4.0L CCV System
The 4.0L 6-cylinder engine is equipped with a Crankcase Ventilation (CCV) system. The system consists of:

Fig. 2 CCV System - 4.0L Engine:




- A fixed orifice fitting of a calibrated size. This fitting is pressed into a rubber grommet located on the top/rear of cylinder head (valve) cover.
- a pair of breather tubes (lines) to connect the system components.
- the air cleaner housing.
- an air inlet fitting.

The CCV system performs the same function as a conventional PCV system, but does not use a vacuum controlled PCV valve.

The fixed orifice fitting meters the amount of crankcase vapors drawn out of the engine.

When the engine is operating, fresh air enters the engine and mixes with crankcase vapors. Engine vacuum draws the vapor/air mixture through the fixed orifice and into the intake manifold. The vapors are then consumed during engine combustion.

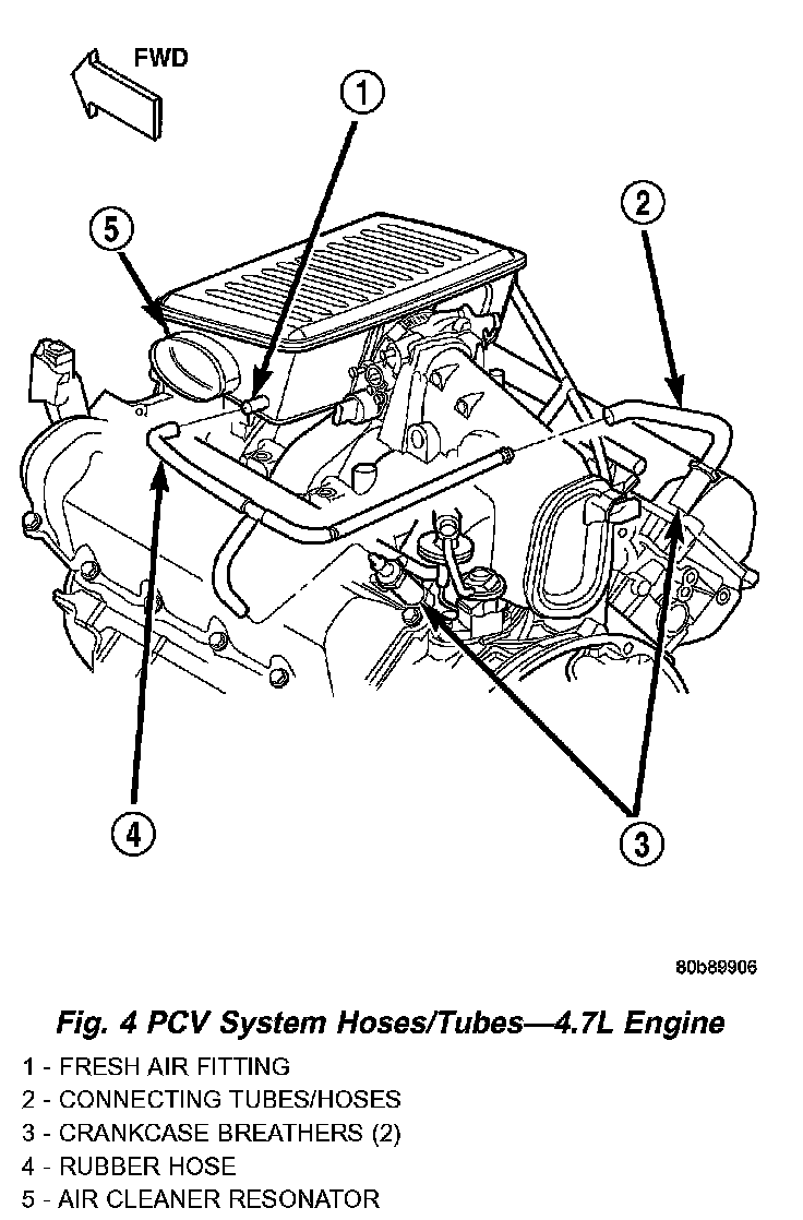
4.7L PCV System
The 4.7L V-8 engine is equipped with a closed crankcase ventilation system and a Positive Crankcase Ventilation (PCV) valve.

Fig. 3 PCV Valve/Oil Filler Tube (Housing) - 4.7L Engine:




- a PCV valve mounted to the oil filler housing. The PCV valve is sealed to the oil filler housing with an O-ring.
- the air cleaner housing.

Fig. 4 PCV System Hoses/Tubes - 4.7L Engine:




- two interconnected breathers threaded into the rear of each cylinder head.
- tubes and hose to connect the system components.

The PCV system operates by engine intake manifold vacuum. Filtered air is routed into the crankcase through the air cleaner hose and crankcase breathers. The metered air, along with crankcase vapors, are drawn through the PCV valve and into a passage in the intake manifold. The PCV system manages crankcase pressure and meters blow-by gases to the intake system, reducing engine sludge formation.

The PCV valve contains a spring loaded plunger. This plunger meters the amount of crankcase vapors routed into the combustion chamber based on intake manifold vacuum.

Fig. 5 Engine OFF Or Engine Pop-Back - No Vapor Flow:




Fig. 6 High Intake Manifold Vacuum - Minimal Vapor Flow:




Fig. 7 Moderate Intake Manifold Vacuum - Maximum Vapor Flow:




TYPICAL PCV valves are shown in, and.

When the engine is not operating, or during an engine pop-back, the spring forces the plunger back against the seat. This will prevent vapors from flowing through the valve.

During periods of high manifold vacuum, such as idle or cruising speeds, vacuum is sufficient to completely compress spring. It will then pull the plunger to the top of the valve. In this position there is minimal vapor flow through the valve.

During periods of moderate manifold vacuum, the plunger is only pulled part way back from inlet. This results in maximum vapor flow through the valve.

EVAP/PURGE SOLENOID
The duty cycle EVAP canister purge solenoid (DCP) regulates the rate of vapor flow from the EVAP canister to the intake manifold. The Powertrain Control Module (PCM) operates the solenoid.

During the cold start warm-up period and the hot start time delay, the PCM does not energize the solenoid. When de-energized, no vapors are purged. The PCM de-energizes the solenoid during open loop operation.

The engine enters closed loop operation after it reaches a specified temperature and the time delay ends. During closed loop operation, the PCM cycles (energizes and de-energizes) the solenoid 5 or 10 times per second, depending upon operating conditions. The PCM varies the vapor flow rate by changing solenoid pulse width. Pulse width is the amount of time that the solenoid is energized. The PCM adjusts solenoid pulse width based on engine operating condition.

FUEL FILLER CAP
The plastic fuel tank filler tube cap is threaded onto the end of the fuel fill tube. Certain models are equipped with a 1/4 turn cap.

The loss of any fuel or vapor out of fuel filler tube is prevented by the use of a pressure-vacuum fuel fill cap. Relief valves inside the cap will release fuel tank pressure at predetermined pressures. Fuel tank vacuum will also be released at predetermined values. This cap must be replaced by a similar unit if replacement is necessary This is in order for the system to remain effective.

CAUTION: Remove fill cap before servicing any fuel system component to relieve tank pressure. If equipped with a California emissions package and a Leak Detection Pump (LDP), the cap must be tightened securely. If cap is left loose, a Diagnostic Trouble Code (DTC) may be set.

LEAK DETECTION PUMP

Fig. 11 Typical System Components:




The evaporative emission system is designed to prevent the escape of fuel vapors from the fuel system. Leaks in the system, even small ones, can allow fuel vapors to escape into the atmosphere. Government regulations require onboard testing to make sure that the evaporative (EVAP) system is functioning properly. The leak detection system tests for EVAP system leaks and blockage. It also performs self-diagnostics. During self-diagnostics, the Powertrain Control Module (PCM) first checks the Leak Detection Pump (LDP) for electrical and mechanical faults. If the first checks pass, the PCM then uses the LDP to seal the vent valve and pump air into the system to pressurize it. If a leak is present, the PCM will continue pumping the LDP to replace the air that leaks out. The PCM determines the size of the leak based on how fast/long it must pump the LDP as it tries to maintain pressure in the system.

Fig. 12 EVAP Leak Detection System Components:




The main purpose of the LDP is to pressurize the fuel system for leak checking. It closes the EVAP system vent to atmospheric pressure so the system can be pressurized for leak testing. The diaphragm is powered by engine vacuum. It pumps air into the EVAP system to develop a pressure of about 7.5" H2O (1/4) psi. A reed switch in the LDP allows the PCM to monitor the position of the LDP diaphragm. The PCM uses the reed switch input to monitor how fast the LDP is pumping air into the EVAP system. This allows detection of leaks and blockage. The LDP assembly consists of several parts. The solenoid is controlled by the PCM, and it connects the upper pump cavity to either engine vacuum or atmospheric pressure. A vent valve closes the EVAP system to atmosphere, sealing the system during leak testing. The pump section of the LDP consists of a diaphragm that moves up and down to bring air in through the air filter and inlet check valve, and pump it out through an outlet check valve into the EVAP system. The diaphragm is pulled up by engine vacuum, and pushed down by spring pressure, as the LDP solenoid turns ON and OFF. The LDP also has a magnetic reed switch to signal diaphragm position to the PCM. When the diaphragm is down, the switch is closed, which sends a 12 V (system voltage) signal to the PCM. When the diaphragm is up, the switch is open, and there is no voltage sent to the PCM. This allows the PCM to monitor LDP pumping action as it turns the LDP solenoid ON and OFF.

EVAP Leak Detection System Components
Service Port: Used with special tools like the Miller Evaporative Emissions Leak Detector (EELD) to test for leaks in the system.

EVAP Purge Solenoid: The PCM uses the EVAP purge solenoid to control purging of excess fuel vapors stored in the EVAP canister. It remains closed during leak testing to prevent loss of pressure.

EVAP Canister: The EVAP canister stores fuel vapors from the fuel tank for purging.

EVAP Purge Orifice: Limits purge volume.

EVAP System Air Filter: Provides air to the LDP for pressurizing the system. It filters out dirt while allowing a vent to atmosphere for the EVAP system.

Fig. 13 LDP At Rest:




LDP At Rest (not Powered)
When the LDP is at rest (no electrical/vacuum) the diaphragm is allowed to drop down if the internal (EVAP system) pressure is not greater than the return spring. The LDP solenoid blocks the engine vacuum port and opens the atmospheric pressure port connected through the EVAP system air filter. The vent valve is held open by the diaphragm. This allows the canister to see atmospheric pressure.

Fig. 14 Diaphragm Upward Movement:




Diaphragm Upward Movement
When the PCM energizes the LDP solenoid, the solenoid blocks the atmospheric port leading through the EVAP air filter and at the same time opens the engine vacuum port to the pump cavity above the diaphragm. The diaphragm moves upward when vacuum above the diaphragm exceeds spring force. This upward movement closes the vent valve. It also causes low pressure below the diaphragm, unseating the inlet check valve and allowing air in from the EVAP air filter. When the diaphragm completes its upward movement, the LDP reed switch turns from closed to open.

Fig. 15 Diaphragm Downward Movement:




Diaphragm Downward Movement
Based on reed switch input, the PCM de-energizes the LDP solenoid, causing it to block the vacuum port, and open the atmospheric port. This connects the upper pump cavity to atmosphere through the EVAP air filter. The spring is now able to push the diaphragm down. The downward movement of the diaphragm closes the inlet check valve and opens the outlet check valve pumping air into the evaporative system. The LDP reed switch turns from open to closed, allowing the PCM to monitor LDP pumping (diaphragm up/down) activity. During the pumping mode, the diaphragm will not move down far enough to open the vent valve. The pumping cycle is repeated as the solenoid is turned ON and OFF. When the evaporative system begins to pressurize, the pressure on the bottom of the diaphragm will begin to oppose the spring pressure, slowing the pumping action. The PCM watches the time from when the solenoid is de-energized, until the diaphragm drops down far enough for the reed switch to change from opened to closed. If the reed switch changes too quickly, a leak may be indicated. The longer it takes the reed switch to change state, the tighter the evaporative system is sealed. If the system pressurizes too quickly, a restriction somewhere in the EVAP system may be indicated.

Pumping Action
Action : During portions of this test, the PCM uses the reed switch to monitor diaphragm movement. The solenoid is only turned ON by the PCM after the reed switch changes from open to closed, indicating that the diaphragm has moved down. At other times during the test, the PCM will rapidly cycle the LDP solenoid ON and OFF to quickly pressurize the system. During rapid cycling, the diaphragm will not move enough to change the reed switch state. In the state of rapid cycling, the PCM will use a fixed time interval to cycle the solenoid. If the system does not pass the EVAP Leak Detection Test, the following DTCs may be set:
- P0442 - EVAP LEAK MONITOR 0.040" LEAK DETECTED
- P0455 - EVAP LEAK MONITOR LARGE LEAK DETECTED
- P0456 - EVAP LEAK MONITOR 0.020" LEAK DETECTED
- P1486 - EVAP LEAK MON PINCHED HOSE FOUND
- P1494 - LEAK DETECTION PUMP SW OR MECH FAULT
- P1495 - LEAK DETECTION PUMP SOLENOID CIRCUIT

Fig. 1 ORVR/LDP Components:




ORVR
The ORVR (On-Board Refueling Vapor Recovery) system consists of a unique fuel tank, flow management valve, fluid control valve, one-way check valve and vapor canister. Certain ORVR components can be found in.

The ORVR (On-Board Refueling Vapor Recovery) system is used to remove excess fuel tank vapors. This is done while the vehicle is being refueled. Certain ORVR components can be found in.

Fuel flowing into the fuel filler tube (approx. 1" I.D.) creates an aspiration effect drawing air into the fuel fill tube. During refueling, the fuel tank is vented to the EVAP canister to capture escaping vapors. With air flowing into the filler tube, there are no fuel vapors escaping to the atmosphere. Once the refueling vapors are captured by the EVAP canister, the vehicle's computer controlled purge system draws vapor out of the canister for the engine to burn. The vapor flow is metered by the purge solenoid so that there is no, or minimal impact on driveability or tailpipe emissions.

As fuel starts to flow through the fuel fill tube, it opens the normally closed check valve and enters the fuel tank. Vapor or air is expelled from the tank through the control valve and on to the vapor canister. Vapor is absorbed in the EVAP canister until vapor flow in the lines stops. This stoppage occurs following fuel shut-off, or by having the fuel level in the tank rise high enough to close the control valve. This control valve contains a float that rises to seal the large diameter vent path to the EVAP canister. At this point in the refueling process, fuel tank pressure increases, the check valve closes (preventing liquid fuel from spiting back at the operator), and fuel then rises up the fuel filler tube to shut off the dispensing nozzle.

VACUUM LINES
A vacuum schematic for emission related items can be found on the VECI label. Refer to Vehicle Emission Control Information (VECI) Label for label location.

VAPOR CANISTER
A maintenance free, EVAP canister is used on all gasoline powered models. The canister is attached to a two-piece support bracket located behind the left-rear wheel.

The EVAP canister is filled with granules of an activated carbon mixture. Fuel vapors entering the EVAP canister are absorbed by the charcoal granules.

The canister serves two functions: as a temporary fuel vapor storage point while refueling the vehicle for the ORVR system, as a temporary vapor storage point while the engine is running.

Fuel tank pressure vents into the EVAP canister. Fuel vapors are temporarily held in the canister until they can be drawn into the intake manifold. The duty cycle EVAP canister purge solenoid allows the EVAP canister to be purged at predetermined times and at certain engine operating conditions.

Refer to ORVR for additional information.