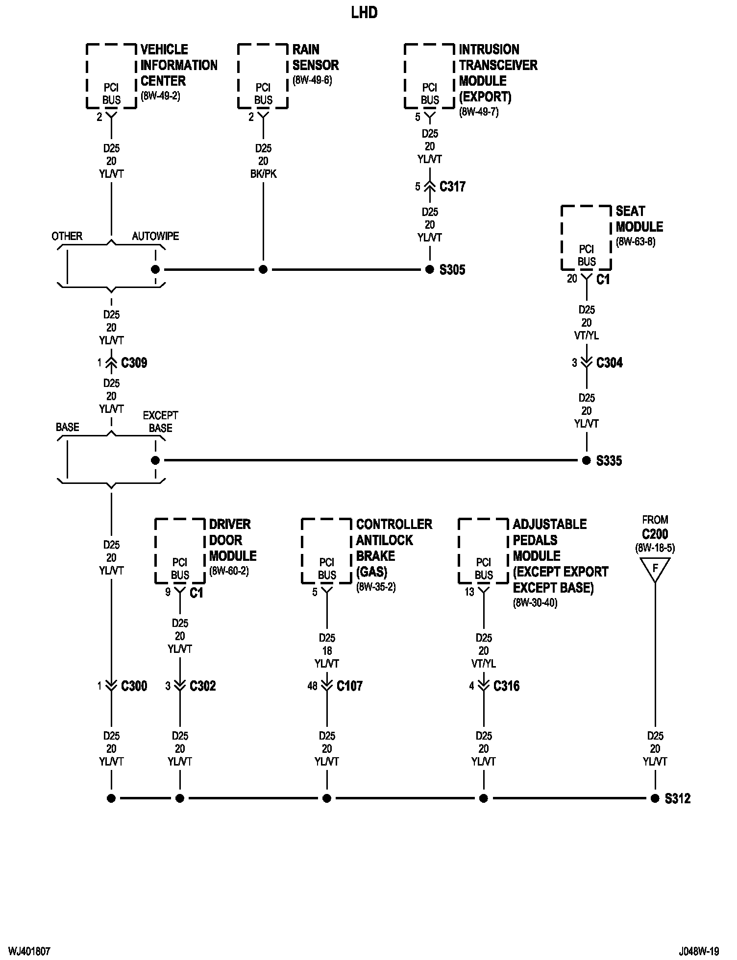
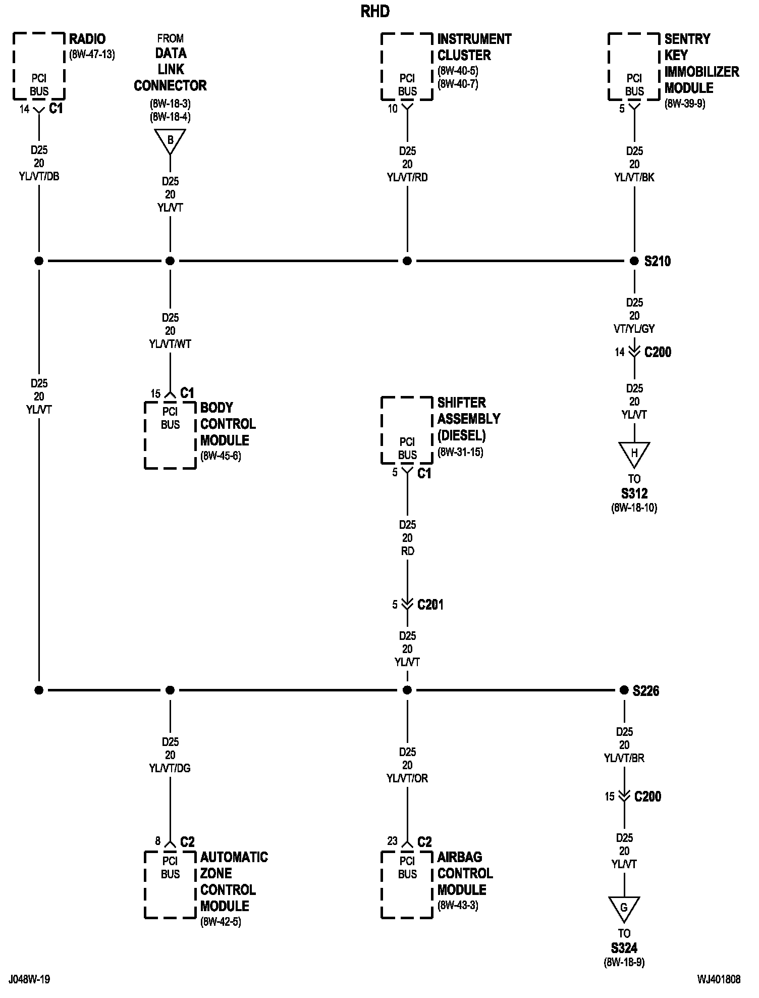
Electrical Diagrams
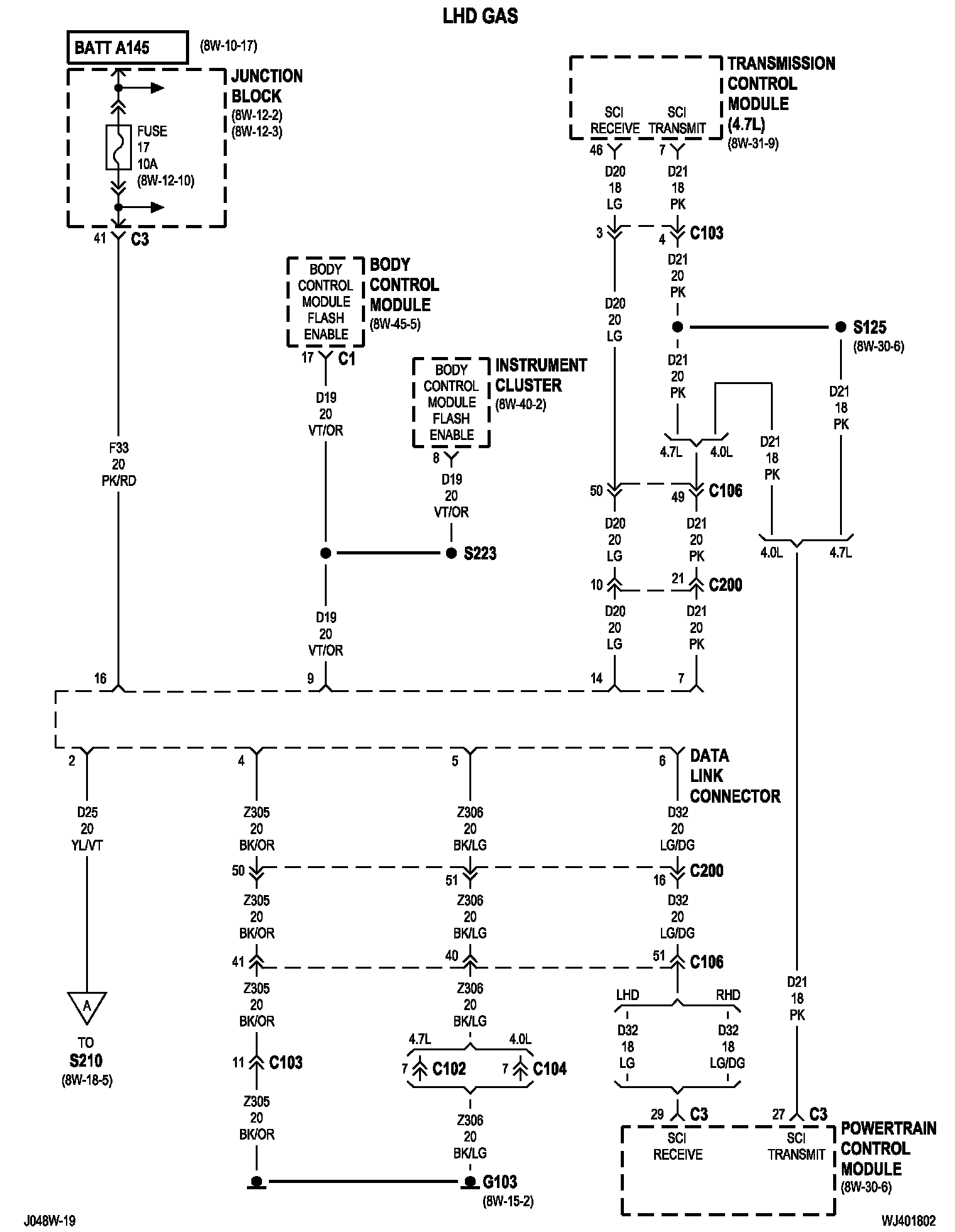
PLEASE NOTE: Some diagram sheets may appear to be missing because of gaps in the number sequences. These "gaps" are actually for diagrams that do not apply to the vehicle model selected.8w-18-2 LHD Gas:
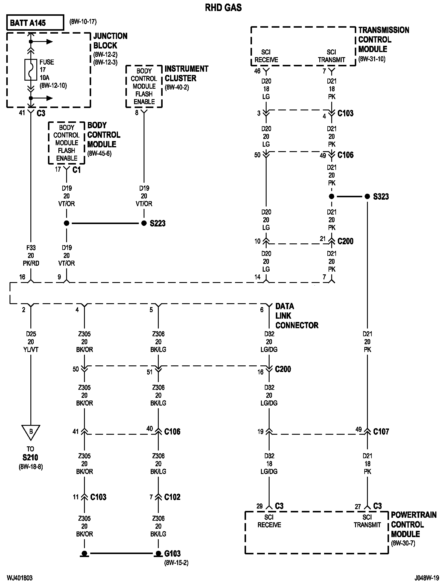
8w-18-3 RHD Gas:
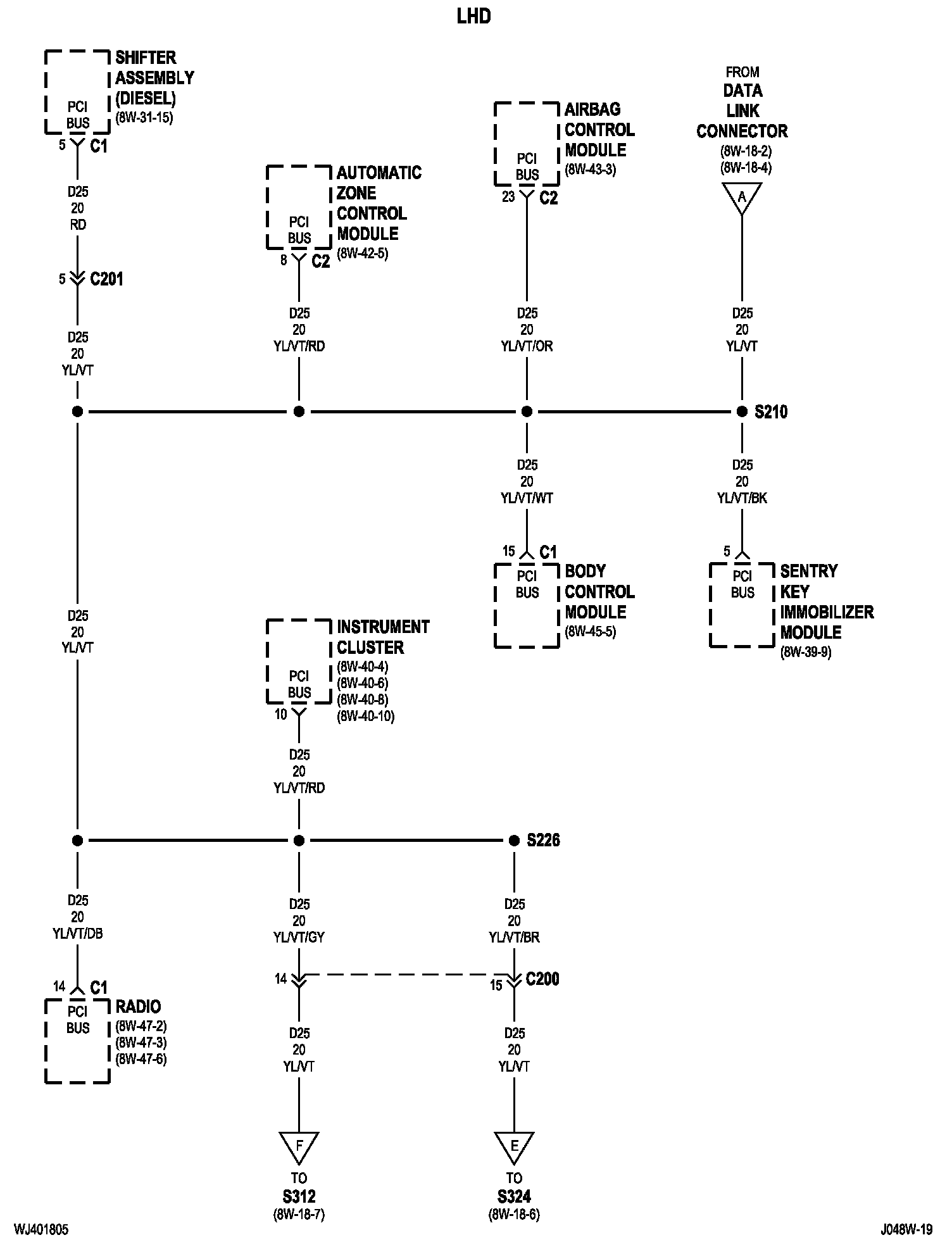
8w-18-5 LHD:
8w-18-6 LHD:
8w-18-7 LHD:
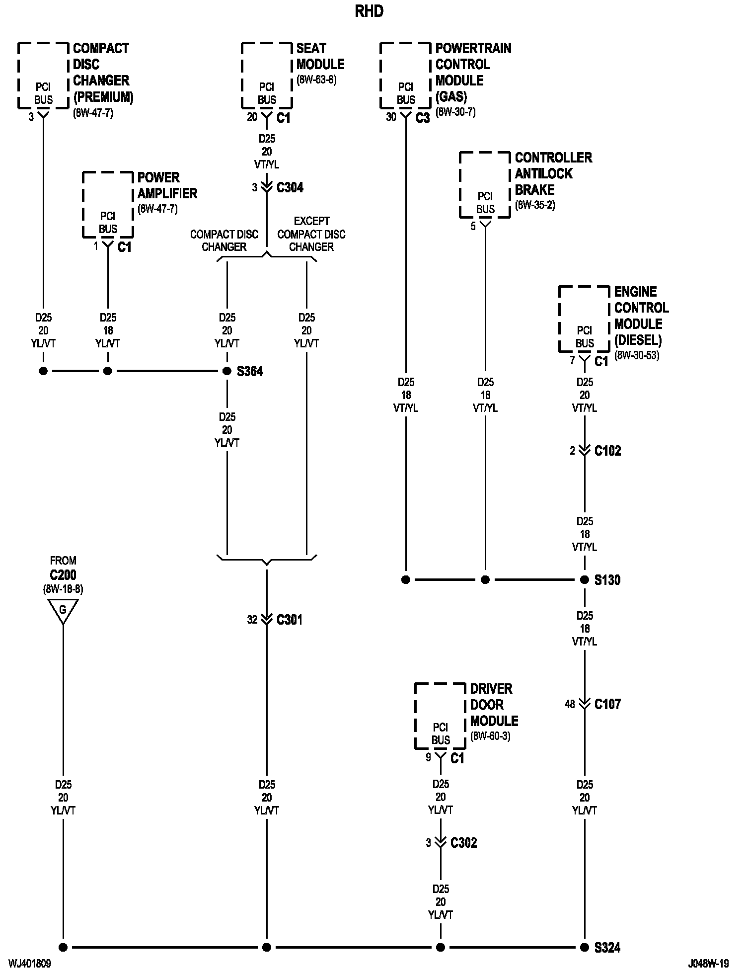
8w-18-8 RHD:
8w-18-9 RHD:
8w-18-10 RHD:
NOTE: Other diagrams referred to by number within these diagrams can be found at Diagrams by Number. Diagrams By Number