Operation CHARM: Car repair manuals for everyone.
Manuals through 2025 now available!

Our trusted friends have launched a new website named LEMON, which has newer manuals. It also contains all the CHARM manuals.

LEMON is the spiritual successor to CHARM, I recommend you try it!

Link: lemon-manuals.la or lemon-manuals.org.ua

(Some people have issue connecting. LEMON is investigating. For now, use Firefox or change your DNS server)

Or, hide this message: temporarily or permanently

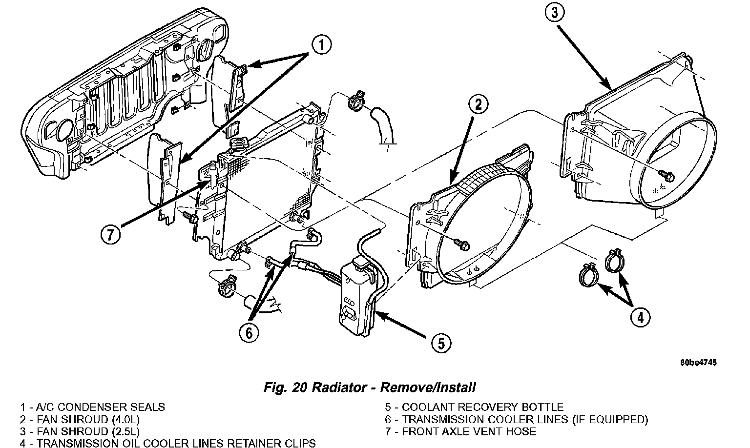
Radiator: Service and Repair

RADIATOR

REMOVAL

WARNING: DO NOT REMOVE THE CYLINDER BLOCK DRAIN PLUGS OR LOOSEN THE RADIATOR DRAINCOCK WITH THE SYSTEM HOT AND PRESSURIZED. SERIOUS BURNS FROM THE COOLANT CAN OCCUR.

1. Disconnect negative battery cable at battery.
2. Observe the previous WARNING. Remove the radiator cap.





3. Remove the condenser lower seal from the lower core support.
4. Drain cooling system drain coolant into a clean container for reuse.
5. Remove radiator upper and lower hose clamps. Remove radiator hoses.
6. Disconnect coolant reserve/overflow tank hose from radiator.





7. Remove the four fan shroud mounting bolts. On some models the power steering fluid reservoir tank is attached to the side of the fan shroud. Tie the reservoir back to prevent spillage. Position the fan shroud back over the fan blades.
8. If equipped, disconnect and plug automatic transmission fluid cooler lines.
9. Remove six radiator mounting bolts. Position the front axle vent hose to the side.
10. Lift radiator straight up and out of vehicle taking care not to damage radiator fins.
11. When removing radiator, note position of the rubber seals located on the top and bottom of radiator (on certain models only). To prevent possible overheating, these seals must be installed to their original positions.

REMOVAL

WARNING: DO NOT REMOVE THE CYLINDER BLOCK DRAIN PLUGS OR LOOSEN THE RADIATOR DRAINCOCK WITH THE SYSTEM HOT AND UNDER PRESSURE. SERIOUS BURNS FROM COOLANT CAN OCCUR. REFER TO COOLING SYSTEM DRAINING.

Do not waste reusable coolant. If the solution is clean, drain the coolant into a clean container for reuse.





WARNING: CONSTANT TENSION HOSE CLAMPS ARE USED ON MOST COOLING SYSTEM HOSES. WHEN REMOVING OR INSTALLING, USE ONLY TOOLS DESIGNED FOR SERVICING THIS TYPE OF CLAMP, SUCH AS SPECIAL CLAMP TOOL (NUMBER 6094). SNAP-ON CLAMP TOOL (NUMBER HPC-20) MAY BE USED FOR LARGER CLAMPS. ALWAYS WEAR SAFETY GLASSES WHEN SERVICING CONSTANT TENSION CLAMPS.








CAUTION: A number or letter is stamped into the tongue of constant tension clamps. If replacement is necessary, use only an original equipment clamp with matching number or letter. When removing the radiator or A/C condenser for any reason, note the location of all radiator-to-body and radiator-to-A/C condenser rubber air seals. These are used at the top, bottom and sides of the radiator and A/C condenser. To prevent overheating, these seals must be installed to their original positions.

1. Disconnect the negative battery cable at battery.
2. Drain coolant from radiator.
3. Remove the front grill.
4. Remove the cooling fan from the engine, if equipped.
5. Remove the two radiator mounting bolts.
6. Disconnect both transmission cooler lines from radiator.
7. Disconnect the connector for the electric fan.
8. Disconnect the power steering cooler line from cooler.
9. Disconnect the radiator upper and lower hoses.
10. Disconnect the overflow hose from radiator.





11. The lower part of radiator is equipped with two alignment dowel pins. They are located on the bottom of radiator tank and fit into rubber grommets. These rubber grommets are pressed into the radiator lower crossmember.

WARNING: THE AIR CONDITIONING SYSTEM (IF EQUIPPED) IS UNDER A CONSTANT PRESSURE EVEN WITH THE ENGINE OFF.

NOTE: The radiator and radiator cooling fan can be removed as an assembly. It is not necessary to remove the cooling fan before removing or installing the radiator.

12. Gently lift up and remove radiator from vehicle. Be careful not to scrape the radiator fins against any other component. Also be careful not to disturb the air conditioning condenser (if equipped).

CLEANING
Clean radiator fins. With the engine cold, apply cold water and compressed air to the back (engine side) of the radiator to flush the radiator and/or A/C condenser of debris.

INSPECTION
The radiator cooling fins should be checked for damage or deterioration. Inspect cooling fins to make sure they are not bent or crushed, these areas result in reduced heat exchange causing the cooling system to operate at higher temperatures. Inspect the plastic end tanks for cracks, damage or leaks.

Inspect the radiator neck for damage or distortion.

INSTALLATION
1. Position the radiator. Install and tighten the six mounting bolts to 8 Nm (72 inch lbs.) torque.
2. Close radiator draincock.
3. Position fan shroud and power steering reservoir tank (if equipped). Install and tighten four mounting bolts to 8 Nm (72 inch lbs.) torque.
4. If equipped, remove plugs and connect automatic transmission fluid cooler lines and constant tension clamps.
5. Connect radiator hoses and install hose clamps.
6. Position and install the condenser lower seal.
7. Connect battery negative cable.
8. Fill cooling system with correct coolant.
9. Connect coolant recovery bottle hose.
10. Install radiator cap.
11. Check and adjust automatic transmission fluid level (if equipped).
12. Start engine and check for leaks.

INSTALLATION

CAUTION: Before installing the radiator or A/C condenser, be sure the radiator-to-body and radiator-to-A/C condenser rubber air seals are properly fastened to their original positions. These are used at the top, bottom and sides of the radiator and A/C condenser. To prevent overheating, these seals must be installed to their original positions.

1. Gently lower the radiator and fan shroud into the vehicle. Guide the two radiator alignment dowels into the rubber grommets located in lower radiator crossmember.
2. Connect the radiator upper and lower hoses and hose clamps to radiator.

CAUTION: The tangs on the hose clamps must be positioned straight down.

3. Install coolant reserve/overflow tank hose at radiator.
4. Connect both transmission cooler lines at the radiator.
5. Install both radiator mounting bolts.
6. Reconnect the electric cooling fan.
7. Install the grill.
8. Reinstall the cooling fan to the engine.
9. Rotate the fan blades (by hand) and check for interference at fan shroud.
10. Refill cooling system.
11. Connect battery cable at battery.
12. Start and warm engine. Check for leaks.