Operation CHARM: Car repair manuals for everyone.
Manuals through 2025 now available!

Our trusted friends have launched a new website named LEMON, which has newer manuals. It also contains all the CHARM manuals.

LEMON is the spiritual successor to CHARM, I recommend you try it!

Link: lemon-manuals.la or lemon-manuals.org.ua

(Some people have issue connecting. LEMON is investigating. For now, use Firefox or change your DNS server)

Or, hide this message: temporarily or permanently

Condenser HVAC: Service and Repair

REMOVAL

WARNING: REVIEW THE WARNINGS AND CAUTIONS IN THE FRONT BEFORE PERFORMING THE FOLLOWING OPERATION.

CAUTION: Before removing the condenser, note the location of each of the radiator and condenser air seals. These seals are used to direct air through the condenser and radiator. The air seals must be reinstalled in their proper locations in order for the air conditioning and engine cooling systems to perform as designed.

1. Disconnect and isolate the battery negative cable.
2. Recover the refrigerant from the refrigerant system.

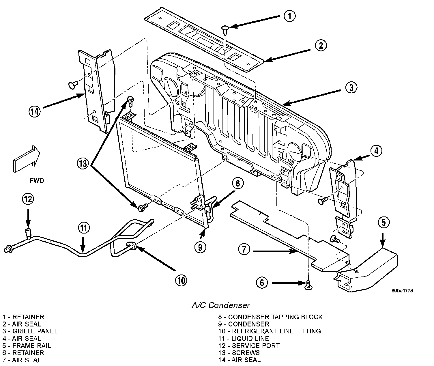
A/C Condenser:




3. Remove the three retainers that secure the upper condenser air seal to the grille panel and remove the upper air seal.
4. Remove the two screws that secure the upper condenser mounting brackets to the top of the grille panel.
5. Reach through the right side of the grille panel opening from the front of the vehicle to remove the nuts that secure the discharge and liquid line fittings to the condenser tapping block.
6. Remove the seal from the discharge and liquid line fittings and discard.
7. Install plugs in, or tape over all of the opened refrigerant line fittings and condenser ports.
8. Remove the three retainers that secure the lower condenser air seal to the passenger side frame rail and the bottom of the grille panel and remove the lower air seal.
9. Remove the two screws that secure the lower condenser mounting bracket to the bottom of the grille panel.
10. Remove the three screws on each side of the radiator that secure the radiator mounting brackets to the sides of the grille panel.
11. Tilt the radiator and shroud unit back towards the engine. Use care to prevent the cooling fan blades from damaging the radiator fins.
12. Carefully remove the condenser from the vehicle.

INSTALLATION

NOTE: If the condenser is replaced, add 22 milliliters (0.75 fluid ounce) of refrigerant oil to the refrigerant system. Use only refrigerant oil of the type recommended for the compressor in the vehicle.

1. Carefully position the condenser in the vehicle.
2. Install and tighten the two screws that secure the upper condenser mounting brackets to the top of the grille panel. Tighten the screws to 2.2 Nm (20 in. lbs.).
3. Align the radiator mounting brackets to the sides of the grille panel. Install the six screws that secure the radiator and shroud unit to the grille panel. Tighten the screws to 8 Nm (72 in. lbs.).
4. Install the upper condenser air seal to the top of the grille panel with three retainers.
5. Remove the tape or plugs from the discharge and liquid line fittings and condenser ports.
6. Lubricate new rubber O-ring seals with clean refrigerant oil and install them on the discharge and liquid line fittings. Use only the specified O-rings as they are made of a special material for the R-134a system. Use only refrigerant oil of the type recommended for the A/C compressor in the vehicle.
7. Reach through the grille opening from the front of the vehicle and install the discharge and liquid line fittings to the condenser tapping block.
8. Install and tighten the nut that secures the discharge and liquid line fittings to the condenser tapping block. Tighten the nuts to 12 Nm (105 in. lbs.).
9. Install the two screws that secure the lower condenser bracket to the bottom of the grille panel. Tighten the screws to 2.2 Nm (20 in. lbs.).
10. Install the lower condenser air seal to the bottom of the grille panel and the passenger side frame rail with three retainers.
11. Reconnect the battery negative cable.
12. Evacuate the refrigerant system.
13. Charge the refrigerant system.