Operation CHARM: Car repair manuals for everyone.
Manuals through 2025 now available!

Our trusted friends have launched a new website named LEMON, which has newer manuals. It also contains all the CHARM manuals.

LEMON is the spiritual successor to CHARM, I recommend you try it!

Link: lemon-manuals.la or lemon-manuals.org.ua

(Some people have issue connecting. LEMON is investigating. For now, use Firefox or change your DNS server)

Or, hide this message: temporarily or permanently

Receiver Dryer: Service and Repair

REMOVAL

WARNING: REFER TO THE APPLICABLE WARNINGS AND CAUTIONS FOR THIS SYSTEM BEFORE PERFORMING THE FOLLOWING OPERATION. FAILURE TO FOLLOW THE WARNINGS AND CAUTIONS COULD RESULT IN POSSIBLE PERSONAL INJURY OR DEATH.




1. Recover the refrigerant from the refrigerant system.
2. Disconnect and isolate the negative battery cable.
3. Remove the grille.
4. Remove the air cleaner housing and air inlet tube.
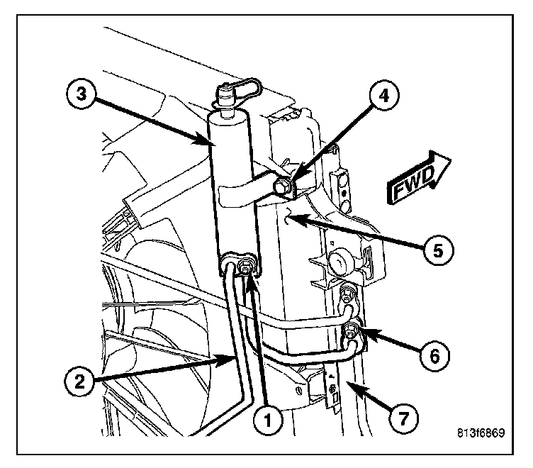
5. Remove the nut (1) that secures the A/C liquid line (2) to the receiver/drier (3).
6. Remove the A/C liquid line from the receiver/drier and remove and discard the dual-plane seal.
7. Remove the screw (4) that secures the receiver/ drier to the radiator and fan shroud (5).
8. Remove the nut (6) that secures the receiver/drier to the A/C condenser (7).
9. Disconnect the receiver/drier from the A/C condenser and remove and discard the dual-plane seal.
10. Install plugs in, or tape over the opened receiver/drier fitting and port and the condenser port.

INSTALLATION

NOTE: If the receiver/drier is being replaced, add 30 milliliters (1 fluid ounce) of refrigerant oil to the refrigerant system. Use only the refrigerant oil of the type recommended for the A/C compressor in the vehicle.




1. Position the receiver/drier (3) into the engine compartment.
2. Remove the tape or plugs from the receiver/drier fitting and port and the port of the A/C condenser (7).
3. Lubricate a new dual-plane seal with clean refrigerant oil and install it onto the receiver/drier fitting. Use only the specified seal as it is made of a special material for the R-134a system. Use only refrigerant oil of the type recommended for the A/C compressor in the vehicle.
4. Connect the receiver/drier to the right end of the A/C condenser.
5. Install the nut (6) that secures the receiver/drier to the A/C condenser. Tighten the nut to 20 N.m (15 ft. lbs.).
6. Install the screw (4) that secures the receiver/drier to the radiator and fan shroud (5). Tighten the screw to to 5 N.m (44 in. lbs.).
7. Lubricate a new dual-plane seal with clean refrigerant oil and install it onto the A/C liquid line (2) Use only the specified seal as it is made of a special material for the R-134a system. Use only refrigerant oil of the type recommended for the A/C compressor in the vehicle.
8. Install the nut (1) that secures the A/C liquid line to the receiver/drier. Tighten the nut to 20 N.m (15 ft. lbs.).
9. Install the air cleaner housing and air intake tube.
10. Install the grille.
11. Reconnect the negative battery cable.
12. Evacuate the refrigerant system.
13. Charge the refrigerant system