Operation CHARM: Car repair manuals for everyone.
Manuals through 2025 now available!

Our trusted friends have launched a new website named LEMON, which has newer manuals. It also contains all the CHARM manuals.

LEMON is the spiritual successor to CHARM, I recommend you try it!

Link: lemon-manuals.la or lemon-manuals.org.ua

(Some people have issue connecting. LEMON is investigating. For now, use Firefox or change your DNS server)

Or, hide this message: temporarily or permanently

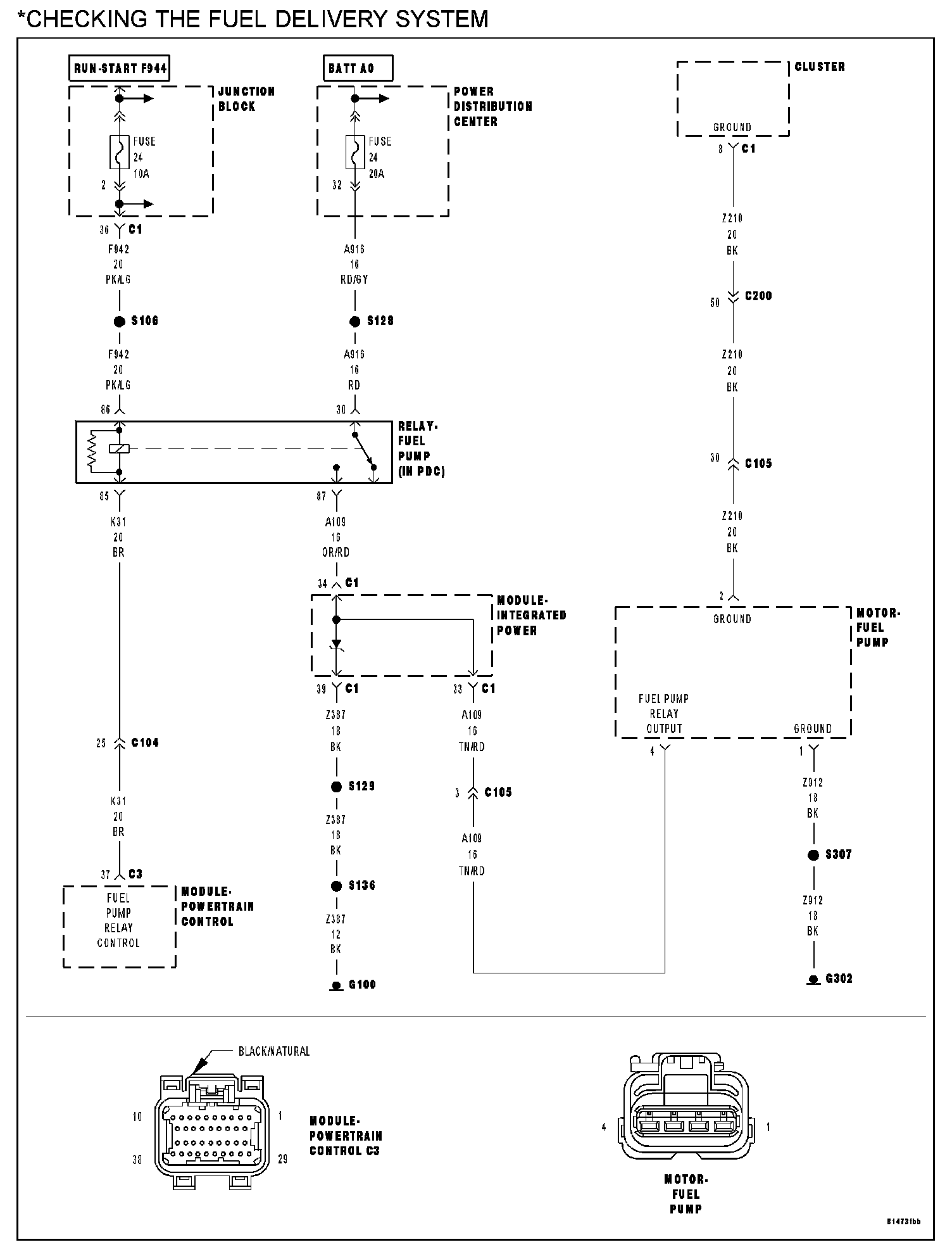
Checking the Fuel Delivery System

Checking The Fuel Delivery System


Checking The Fuel Delivery System:






POSSIBLE CAUSES
- restricted fuel supply line
- Fuel pump inlet strainer plugged
- (A109) Fused B+ circuit
- Fuel pump relay
- Fuel pump

DIAGNOSTIC TEST

1. FUEL PUMP OPERATION

Ignition on, engine not running.
With a scan tool, actuate the Fuel System test.

NOTE: It may be necessary to use a mechanics stethoscope in the next step.

Listen for fuel pump operation at the fuel tank.

CAUTION: Stop All Actuations.

Q: Does the Fuel Pump operate?

YES: Go To 2
NO: Go To 5

2. FUEL PRESSURE

Turn the ignition off.

WARNING: THE FUEL SYSTEM IS UNDER A CONSTANT PRESSURE (EVEN WITH THE ENGINE OFF). BEFORE TESTING OR SERVICING ANY FUEL SYSTEM HOSE, FITTING OR LINE, THE FUEL SYSTEM PRESSURE MUST BE RELEASED. FAILURE TO FOLLOW THESE INSTRUCTIONS CAN RESULT IN PERSONAL INJURY OR DEATH.

Install a fuel pressure gauge at the engine.
Ignition on, engine not running.
With the scan tool, actuate the ASD Fuel System test and observe the fuel pressure gauge.

NOTE: Fuel pressure specification is 407 kPa ± 34 kPa (59 psi ± 5 psi).

CAUTION: Stop All Actuations.

Choose a conclusion that best matches your fuel pressure reading.

Below Specification
Go To 3

Within Specification
Test Complete.

Above Specification
Replace the fuel filter/fuel pressure regulator. Perform the POWERTRAIN VERIFICATION TEST. Powertrain Verification Test

3. RESTRICTED FUEL SUPPLY LINE
Turn the ignition off.

WARNING: THE FUEL SYSTEM IS UNDER A CONSTANT PRESSURE EVEN WITH THE ENGINE OFF. BEFORE TESTING OR SERVICING ANY FUEL SYSTEM HOSE, FITTING OR LINE, THE FUEL SYSTEM PRESSURE MUST BE RELEASED.

Raise vehicle on hoist, and disconnect the fuel pressure line at the fuel pump module.

Install special tool #6539 (5/16 inches) or #6631(3/8 inches) fuel line adapter and the fuel pressure gauge between the fuel supply line and the fuel pump module.

Ignition on, engine not running.
With the scan tool, actuate the ASD Fuel System test and observe the fuel pressure gauge.

NOTE: Fuel pressure specification is 407 kPa ± 34 kPa (59 psi ± 5 psi).

CAUTION: Stop All Actuations.

Q: Is the fuel pressure within specification now?

YES: Repair/replace fuel supply line as necessary. Perform the POWERTRAIN VERIFICATION TEST. Powertrain Verification Test
NO: Go To 4

4. CHECKING FUEL INLET STRAINER

Turn the ignition off.

WARNING: THE FUEL SYSTEM IS UNDER A CONSTANT PRESSURE (EVEN WITH THE ENGINE OFF). BEFORE TESTING OR SERVICING ANY FUEL SYSTEM HOSE, FITTING OR LINE, THE FUEL SYSTEM PRESSURE MUST BE RELEASED. FAILURE TO FOLLOW THESE INSTRUCTIONS CAN RESULT IN PERSONAL INJURY OR DEATH.

Remove the Fuel Pump Module and inspect the Fuel Inlet Strainer.

Q: Is the Fuel Inlet Strainer plugged?

YES: Replace the Fuel Pump Inlet Strainer. Perform the POWERTRAIN VERIFICATION TEST. Powertrain Verification Test
NO: Replace the Fuel Pump Module. Perform the POWERTRAIN VERIFICATION TEST. Powertrain Verification Test

5. (A109) FUSED B+ CIRCUIT OPEN

Turn the ignition off.
Remove the Fuel Pump Relay from the IPM.
Disconnect the Fuel Pump Module harness connector.
Measure the resistance of the (A109) Fused B+ circuit from the relay connector to the fuel pump module connector.

Q: Is the resistance below 5.0 ohms?

YES: Replace the Fuel Pump Relay. Perform the POWERTRAIN VERIFICATION TEST. Powertrain Verification Test
NO: Repair the open in the (N1) Fuel Pump Relay Output circuit. Perform the POWERTRAIN VERIFICATION TEST. Powertrain Verification Test