Operation CHARM: Car repair manuals for everyone.
Manuals through 2025 now available!

Our trusted friends have launched a new website named LEMON, which has newer manuals. It also contains all the CHARM manuals.

LEMON is the spiritual successor to CHARM, I recommend you try it!

Link: lemon-manuals.la or lemon-manuals.org.ua

(Some people have issue connecting. LEMON is investigating. For now, use Firefox or change your DNS server)

Or, hide this message: temporarily or permanently

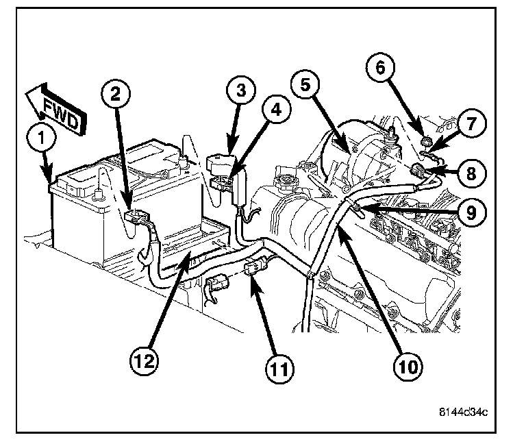
Battery Tray: Service and Repair

REMOVAL




1. Remove the battery from the battery tray.
2. Remove the battery wire harness three pin connector (11) from the battery tray (12).




3. Remove the two screws (3) that secures the battery tray (4) to the inner fender and the bracket on the radiator support.
4. Remove the one screw (2) that secures the outboard side of the battery tray (4) to the left inner fender.
5. Remove the one nut (1) that secures the rear of the battery tray to the stud (5) on the front frame rail.
6. Remove the battery tray from the left front corner of the engine compartment.

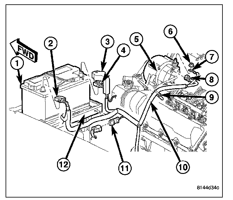
INSTALLATION




1. Clean and inspect the battery tray.
2. Position the battery tray and support unit into the right front corner of the engine compartment. Be certain that no hoses or wire harnesses are trapped or pinched by the installation of the tray.
3. Install and tighten the one nut (1) that secures the rear of the battery tray to the stud (5) on the front frame rail. Tighten the nut to 7.3 Nm (65 in. lbs.).
4. Install and tighten the one screw (2) that secures the outboard side of the battery tray (4) to the left inner fender. Tighten the screw to 7.3 Nm (65 in. lbs.).
5. Install and tighten the two screws (3) that secures the battery tray (4) to the inner fender and the bracket on the radiator support. Tighten the screw to 7.3 Nm (65 in. lbs.).




6. Install the battery wire harness three pin connector (11) onto the battery tray (12).
7. Install the battery onto the battery tray.