Operation CHARM: Car repair manuals for everyone.
Manuals through 2025 now available!

Our trusted friends have launched a new website named LEMON, which has newer manuals. It also contains all the CHARM manuals.

LEMON is the spiritual successor to CHARM, I recommend you try it!

Link: lemon-manuals.la or lemon-manuals.org.ua

(Some people have issue connecting. LEMON is investigating. For now, use Firefox or change your DNS server)

Or, hide this message: temporarily or permanently

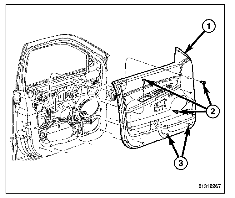
Side View Mirror

MIRROR-OUTSIDE REARVIEW

REMOVAL




1. Remove the door trim panel. Refer to Front Door Panel.




2. Disconnect the wire harness connectors (2) from the mirror.
3. Remove the three nuts (1) that secure the mirror to the door and carefully remove the mirror.

INSTALLATION




1. Position the mirror onto the door.
2. Install the three nuts (1) that secure the mirror to the door. Tighten the nuts to 7 N.m (60 in.lbs.).
3. Connect the wire harness connectors (2) to the mirror.




4. Install the door trim panel.