Operation CHARM: Car repair manuals for everyone.
Manuals through 2025 now available!

Our trusted friends have launched a new website named LEMON, which has newer manuals. It also contains all the CHARM manuals.

LEMON is the spiritual successor to CHARM, I recommend you try it!

Link: lemon-manuals.la or lemon-manuals.org.ua

(Some people have issue connecting. LEMON is investigating. For now, use Firefox or change your DNS server)

Or, hide this message: temporarily or permanently

Timing Cover: Service and Repair

TIMING BELT COVER(S)

REMOVAL
FRONT COVER
1. Remove crankshaft vibration damper.
2. Remove generator drive belt tensioner assembly.
3. Remove timing belt front cover bolts, and remove covers.

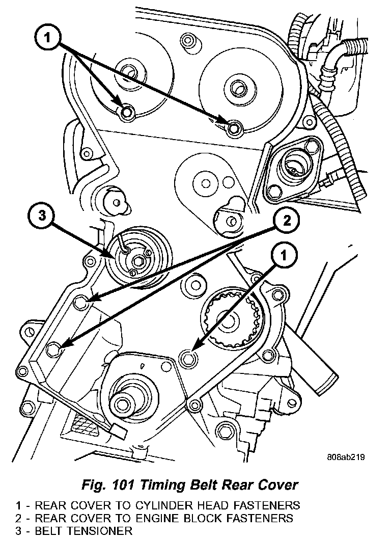
REAR COVER
1. Remove front covers.
2. Remove timing belt.
3. Hold camshaft sprocket with Special Tool 6847 while removing center bolt.
4. Remove timing belt idler pulley.
5. Remove rear cover fasteners and remove cover from engine.

INSTALLATION
REAR COVER





1. Install timing belt rear cover and bolts (Fig. 101).

CAUTION: Do not use an impact wrench for tightening camshaft sprocket bolt. Damage to the timing locating pin can occur. Hand tighten using a wrench ONLY.

2. Install camshaft sprockets. Hold sprockets with Special Tool 6848 and tighten center bolt to 101 Nm (75 ft. lbs.).
3. Install timing belt idler pulley and tighten mounting bolt to 61 Nm (45 ft. lbs.).
4. Install timing belt.
5. Install front covers.

FRONT COVER
1. Install timing belt front covers. Tighten fasteners to 7 Nm (60 inch lbs.).
2. Install generator drive belt tensioner.
3. Install crankshaft vibration damper.