Operation CHARM: Car repair manuals for everyone.
Manuals through 2025 now available!

Our trusted friends have launched a new website named LEMON, which has newer manuals. It also contains all the CHARM manuals.

LEMON is the spiritual successor to CHARM, I recommend you try it!

Link: lemon-manuals.la or lemon-manuals.org.ua

(Some people have issue connecting. LEMON is investigating. For now, use Firefox or change your DNS server)

Or, hide this message: temporarily or permanently

Body Control Module

Airbag System:



Base Audio System:



Premium Audio System:



Chime System:



Compass/Temperature Mirror:



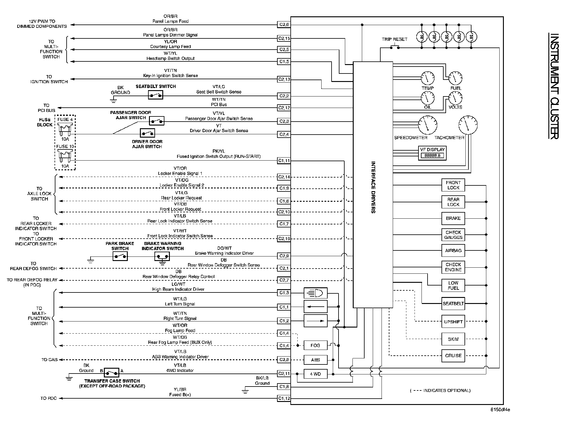
Instrument Cluster:



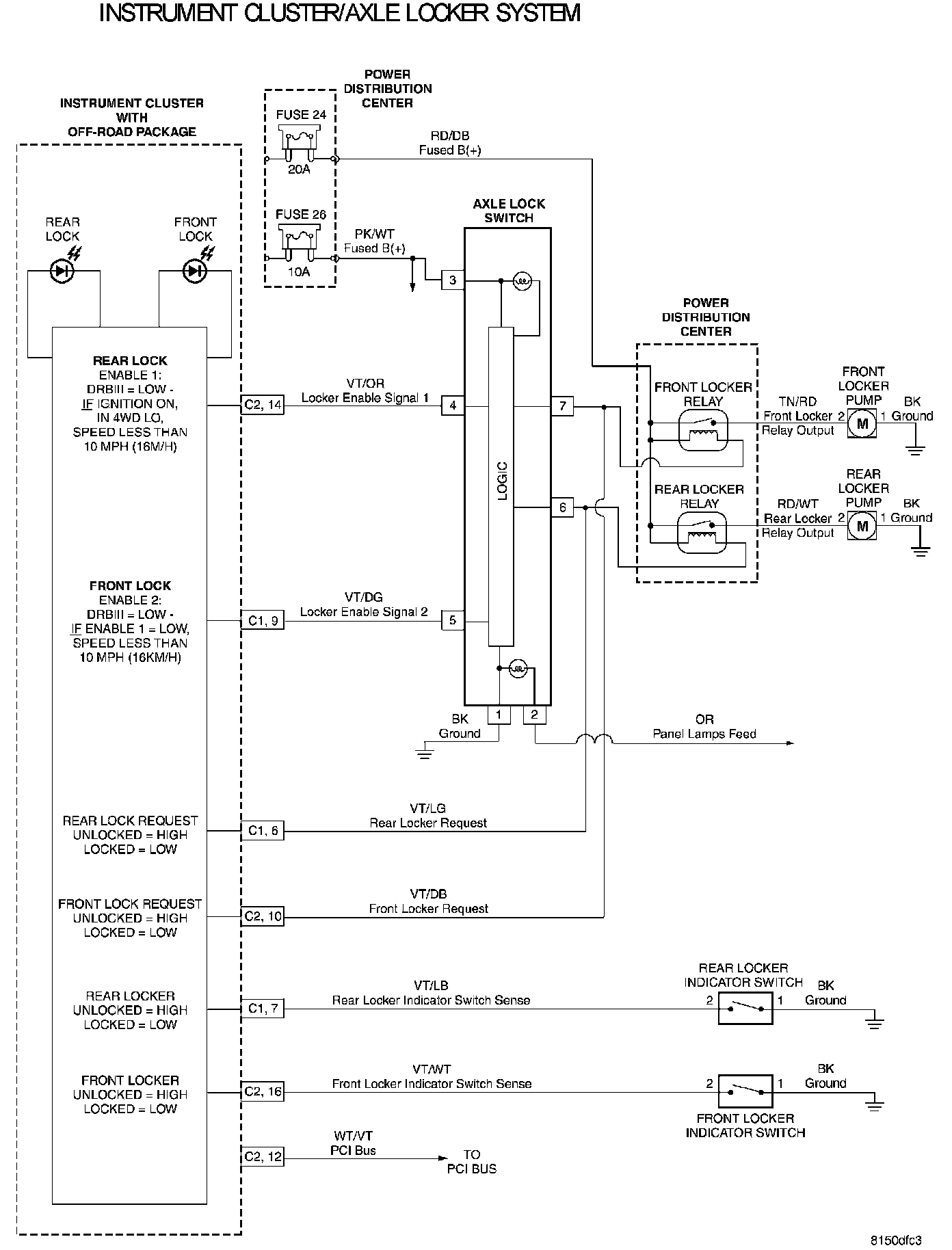
Instrument Cluster/Axle Locker System:



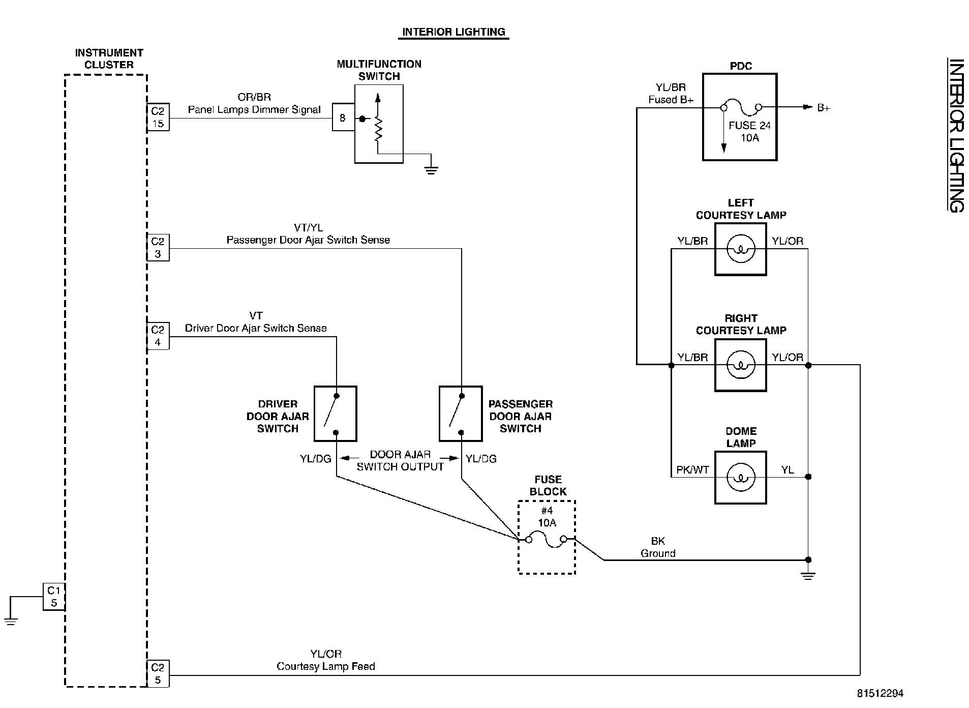
Interior Lighting:



Rear Defogger:



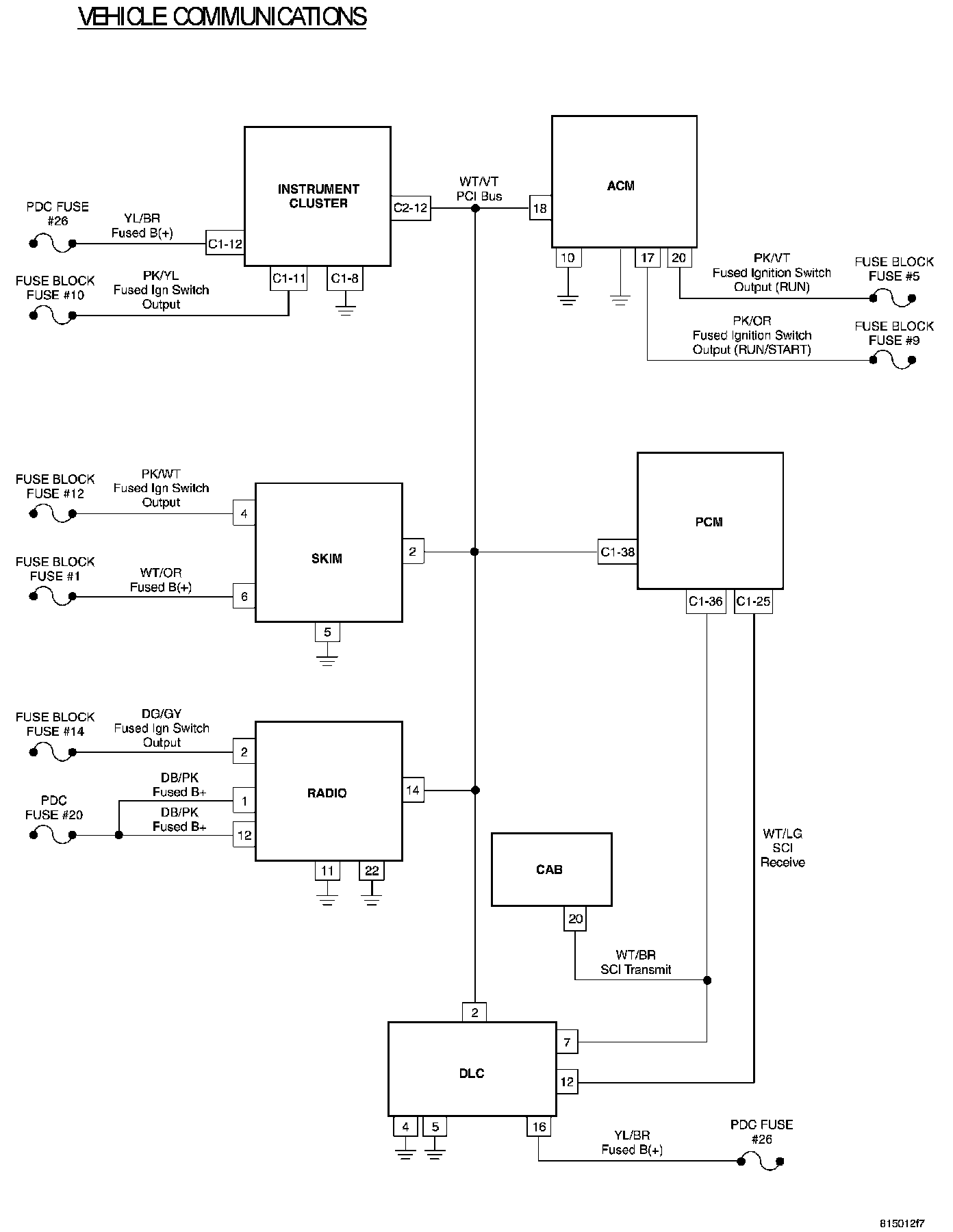
Vehicle Communications: