Operation CHARM: Car repair manuals for everyone.
Manuals through 2025 now available!

Our trusted friends have launched a new website named LEMON, which has newer manuals. It also contains all the CHARM manuals.

LEMON is the spiritual successor to CHARM, I recommend you try it!

Link: lemon-manuals.la or lemon-manuals.org.ua

(Some people have issue connecting. LEMON is investigating. For now, use Firefox or change your DNS server)

Or, hide this message: temporarily or permanently

Removal and Replacement

ENGINE - 5.7L

REMOVAL





1. Remove the strut tower support (1).





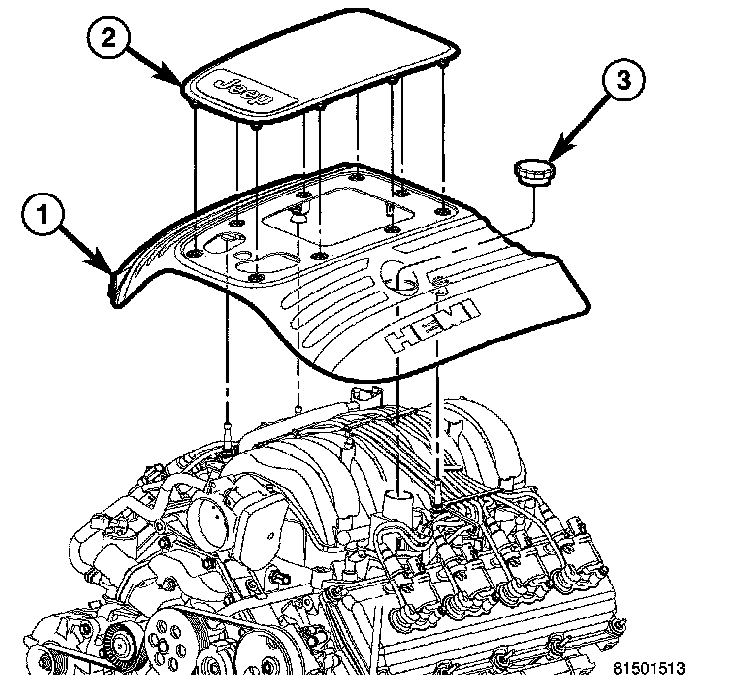
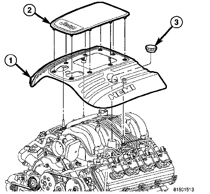
2. Remove the engine cover (1).





3. Perform the Fuel System Pressure Release procedure.
4. Disconnect the battery negative cable.
5. Remove the air cleaner resonator and duct work as an assembly
6. Drain cooling system.
7. Remove the accessory drive belt.
8. Remove radiator fan shroud.





9. Remove the A/C compressor with the lines attached. Secure compressor out of the way.





10. Remove generator assembly.
11. Remove the intake manifold and IAFM as an assembly.
12. Remove the ground wires from the rear of each cylinder head.








13. Disconnect the heater hoses (1).





NOTE: It is not necessary to disconnect P/S hoses from pump, for P/S pump removal.

14. Remove the power steering pump and set aside.
15. Disconnect the fuel supply line.
16. Raise and support the vehicle on a hoist and drain the engine oil.
17. Remove engine front mount to frame bolts (3) and nuts.
18. Disconnect the transmission oil cooler lines from their retainers at the oil pan bolts.





19. Disconnect exhaust pipe at manifolds.
20. Disconnect the starter wires. Remove starter motor (1).





21. Remove the structural dust cover (1).





22. Remove drive plate to converter bolts.





23. Remove the oil pan to transmission bolts (1).





24. Remove transmission bell housing to engine block bolts (2).
25. Lower the vehicle.





26. Install engine lift fixture, special tool # 8984 and 8984-UPD.
27. Separate engine from transmission, remove engine from vehicle, and install engine assembly on a repair stand.

INSTALLATION - ENGINE





1. Install engine lift fixture Special tool # 8984 and 8984-UPD.
2. Position the engine in the engine compartment.
3. Lower engine into compartment and align engine with transmission.





4. Mate engine (1) and transmission (3) and install two transmission to engine block mounting bolts (2) finger tight.








5. Lower engine assembly until the engine mounts (2) rests in frame perches (1).





6. Install remaining transmission to engine block mounting bolts (2) and the oil pan to transmission bolts (1) and tighten.





7. Install and tighten engine mount to frame bolts (3) and nuts.





8. Install drive plate to torque converter bolts (1).





9. Install the structural dust cover (1).





10. Install the starter (1) and connect the starter wires.
11. Install exhaust pipe to manifold.
12. Lower the vehicle.





13. Remove engine lift fixture (2), special tool # 8984 and 8984-UPD.








14. Connect the fuel supply line.
15. Reinstall the power steering pump.
16. Connect the heater hoses (1).





17. Reconnect the ground wires to the rear of each cylinder head.
18. Install the intake manifold.
19. Install the generator (2), and wire connections.





20. Install a/c compressor (3).





21. Install the accessory drive belt.
22. Install the radiator fan shroud.
23. Connect the radiator lower hose.
24. Connect the transmission oil cooler lines to the radiator.
25. Connect the radiator upper hose.





26. Install the air cleaner resonator and duct work..
27. Add engine oil to crankcase.
28. Fill cooling system.
29. Install the engine cover (1).





30. Install the strut tower support (1).
31. Connect battery negative cable.
32. Start engine and inspect for leaks.
33. Road test vehicle.