Operation CHARM: Car repair manuals for everyone.
Manuals through 2025 now available!

Our trusted friends have launched a new website named LEMON, which has newer manuals. It also contains all the CHARM manuals.

LEMON is the spiritual successor to CHARM, I recommend you try it!

Link: lemon-manuals.la or lemon-manuals.org.ua

(Some people have issue connecting. LEMON is investigating. For now, use Firefox or change your DNS server)

Or, hide this message: temporarily or permanently

Condenser HVAC: Service and Repair

REMOVAL

WARNING: REFER TO THE APPLICABLE WARNINGS AND CAUTIONS FOR THIS SYSTEM BEFORE PERFORMING THE FOLLOWING OPERATION. FAILURE TO FOLLOW THE WARNINGS AND CAUTIONS COULD RESULT IN POSSIBLE PERSONAL INJURY OR DEATH.




1. Recover the refrigerant from the refrigerant system.
2. Disconnect and isolate the negative battery cable.
3. Remove the grille.
4. Remove the air filter housing and air inlet tube.

NOTE: It is not necessary to remove the hood latch from the radiator crossmember when servicing the A/C condenser.

5. Remove the upper radiator crossmember and support bracket and position them out of the way.
6. If equipped with the 3.0L diesel engine, remove the charge air cooler.
7. Remove the power steering fluid cooler or position it out of the way (depending on application).
8. Disconnect the automatic transmission cooler lines (1) from the transmission fluid cooler (2).
9. Install plugs in, or tape over the automatic transmission cooler line fittings and the fluid cooler ports.




10. Disconnect the A/C discharge line (1) from the A/C condenser (2).
11. Loosen the screw (3) that secures the receiver/ drier (4) to the radiator and fan shroud (5).
12. Disconnect the receiver drier inlet tube (6) from the A/C condenser.




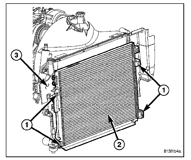
13. Remove the four bolts (1) that secure A/C condenser (2) to the radiator (3).
14. Carefully lift the A/C condenser straight up and out of the engine compartment.

INSTALLATION

NOTE: If the A/C condenser is being replaced, add 30 milliliters (1 fluid ounce) of refrigerant oil to the refrigerant system. Use only refrigerant oil of the type recommended for the A/C compressor in the vehicle.




1. Carefully position the A/C condenser (2) onto the radiator (3).
2. Install the four bolts (1) that secure the A/C condenser to the radiator. Tighten the bolts to 5 N.m (44 in. lbs.).




3. Connect the receiver/drier inlet tube (6) to the A/C condenser (2).
4. Tighten the screw (3) that secures the receiver/ drier (4) to the radiator and fan shroud (5). Tighten the screw to to 5 N.m (44 in. lbs.).
5. Connect the A/C discharge line (1) to the A/C condenser.




6. Remove the tape or plugs from the automatic transmission cooler line fittings and the fluid cooler ports.
7. Connect the automatic transmission cooler lines (1) to the transmission fluid cooler (2).
8. Install the power steering fluid cooler.
9. If equipped with the 3.0L diesel engine, install the charge air cooler.
10. Install the upper radiator crossmember and support bracket.
11. Install the air filter housing and air inlet tube.
12. Install the grille.
13. Reconnect the negative battery cable.
14. Evacuate the refrigerant system.
15. Charge the refrigerant system.
16. Check the automatic transmission fluid level, refer to Transmission and Drivetrain/Automatic Transmission/Transaxle.