Operation CHARM: Car repair manuals for everyone.
Manuals through 2025 now available!

Our trusted friends have launched a new website named LEMON, which has newer manuals. It also contains all the CHARM manuals.

LEMON is the spiritual successor to CHARM, I recommend you try it!

Link: lemon-manuals.la or lemon-manuals.org.ua

(Some people have issue connecting. LEMON is investigating. For now, use Firefox or change your DNS server)

Or, hide this message: temporarily or permanently

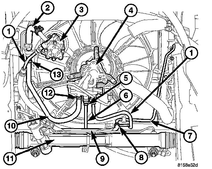
Power Steering Line/Hose: Service and Repair

HOSES - 5.7L

REMOVAL
PRESSURE LINE - PUMP TO HEC





1. Siphon the power steering fluid from the reservoir.
2. Remove the air cleaner assembly.
3. Disconnect the power steering pressure line from the power steering pump.
4. Raise and support the vehicle.
5. Remove the front splash shield.
6. Remove the 3 bolts (2) for the oil filter drip tray (1) and remove the tray.





7. Disconnect the power steering pressure line (2) from the hec fan (1).
8. Remove the line from the vehicle.

SUPPLY HOSE - PUMP TO RESERVOIR





1. Remove the air cleaner assembly.
2. Siphon the power steering fluid from the reservoir.
3. Disconnect the power steering supply hose (2) from the power steering pump (1).





4. Disconnect the supply hose (2) from the reservoir (5).

PRESSURE LINE - FAN TO GEAR
1. Siphon the power steering fluid from the reservoir.
2. Raise and support the vehicle.
3. Remove the front skid plate.





4. Remove the pressure line (2) at the gear (1).





5. Remove the quick connect pressure line (6) from the hydraulic cooling fan (4) using special quick connect tool 8875-A.
6. Remove the pressure line (6) from the vehicle.

HEC HARD TUBE FROM GEAR RETURN HOSE TO COOLER





1. Drain the power steering fluid out of the reservoir.
2. Remove the hood weather-strip seal (2) at the radiator cowl.
3. Remove the 6 grille push pins (1).





4. Remove the radiator core support (1).





5. Install quick connect tool 8875-A to remove the quick connect line (1) from the fluid cooler (3).
6. Remove the radiator, A/C assembly mounting bolts.
7. Move the radiator, A/C assembly toward the front of the vehicle to gain access in order to remove the line.
8. Raise and support the vehicle.





9. Remove the clamp (2) to the fluid line (3) at the radiator.





10. Remove the line (1) from the front of the vehicle by rotating the line in order to clear components.

HOSE FROM COOLER TO RESERVOIR





1. Drain the power steering fluid out of the reservoir.
2. Remove the hood weather-strip seal (2) at the radiator cowl.
3. Remove the 6 grille push pins (1).





4. Remove the spring clamp (2) from the fluid cooler (1).
5. Unseat the reservoir (5) by lifting up, Remove the fluid cooler hose spring clamp (4) to the reservoir (5).
6. Remove the fluid cooler hose (3) from the vehicle.

RETURN HOSE FROM GEAR TO THE HEC TUBE





1. Siphon the power steering fluid from the reservoir.
2. Raise and support the vehicle.
3. Remove the front splash shield.
4. Disconnect the return hose tube nut at the gear (2).
5. Remove the spring clamp (3) at the hose tube joint (4).
6. Remove return hose (2).

HEC RETURN HOSE





1. Siphon the power steering fluid from the reservoir.
2. Remove and discard the clamp (13) at the power steering reservoir.
3. Raise and support the vehicle.
4. Remove the front splash shield.
5. Remove and discard the clamp (12) at the hec fan (4).
6. Remove the hose (10).

INSTALLATION
PRESSURE LINE - PUMP TO HEC FAN





1. Install the line (2) to the vehicle.
2. Reconnect the power steering pressure line (2) to the power steering gear (1) Tighten to 28 Nm (21 ft. lbs.).





3. Install the oil drip tray (1) and tighten the 3 bolts (2).
4. Install the front splash shield.
5. Lower the vehicle.
6. Reconnect the power steering pressure line to the power steering pump Tighten to 28 Nm (21 ft. lbs.).
7. Install the air cleaner assembly.
8. Refill the power steering fluid and bleed the system.

SUPPLY HOSE - PUMP TO RESERVOIR





1. Reconnect the power steering supply hose (2) to the power steering pump (1).





2. Reconnect the supply hose (2) to the reservoir (5).
3. Fill the system with power steering fluid.
4. Install the air cleaner assembly.
5. Bleed the system.

PRESSURE LINE - FAN TO GEAR





1. Install the pressure line (5) to the vehicle.
2. Install the pressure line (5) at the hydraulic cooling fan (4).





3. Install the pressure line (2) at the gear (1), Tighten to 28 Nm (21 ft. lbs.).
4. Install the front skid plate.
5. Lower the vehicle.
6. Fill the system with power steering fluid and bleed..

HEC HARD TUBE FROM GEAR RETURN HOSE TO COOLER





1. Install the line (1) into place from the front of the vehicle by rotating the line in order to clear components.





2. Move the radiator, A/C assembly back in place.
3. Install the radiator, A/C assembly mounting bolts.
4. Install the fluid cooler quick connect line (1) to the fluid cooler (3).





5. Install the radiator core support (1).





6. Raise and support the vehicle.
7. Reconnect the rubber hose 1) to the fluid cooler line (3) and reinstall clamp (2) to secure the line in place at the radiator.
8. Lower the vehicle.
9. Refill the power steering fluid and bleed the system.
10. Start engine and check for leaks.





11. Install the grille and the 6 grille push pins (1).
12. Install the hood weather-strip seal (2) at the radiator cowl.

HOSE FROM COOLER TO RESERVOIR





1. Install the fluid cooler hose (3) and spring clamp (4) to the reservoir (5).
2. Reinstall the reservoir (5) into the mounting slot.
3. Install the fluid cooler hose (3) and spring clamp (2) to the fluid cooler (1).
4. Refill the power steering fluid and bleed the system.
5. Start engine and check for leaks.





6. Install the grille and the 6 grille push pins (1).
7. Install the hood weather-strip seal (2) at the radiator cowl.

RETURN HOSE FROM GEAR TO THE HEC TUBE





1. Reconnect the return hose tube nut (2) at the gear.
2. Install the return hose (2).
3. Install the spring clamp (3) at the hose tube joint (4).
4. Install the front splash shield.
5. Remove the support and lower the vehicle.
6. Refill the power steering fluid and bleed the system.
7. Start engine and check for leaks.

HEC RETURN HOSE





1. Install the hose (10) to the hec fan (4) and reservoir.
2. Install a new crimp clamp (12) at the hec fan (4).
3. Install the front splash shield.
4. Remove the support and lower the vehicle.
5. Install a new crimp clamp (13) at the power steering reservoir.
6. Refill the power steering fluid and bleed the system.
7. Start engine and check for leaks.