Operation CHARM: Car repair manuals for everyone.
Manuals through 2025 now available!

Our trusted friends have launched a new website named LEMON, which has newer manuals. It also contains all the CHARM manuals.

LEMON is the spiritual successor to CHARM, I recommend you try it!

Link: lemon-manuals.la or lemon-manuals.org.ua

(Some people have issue connecting. LEMON is investigating. For now, use Firefox or change your DNS server)

Or, hide this message: temporarily or permanently

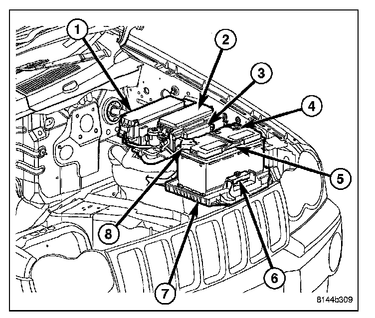
Battery Cable: Service and Repair

REMOVAL

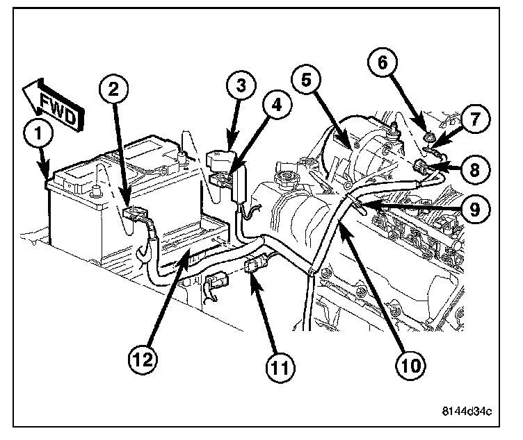
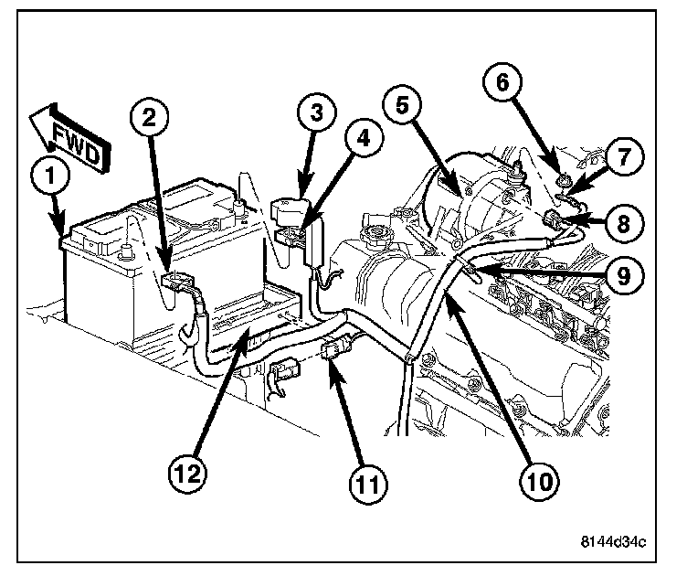
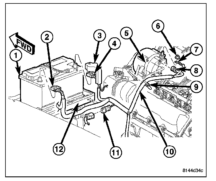
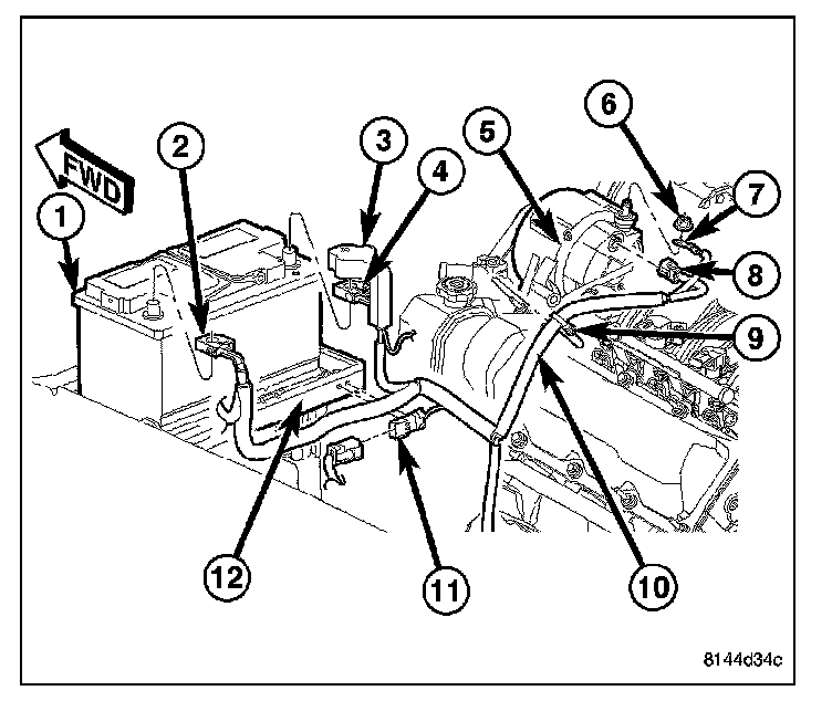
NOTE: It may be necessary to use a battery terminal puller (2) if the battery cable terminal clamps are seized on to the battery posts.




Both the battery negative cable (2) and the battery positive cable (4) are serviced in the battery wire harness (10). If either battery cable is damaged or faulty, the battery wire harness assembly must be replaced.




1. Turn the ignition switch to the Off position. Be certain that all electrical accessories are turned off.
2. Disconnect the battery negative cable terminal clamp (2) from the battery negative terminal post. If necessary, use a battery terminal puller to remove the terminal clamp from the battery post.
3. Lift the battery positive cable terminal clamp cover (3) to gain access to the pinch-bolt hex nut.
4. Disconnect the battery positive cable terminal clamp (4) from the battery positive terminal post. If necessary, use a battery terminal puller to remove the terminal clamp from the battery post.




5. Remove the screw (1) that secures the battery negative cable eyelet terminal (2) to the inner fender (3).




6. Unlatch and open the cover on the Power Distribution Center (PDC)(1) and Integrated Power Module (IPM) (2).




7. Remove the two nuts that secure the battery positive cable eyelet terminal to the B(+) terminal studs in the PDC.
8. Remove the nut that secures the battery positive cable eyelet terminal to the B(+) terminal stud in the IPM.
9. Remove both battery positive cable eyelet terminals from the B(+) terminal studs in the PDC and IPM.




10. Disconnect the battery wire harness three pin connector (11).
11. Remove the battery wire harness three pin connector (11) from the battery tray (12).
12. On 3.7L and 4.7L engines remove the nut (6) that secures the generator output cable eyelet terminal (7) to the generator output terminal stud.
13. Remove the generator output cable eyelet terminal from the generator output terminal stud.
14. Disconnect the battery wire harness connector (8) from the generator field terminal connector receptacle on the back of the generator.
15. Remove the battery wire harness retaining clip (9) from the valve cover stud.




16. On 5.7L engines remove the nut (5) that secures the generator output cable eyelet terminal (4) to the generator output terminal stud.
17. Remove the generator output cable eyelet terminal from the generator output terminal stud.
18. Disconnect the battery wire harness connector (6) from the generator field terminal connector receptacle on the back of the generator (3).
19. Remove the battery wire harness retaining clips (2) from the valve cover studs.




20. Raise the vehicle on a hoist.
21. Remove the bolt (5) that secures the battery negative cable ground eyelet terminal (6) to the engine block (10).
22. Remove the nut (4) that secures the battery positive cable eyelet terminal (3) to the B(+) terminal stud on the starter solenoid.
23. Remove the battery positive cable eyelet terminal from the B(+) terminal stud on the starter solenoid.
24. Disconnect the battery wire harness connector (2) from the connector receptacle on the starter solenoid.
25. Remove the battery wire harness retaining clips (7) & (9) from the engine.
26. Remove the battery wire harness from the engine compartment.

INSTALLATION

NOTE: Both the battery negative cable and the battery positive cable are serviced in the battery wire harness. If either battery cable is damaged or inoperative, the battery wire harness assembly must be replaced.




1. Clean and inspect the battery cable terminal clamps and the battery terminal posts.
2. Position the battery wire harness assembly (10) into the vehicle.




3. Raise the vehicle on a hoist.
4. Install the battery wire harness retaining clips (7) & (9) to the engine.
5. Reconnect the battery wire harness connector (2) to the connector receptacle on the starter solenoid.
6. Install the battery positive cable eyelet terminal (3) onto the B(+) terminal stud on the starter solenoid.
7. Install and tighten the nut (4) that secures the battery positive cable eyelet terminal (3) to the B(+) terminal stud on the starter solenoid. Tighten the nut to 11 N.m (95 in. lbs.).
8. Install and tighten the bolt (5) that secures the battery negative cable ground eyelet terminal (6) to the engine block (10). Tighten the bot to 10 N.m (95 in. lbs.).
9. Lower the vehicle.




10. Install the battery wire harness retaining clips (2) to the valve cover studs.
11. On 5.7L engines, reconnect the battery wire harness connector (6) to the generator field terminal connector receptacle on the back of the generator.
12. Install the generator output cable eyelet terminal (4) onto the generator output terminal stud.
13. Install and tighten the nut (5) that secures the generator output cable eyelet terminal (4) to the generator output terminal stud. Tighten the nut to 14 N.m (125 in. lbs.).




14. On 3.7L and 4.7L engines, reconnect the battery wire harness connector (8) to the generator field terminal connector receptacle on the back of the generator.
15. Install the generator output cable eyelet terminal (7) onto the generator output terminal stud.
16. Install and tighten the nut (6) that secures the generator output cable eyelet terminal (7) to the generator output terminal stud. Tighten the nut to 14 N.m (125 in. lbs.).
17. Install the battery wire harness retaining clip (9) onto the valve cover stud.
18. Install the battery wire harness three pin connector (11) onto the battery tray (12).
19. Connect the battery wire harness three pin connector (11).




20. Install both battery positive cable eyelet terminals onto the B(+) terminal studs in the Power Distribution Center (PDC) and Integrated Power Module (IPM).
21. Install and tighten the nuts that secure the battery positive cable eyelet terminals onto the B(+) terminal studs in the PDC and IPM. Tighten the nut to 11.5 N.m (105 in. lbs.).




22. Close and latch the covers on the PDC (1) and IPM (2).




23. Install and tighten the screw (1) that secures the battery negative cable eyelet terminal (2) to the inner fender (3). Tighten the screw to 28 N.m (20.5 ft. lbs.).




24. Reconnect the battery positive cable terminal clamp (4) to the battery positive terminal post. Tighten the terminal clamp pinch-bolt hex nut to 5.5 N.m (50 in. lbs.).
25. Secure the battery positive cable terminal clamp cover (3) over the battery positive cable terminal clamp (4).
26. Reconnect the battery negative cable terminal clamp (2) to the battery negative terminal post. Tighten the terminal clamp pinch-bolt hex nut to 5.5 N.m (50 in. lbs.).
27. Apply a thin coating of petroleum jelly or chassis grease to the exposed surfaces of the battery cable terminal clamps and the battery terminal posts.