Operation CHARM: Car repair manuals for everyone.
Manuals through 2025 now available!

Our trusted friends have launched a new website named LEMON, which has newer manuals. It also contains all the CHARM manuals.

LEMON is the spiritual successor to CHARM, I recommend you try it!

Link: lemon-manuals.la or lemon-manuals.org.ua

(Some people have issue connecting. LEMON is investigating. For now, use Firefox or change your DNS server)

Or, hide this message: temporarily or permanently

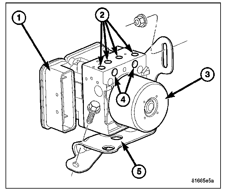
Electronic Brake Control Module: Service and Repair

REMOVAL
1. Remove the negative battery cable from the battery.
2. Install a brake pedal prop rod.
3. Siphon the master cylinder.




4. Disconnect the HCU electrical connectors (5).
5. Remove the primary brake line at the master cylinder.
6. Remove the primary brake line from the HCU (4).
7. Remove the secondary brake line at the master cylinder.
8. Remove the secondary brake line at the HCU (4)
9. Remove the 4 chassis lines (3) at the HCU (4).




10. Remove the 1 mounting nut and 1 bolt for the HCU bracket attachment (2).
11. Remove the HCU (3) with the bracket (5) from the vehicle.




12. Remove the 3 ABM bolts securing the ABM (1) to the HCU (2).




13. Separate the ABM (1) from the HCU (2).

INSTALLATION

NOTE: If the ABM is being replaced with a new ABM is must be reprogrammed with the use of a scan tool.




1. Install new seals between the ABM and HCU.
2. Install the ABM (1) to the HCU (2).




3. Install the 3 ABM (1) mounting bolts to the HCU (2) if removed tighten mounting bolts to 12 N.m (9 ft. lbs.).




4. Install the HCU (3) with bracket (5) to the vehicle and tighten the 2 mounting nuts.




5. Reconnect the HCU electrical connector (5).
6. Install the 4 chassis lines (3) at the HCU (4).
7. Install the secondary brake tube at the HCU (4).
8. Install the secondary brake tube at the master cylinder.
9. Install the primary brake tube at the HCU (4).
10. Install the primary brake tube at the master cylinder.
11. Install negative battery cable to the battery.
12. Remove the brake pedal prop rod.
13. Bleed base and ABS brake systems.
14. Initialize the ABS module using the scan tool.