Operation CHARM: Car repair manuals for everyone.
Manuals through 2025 now available!

Our trusted friends have launched a new website named LEMON, which has newer manuals. It also contains all the CHARM manuals.

LEMON is the spiritual successor to CHARM, I recommend you try it!

Link: lemon-manuals.la or lemon-manuals.org.ua

(Some people have issue connecting. LEMON is investigating. For now, use Firefox or change your DNS server)

Or, hide this message: temporarily or permanently

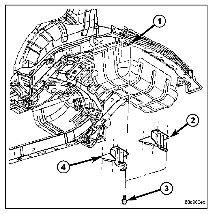
Trailer Hitch: Service and Repair

TRAILER HITCH

REMOVAL




1. Remove the tow hooks, if equipped.
2. Disconnect trailer electrical connector.
3. Support the hitch with a suitable lifting device.




4. Remove the bolts and remove the trailer hitch.

INSTALLATION

1. Support the hitch with a suitable lifting device and install the hitch.




2. Install the bolts (1) and tighten to 88 N.m (65 ft.lbs.)
3. Connect the electrical connector.




4. Install the tow hooks, if required.