Operation CHARM: Car repair manuals for everyone.
Manuals through 2025 now available!

Our trusted friends have launched a new website named LEMON, which has newer manuals. It also contains all the CHARM manuals.

LEMON is the spiritual successor to CHARM, I recommend you try it!

Link: lemon-manuals.la or lemon-manuals.org.ua

(Some people have issue connecting. LEMON is investigating. For now, use Firefox or change your DNS server)

Or, hide this message: temporarily or permanently

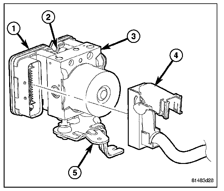
Electronic Brake Control Module: Description and Operation

MODULE-ANTILOCK BRAKE

DESCRIPTION




The Antilock Brake Module (ABM) (1) is mounted to the Hydraulic Control Unit (HCU) (3) and operates the ABS system.

OPERATION
The ABM voltage source is through the ignition switch in the RUN position. The ABM contains dual microprocessors. A logic block in each microprocessor receives identical sensor signals. These signals are processed and compared simultaneously. The ABM contains a self check program that illuminates the ABS warning light when a system fault is detected. Faults are stored in a diagnostic program memory and are accessible with the scan tool. ABS faults remain in memory until cleared, or until after the vehicle is started approximately 50 times. Stored faults are not erased if the battery is disconnected.