Operation CHARM: Car repair manuals for everyone.
Manuals through 2025 now available!

Our trusted friends have launched a new website named LEMON, which has newer manuals. It also contains all the CHARM manuals.

LEMON is the spiritual successor to CHARM, I recommend you try it!

Link: lemon-manuals.la or lemon-manuals.org.ua

(Some people have issue connecting. LEMON is investigating. For now, use Firefox or change your DNS server)

Or, hide this message: temporarily or permanently

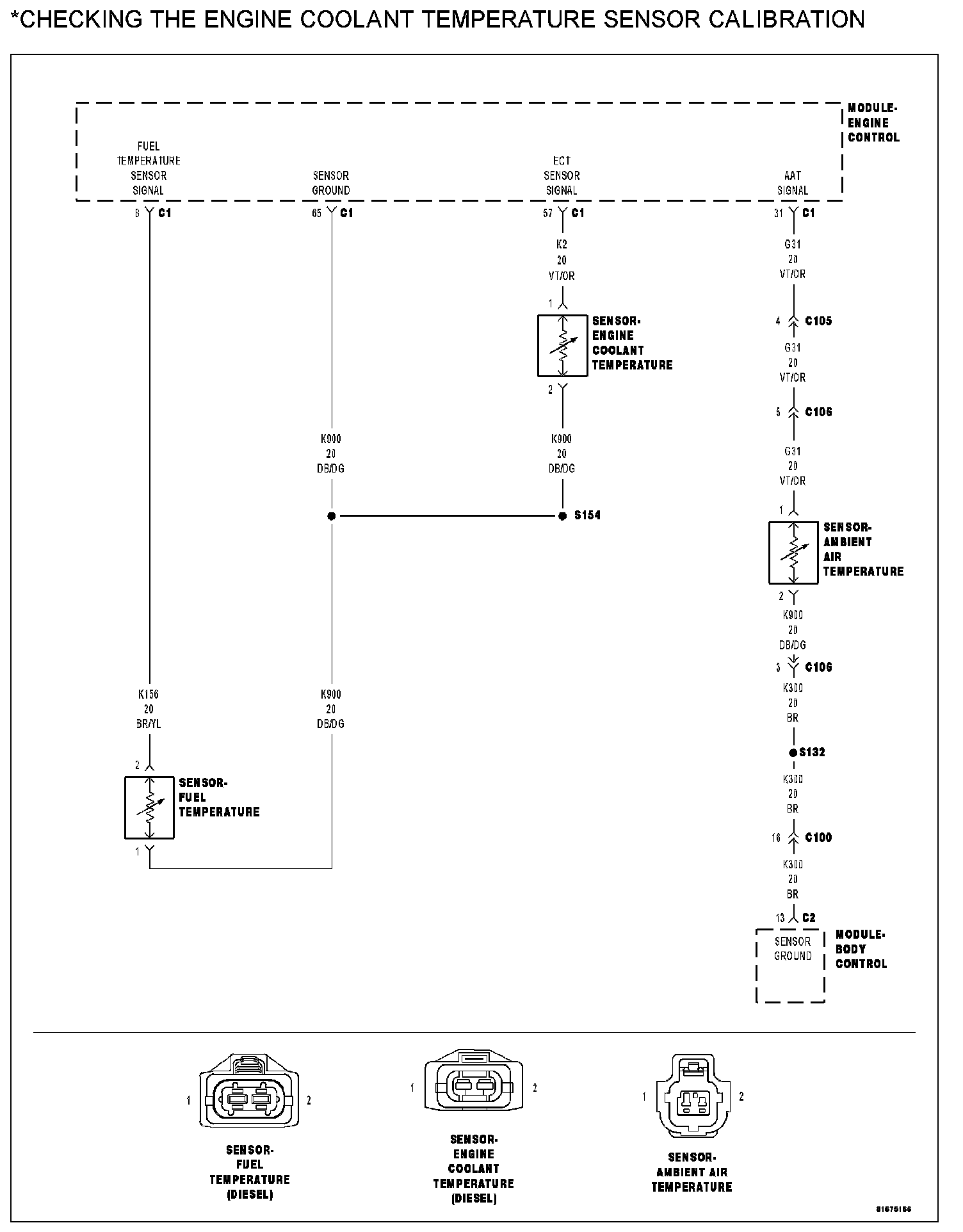
Checking the Engine Coolant Temperature Sensor Calibration

CHECKING THE ENGINE COOLANT TEMPERATURE SENSOR CALIBRATION

Checking The Engine Coolant Temperature Sensor Calibration:






POSSIBLE CAUSES
- ECT sensor - cold
- ECT sensor - hot

DIAGNOSTIC TEST

1. ECT SENSOR - COLD

NOTE: The thermostat must be operating correctly for this test to be valid.

Using the scan tool read and note the engine coolant temperature.
Using a temperature probe, measure the engine block temperature near the ECT Sensor.

NOTE: The engine temperature should be below 50° C (120° F).

Q: Are the readings within 7° C (13° F) of each other?

YES: Go To 2
NO: Check the wiring and connectors associated with the ECT Sensor for corrosion, damage or other problems. Repair as necessary. If wiring and connectors are o.k., replace the Engine Coolant Temperature Sensor.
Perform the ECM Verification Test Ver. 1. ECM Verification Test

2. ECT SENSOR - HOT

NOTE: The thermostat must be operating correctly for this test to be valid.

Start the engine and bring the engine to operating temperature (thermostat open).
Turn the engine off and wait 10 minutes to allow the engine temperature to stabilize.
Using a temperature probe, measure the engine block temperature near the ECT Sensor.
Using the Scan Tool, read the engine coolant temperature.

Q: Are the readings within 7° C (13° F) of each other?

YES: Test Complete.
NO: Check the wiring and connectors associated with the ECT Sensor for corrosion, damage or other problems. Repair as necessary. If wiring and connectors are o.k., replace the Engine Coolant Temperature Sensor.
Perform the ECM Verification Test Ver. 1. ECM Verification Test