Operation CHARM: Car repair manuals for everyone.
Manuals through 2025 now available!

Our trusted friends have launched a new website named LEMON, which has newer manuals. It also contains all the CHARM manuals.

LEMON is the spiritual successor to CHARM, I recommend you try it!

Link: lemon-manuals.la or lemon-manuals.org.ua

(Some people have issue connecting. LEMON is investigating. For now, use Firefox or change your DNS server)

Or, hide this message: temporarily or permanently

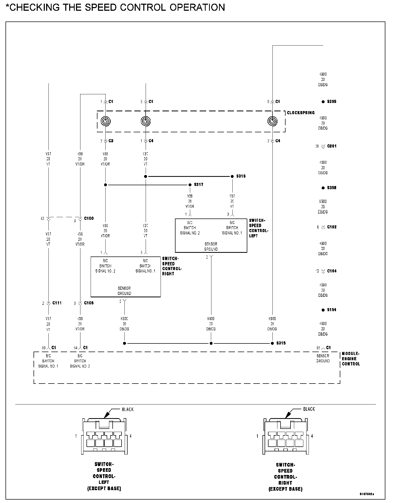
Checking the Speed Control Operation

CHECKING THE SPEED CONTROL OPERATION

Checking The Speed Control Operation:






POSSIBLE CAUSES
- Brake switch signal
- Checking cruise switches
- Checking the ECM for DTC's
- Engine control module
- VSS signal

DIAGNOSTIC TEST

1. CHECKING THE ECM FOR DTC'S
Turn the ignition on.
With the scan tool, read the ECM DTCs.

Q: Are there any ECM DTCs present?

YES: Refer to Trouble Code Diagnostic Charts for problems related to the ECM DTC.
Perform the ECM Verification Test Ver. 1. ECM Verification Test
NO: Go To 2

2. CHECKING CRUISE SWITCHES
Start the engine.
With the scan tool, read the S/C Switch #1 volts.
Observe the cruise switch volts on the scan tool while pressing and holding each cruise button separately.

NOTE: Pressing each cruise button should result in the following voltages: ON/OFF 0.78v - 0.98, SET 3.26 - 3.46v, RESUME/ACCEL 3.93 - 4.13v, CANCEL 1.67 - 1.87v, COAST 2.64 - 2.84v, No Button Pressed 4.44 - 4.64v

With the scan tool, read the S/C Switch #2 volts.
Observe the cruise switch volts on the scan tool while pressing and holding each cruise button separately.

NOTE: Pressing each cruise button should result in the following voltages: ON/OFF 3.62 - 3.82v, SET 1.25 - 1.45v, RESUME/ACCEL 2.13 - 2.33v, CANCEL 2.93 - 3.13v, COAST 0.78 - 0.98v, No Button Pressed 4.44 - 4.64v

Q: Does each switch provide the correct voltage?

YES: Go To 3
NO: Check S/C Switch signal and Ground circuits. If o.k., replace the S/C Switches.
Perform the ECM Verification Test Ver. 1. ECM Verification Test

3. VERIFY S/C OPERATION

NOTE: Prior to testing the speed control operation, ensure the Learn Speed Control feature has been performed on the ECM.

Test drive the vehicle above 60 km/h (35 MPH).
Attempt to Set the Speed Control.

Q: Does the Speed Control function properly?

YES: Test Complete.
NO: Go To 4

4. VSS SIGNAL
With the scan tool, read Vehicle Speed.
Have an assistant drive the vehicle while you are observing the Vehicle Speed on the scan tool.
While observing vehicle speed on the scan tool, note any rapid changes (signal dropouts) in the reading that do not correspond with actual vehicle speed.

Q: Is the scan tool displaying an accurate vehicle speed?

YES: Go To 5
NO: Refer to Trouble Code Diagnostic Charts for problems related to the Vehicle Speed Sensor.
Perform the ECM Verification Test Ver. 1. ECM Verification Test

5. BRAKE SWITCH SIGNAL
With the scan tool in Inputs/Outputs, read the Primary and Secondary brake switch states while pressing and releasing the Brake Pedal several times.

Q: Did the scan tool indicate the correct brake pedal state when pressing and releasing the Brake Pedal?

YES: Refer to the CHECKING FOR AN INTERMITTENT DTC Diagnostic Procedure. Component Tests and General Diagnostics
NO: Refer to Trouble Code Diagnostic Charts for problems related to Brake Switch Signal.
Perform the ECM Verification Test Ver. 1. ECM Verification Test