Manuals through 2025 now available!
Our trusted friends have launched a new website named LEMON, which has newer manuals. It also contains all the CHARM manuals.
LEMON is the spiritual successor to CHARM, I recommend you try it!
Link:
lemon-manuals.la or
lemon-manuals.org.ua
(Some people have issue connecting. LEMON is investigating. For now, use Firefox or change your DNS server)
Or, hide this message:
temporarily or
permanently
Remote Keyless Entry (RKE) Module Replacement
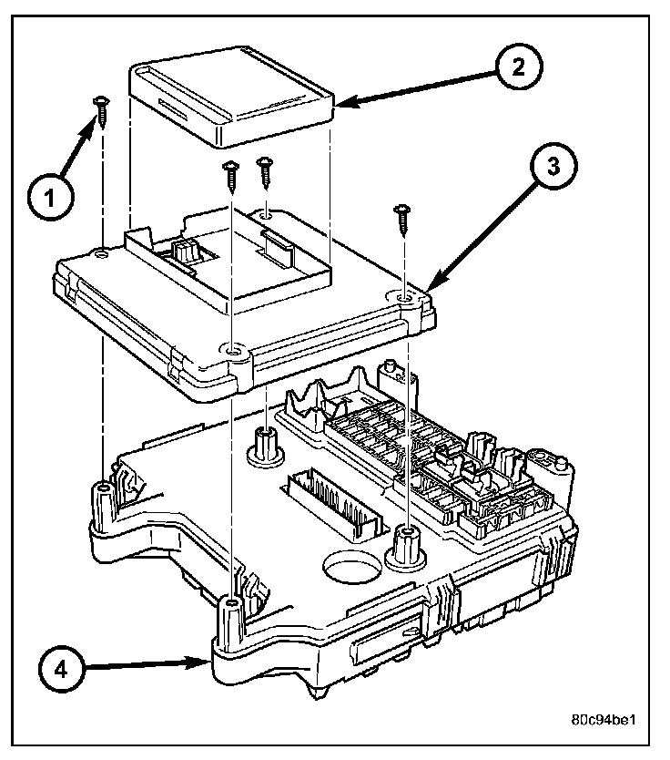
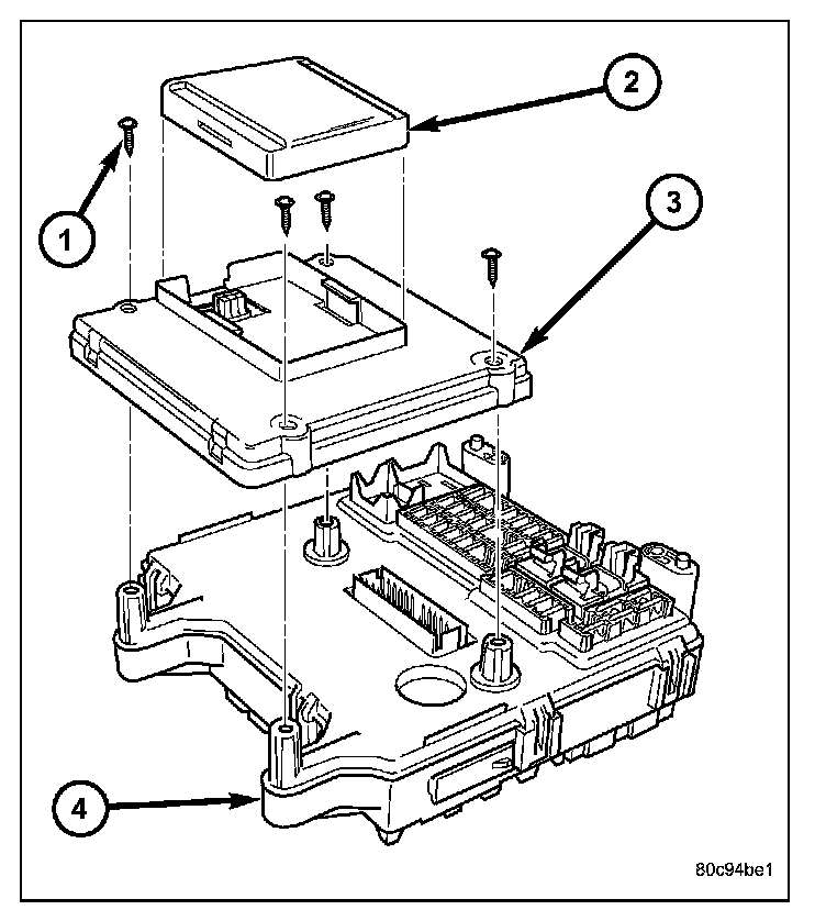
REMOTE KEYLESS ENTRY MODULEREMOVAL 1.
Disconnect and isolate the battery negative cable.
2.
Remove the Junction Block (JB) (4).
3.
Remove Remote Keyless Entry module (2) from
Body Control Module (3).
INSTALLATION 1.
Install Remote Keyless Entry module (2) to
Body Control Module (3).
2.
Install Junction Block (JB) (4).
3.
Connect the battery negative cable.