Operation CHARM: Car repair manuals for everyone.
Manuals through 2025 now available!

Our trusted friends have launched a new website named LEMON, which has newer manuals. It also contains all the CHARM manuals.

LEMON is the spiritual successor to CHARM, I recommend you try it!

Link: lemon-manuals.la or lemon-manuals.org.ua

(Some people have issue connecting. LEMON is investigating. For now, use Firefox or change your DNS server)

Or, hide this message: temporarily or permanently

Battery Temperature Sensor: Service and Repair

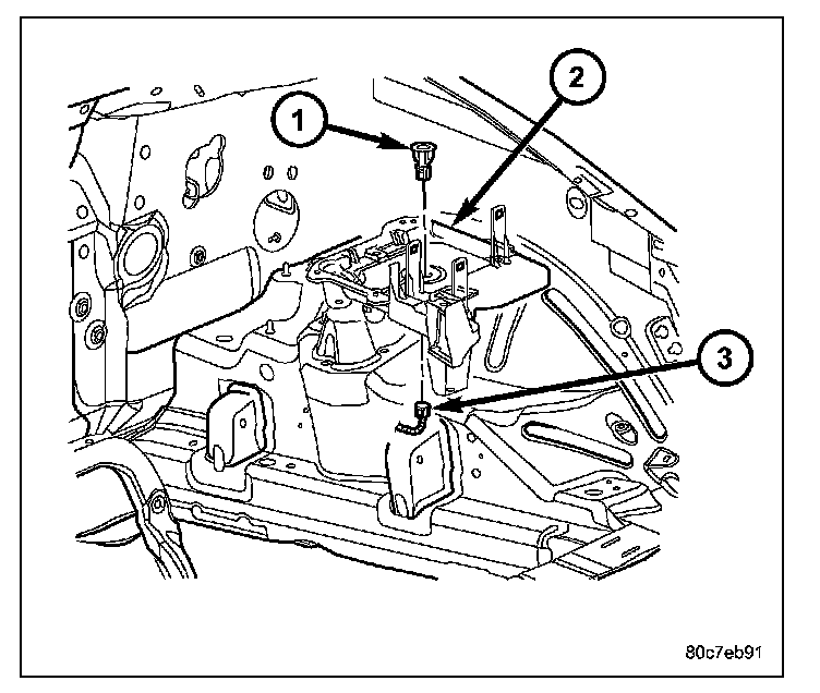
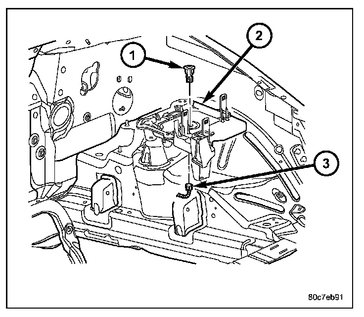
SENSOR - BATTERY TEMPERATURE

The battery temperature sensor (1) is located under the vehicle battery and is attached to a mounting hole on battery tray.

REMOVAL




1. Remove battery.
2. Disconnect sensor pigtail harness from engine wire harness electrical connector.
3. Pry sensor straight up from battery tray mounting hole.

INSTALLATION




1. Feed pigtail harness through hole in top of battery tray and press sensor into top of battery tray.
2. Connect pigtail harness.
3. Install battery.