Operation CHARM: Car repair manuals for everyone.
Manuals through 2025 now available!

Our trusted friends have launched a new website named LEMON, which has newer manuals. It also contains all the CHARM manuals.

LEMON is the spiritual successor to CHARM, I recommend you try it!

Link: lemon-manuals.la or lemon-manuals.org.ua

(Some people have issue connecting. LEMON is investigating. For now, use Firefox or change your DNS server)

Or, hide this message: temporarily or permanently

Clutch Switch Relay: Service and Repair

RELAY-CLUTCH SWITCH OVERRIDE

REMOVAL

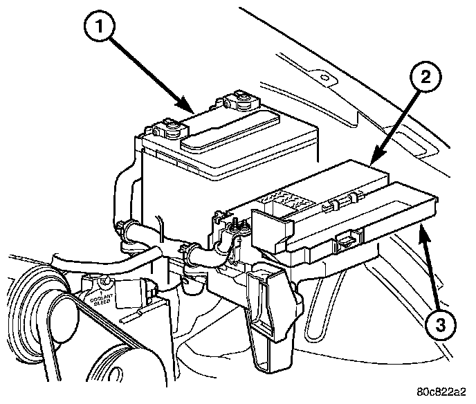
NOTE: Refer to label on PDC cover for relay location.





1. Remove PDC (2) cover (3).
2. Remove relay from PDC.
3. Check relay and PDC terminals for:
- Damage or corrosion
- Pin height (all terminals should be same height)

INSTALLATION
1. Install relay in PDC.
2. Install PDV cover.
3. Verify operation of relay.