Operation CHARM: Car repair manuals for everyone.
Manuals through 2025 now available!

Our trusted friends have launched a new website named LEMON, which has newer manuals. It also contains all the CHARM manuals.

LEMON is the spiritual successor to CHARM, I recommend you try it!

Link: lemon-manuals.la or lemon-manuals.org.ua

(Some people have issue connecting. LEMON is investigating. For now, use Firefox or change your DNS server)

Or, hide this message: temporarily or permanently

Automatic Transmission/Transaxle

AUTOMATIC TRANSMISSION - 42RLE

Park/Neutral (Speed Under 8 mph):





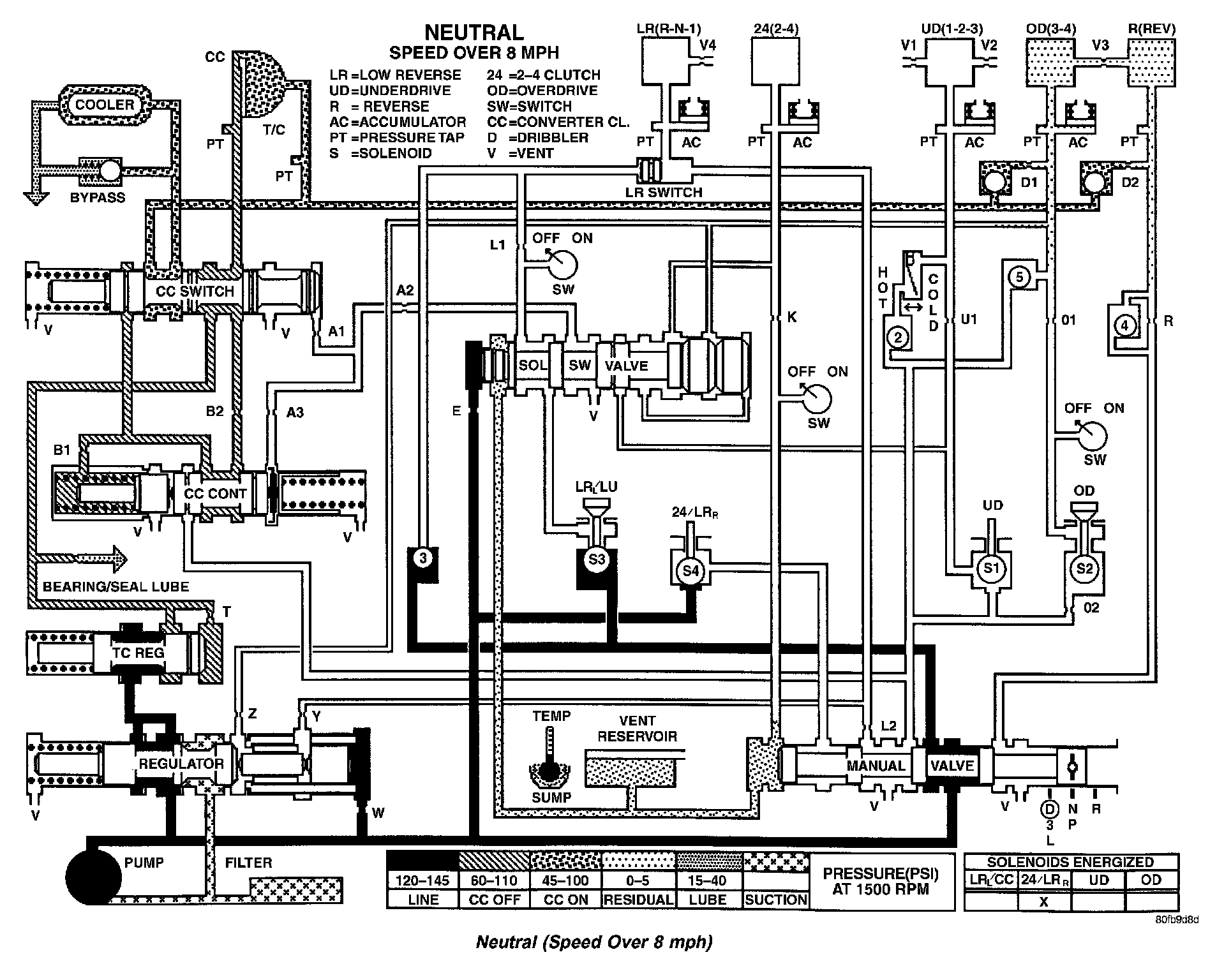
Neutral (Speed Over 8 mph):





Reverse:





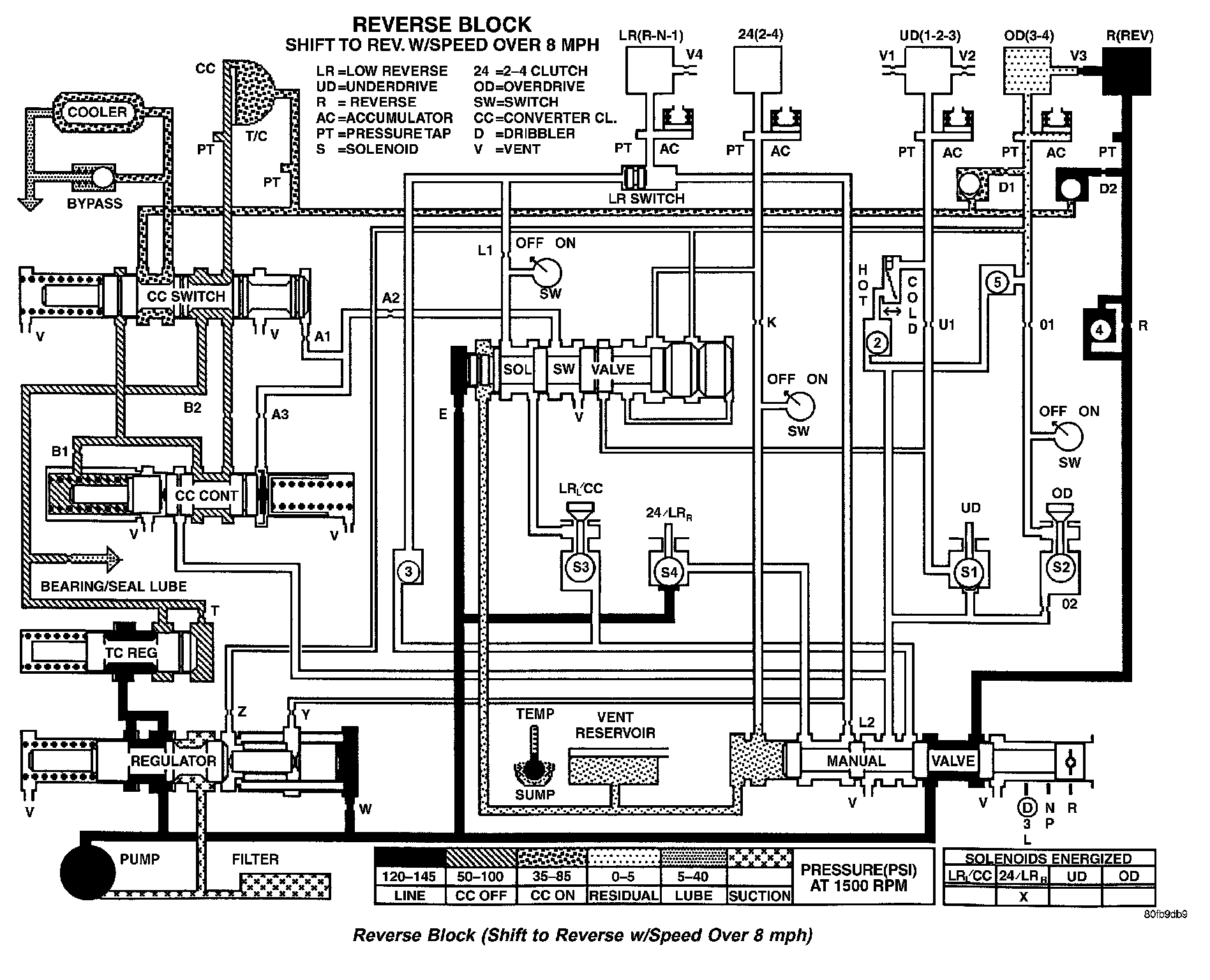
Reverse Block (Shift to Reverse w/Speed Over 8 mph):





First Gear:





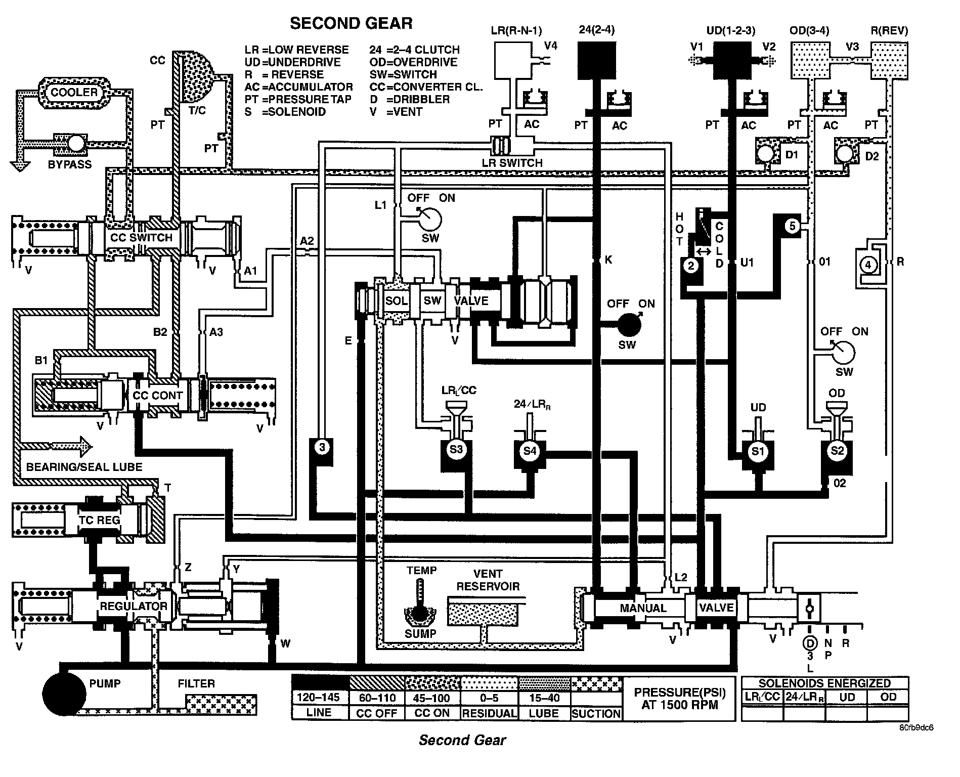
Second Gear:





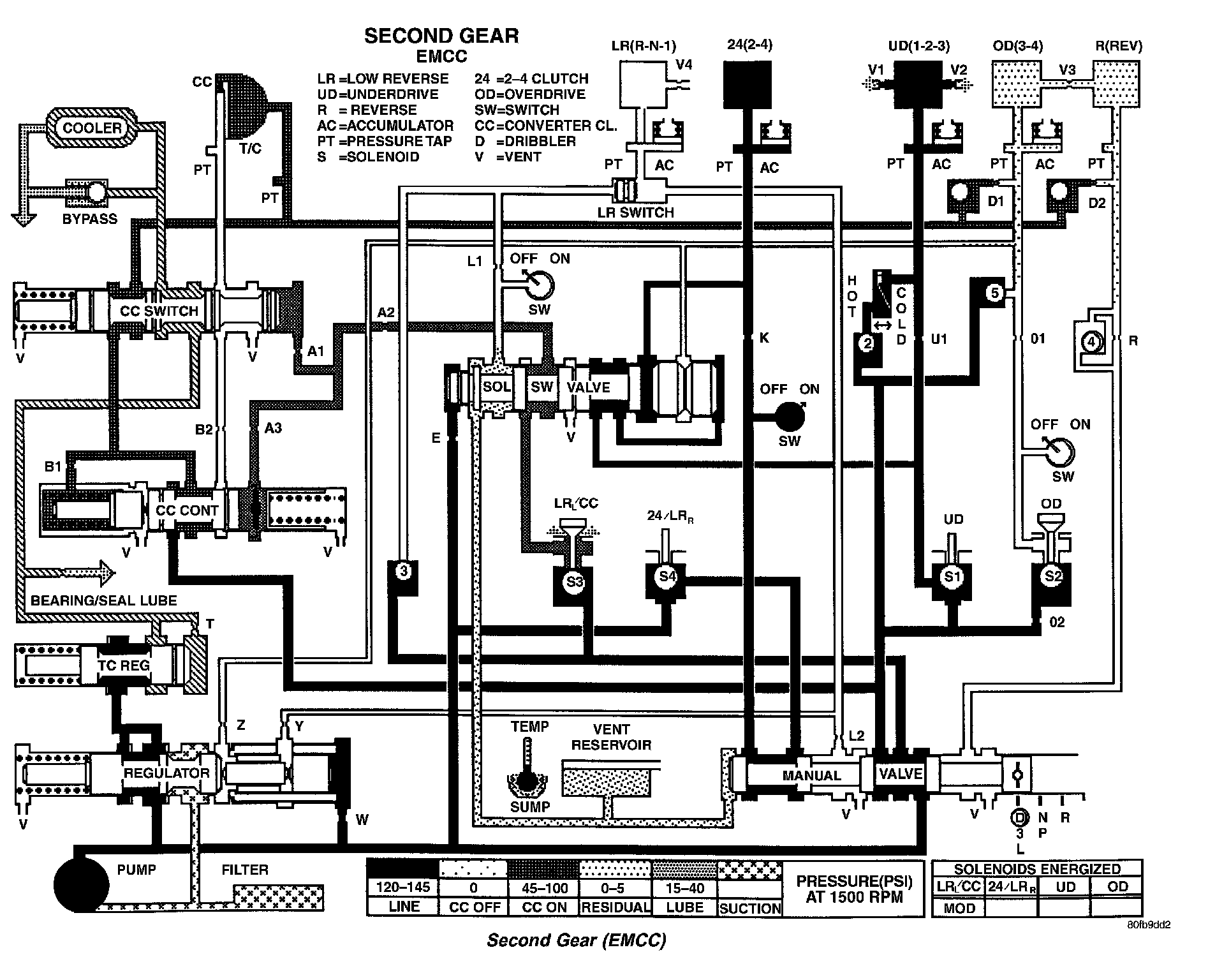
Second Gear (EMCC):





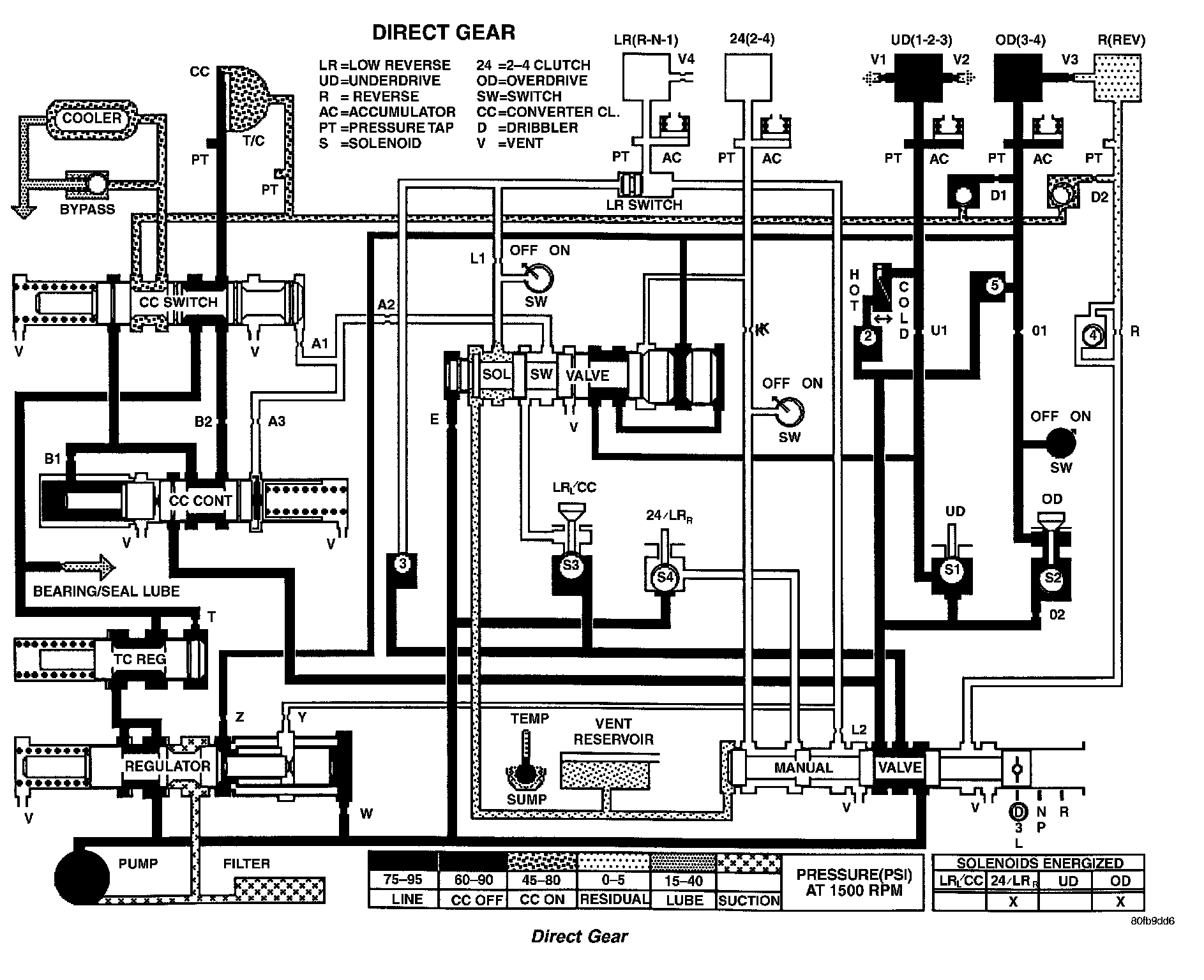
Direct Gear:





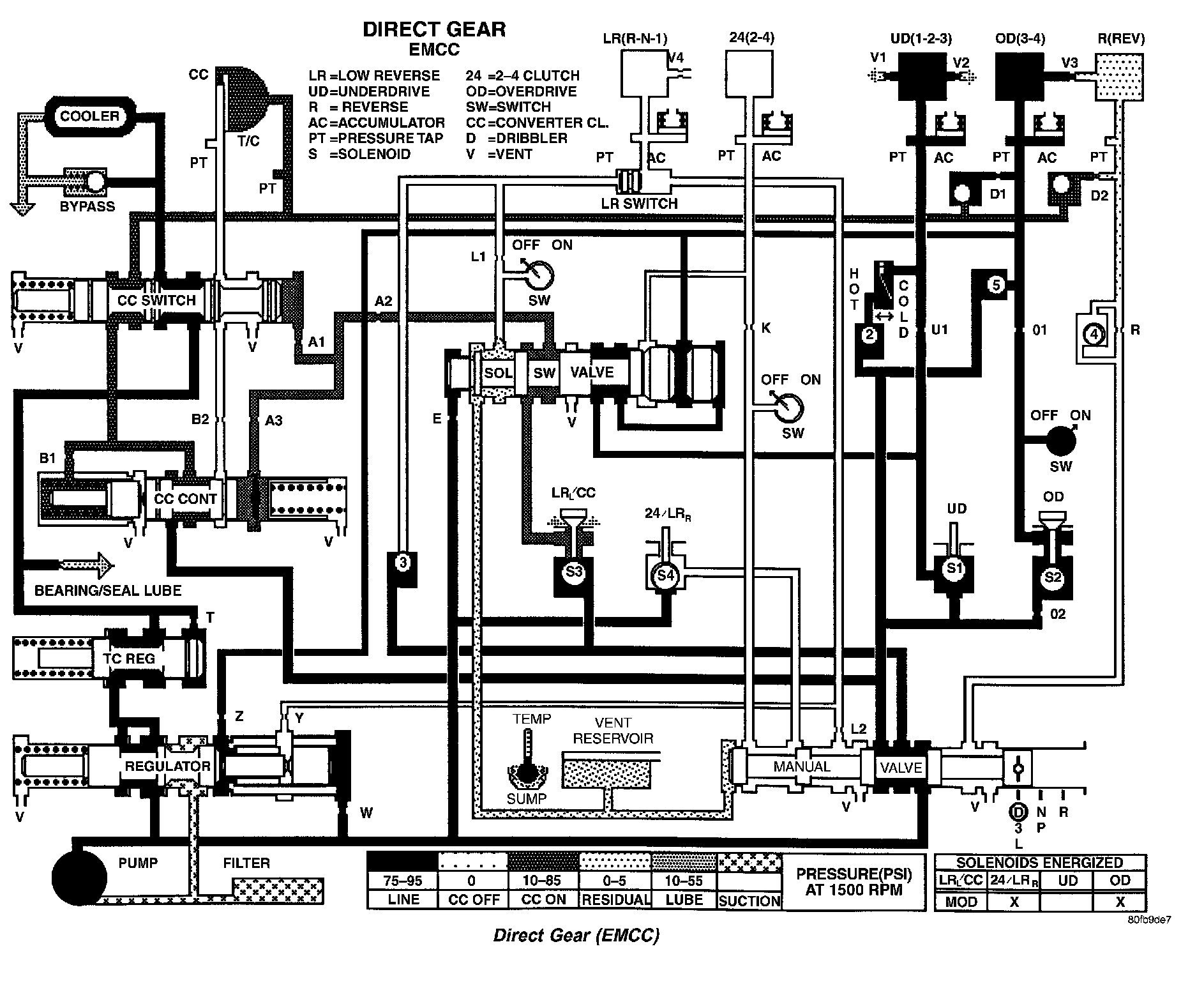
Direct Gear (EMCC):





Direct Gear (CC On):





Overdrive:





Overdrive (EMCC):





Overdrive (CC On):