Operation CHARM: Car repair manuals for everyone.
Manuals through 2025 now available!

Our trusted friends have launched a new website named LEMON, which has newer manuals. It also contains all the CHARM manuals.

LEMON is the spiritual successor to CHARM, I recommend you try it!

Link: lemon-manuals.la or lemon-manuals.org.ua

(Some people have issue connecting. LEMON is investigating. For now, use Firefox or change your DNS server)

Or, hide this message: temporarily or permanently

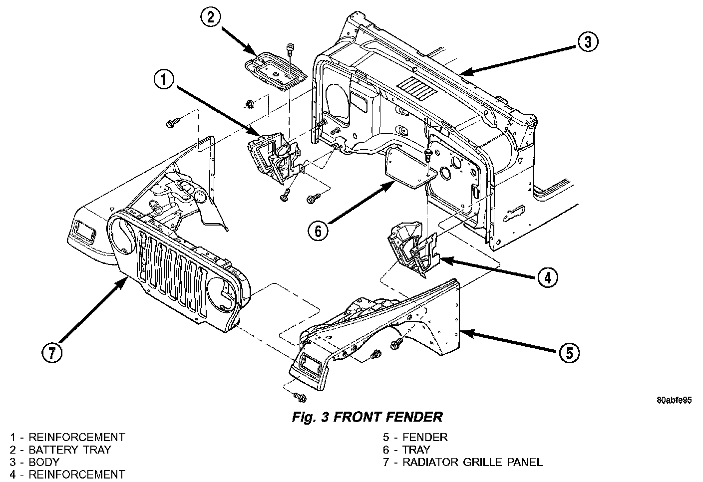
Left Front Fender

LEFT FRONT FENDER

REMOVAL

1. Disconnect the negative terminal on the battery.
2. Remove the windshield washer reservoir.
3. Remove horns.
4. Remove EVAP canister.
5. Remove the bolts attaching the ABS Hydraulic Control Unit (HCU) to the support tray.
6. Secure the HCU.
7. Remove the HCU tray.
8. Disengage the front end lighting wire harness retainers on the fender.
9. Disengage the headlamp wire connector.
10. Route the fog lamp (if equipped), park lamp and side marker wire harness through the access hole in the fender well.

Fig. 3:




11. Remove the bolts attaching the fender to the cowl (Fig. 3).
12. Remove the bolts attaching the fender to the HCU tray reinforcement bracket.
13. Remove the bolts attaching the fender to the grille.
14. Separate the fender from the vehicle.

INSTALLATION

Transfer all related components. Replace harness retainers if damaged.
1. Position the fender on the vehicle.
2. Install the bolts attaching the fender to the grille.
3. Position the front end lighting wire harness into the retainers on the fender. Engage the retainers to secure.
4. Install the bolts attaching the fender to the HCU tray reinforcement bracket.
5. Install the bolts attaching the fender to the cowl.
6. If equipped, install the body side molding.
7. Route the fog lamp (if equipped), park lamp and side marker wire harness through the access hole in the fender well. Seat the grommet.
8. Engage the headlamp wire connector.
9. Install the HCU tray.
10. Position the HCU on the support tray and install the bolts.
11. Install EVAP canister.
12. Install horns.
13. Engage horn wire connectors.
14. Install the windshield washer reservoir.
15. Connect the negative terminal on the battery.