Operation CHARM: Car repair manuals for everyone.
Manuals through 2025 now available!

Our trusted friends have launched a new website named LEMON, which has newer manuals. It also contains all the CHARM manuals.

LEMON is the spiritual successor to CHARM, I recommend you try it!

Link: lemon-manuals.la or lemon-manuals.org.ua

(Some people have issue connecting. LEMON is investigating. For now, use Firefox or change your DNS server)

Or, hide this message: temporarily or permanently

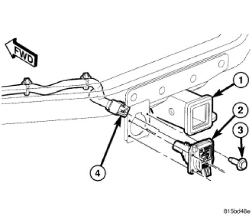
Installation






INSTALLATION





1. Position the 7-way trailer tow connector (2) into the connector bracket on the left of the trailer hitch receiver (1).

2. Install and tighten the four screws (3) that secure the 7-way trailer tow connector to the bracket. Tighten the screws to 4 Nm (35 in. lbs.).

3. Reach behind the bracket to access and reconnect the connector (4) of the underbody wire harness to the 7-way trailer tow connector.

4. Reconnect the battery negative cable.