Operation CHARM: Car repair manuals for everyone.
Manuals through 2025 now available!

Our trusted friends have launched a new website named LEMON, which has newer manuals. It also contains all the CHARM manuals.

LEMON is the spiritual successor to CHARM, I recommend you try it!

Link: lemon-manuals.la or lemon-manuals.org.ua

(Some people have issue connecting. LEMON is investigating. For now, use Firefox or change your DNS server)

Or, hide this message: temporarily or permanently

Installation






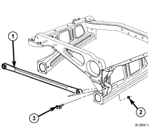
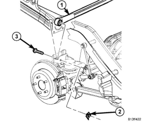
INSTALLATION




1. Install the track bar (1) to the vehicle.
2. Pry in between the coil springs to install track bar bolt (3).
3. Install the track bar bolt (3) and nut (2) in the frame bracket.




4. Install the track bar (1) into the axle bracket.
5. Install the track bar bolt (3) and nut (2) in the axle bracket.
6. Install the left lower shock bolt to the axle Tighten to 115 Nm (85 ft. lbs.).
7. Remove the supports and lower the vehicle.
8. Tighten the upper mounting bolt/nut to 190 Nm (140 ft. lbs.). Tighten the lower mounting bolt/nut to 190 Nm (140 ft. lbs.). with full vehicle weight.