Operation CHARM: Car repair manuals for everyone.
Manuals through 2025 now available!

Our trusted friends have launched a new website named LEMON, which has newer manuals. It also contains all the CHARM manuals.

LEMON is the spiritual successor to CHARM, I recommend you try it!

Link: lemon-manuals.la or lemon-manuals.org.ua

(Some people have issue connecting. LEMON is investigating. For now, use Firefox or change your DNS server)

Or, hide this message: temporarily or permanently

Engine - Installation




ENGINE






1. Position engine assembly over vehicle and slowly lower the engine into place.
2. Continue lowering engine until engine and transaxle are aligned. to mounting locations.
3. Install engine mount adapter (2) and tighten bolts (3). Install mount through bolt (4) and tighten to 118 Nm (87 ft. lbs.).






4. Remove engine lift chain (1).
5. Install oil control valve.






6. Raise vehicle.
7. Install A/C compressor (1).






8. Install exhaust manifold and heat shields (2).
9. Install oxygen sensor and connect electrical connector (3).






10. Install crankshaft position sensor (2) and connect connector.






11. Install manifold to exhaust pipe bolts (1) and tighten bolts.
12. Install generator.






13. Install lower bell housing bolts (2) and tighten bolts.
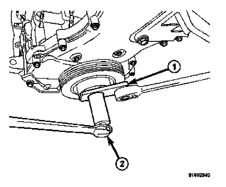
14. Align torque converter and flex plate mark. Install torque converter bolts (1) and tighten.






15. Install inspection cover (1).






16. Install crankshaft damper
17. Install Damper holder 9707 (1).
18. Apply clean engine oil crankshaft damper bolt threads and between bolt head and washer. Tighten bolt to 210 Nm (155 ft. lbs.).
19. Install right splash shield.
20. Install tire.






21. Install coolant hose to oil cooler (2).
22. Install new oil filter (3).
23. Lower vehicle.
24. Install upper idler pulley.






25. Install coolant adapter assembly (3).






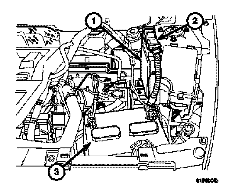
26. Install Ground strap (1) near right strut tower.






27. Install power steering line support bracket (1).
28. Install power steering pump.
29. Install accessory drive belt.
30. Connect electrical connectors at block ground, starter, A/C compressor, knock sensor, Oil pressure sensor, generator, Coolant temperature sensor at block, and block heater (if equipped).






31. Install intake manifold and tighten bolts as shown.






32. Install throttle body support bracket (1).
33. Install harness retainer (2).
34. Install engine oil level indicator.






35. Install PCV hose (5) to valve cover.
36. Install make-up air hose (2).
37. Connect manifold flow control valve and electronic throttle control electrical connectors.
38. Install vacuum lines at throttle body and intake manifold.
39. Install intake air tube to throttle body.






40. Connect coil electrical connectors (1).
41. Connect injector electrical connectors (4).
42. Connect fuel line (3) to rail.
43. Connect intake and exhaust oil control valve electrical connectors.






44. Install grill trim panel.
45. Install upper radiator support bracket (1).






46. Connect coolant temperature sensor (1).
47. Connect capacitor electrical connector (2).
48. Install coolant hoses at coolant adapter (3).






49. Install coolant reservoir (3) and connect hose.






50. Install battery tray (1).






51. Install battery (3).
52. Connect battery cables.






53. Install air cleaner housing (1) and connect inlet air hose.
54. Install clean air hose (5).
55. Fill with coolant.
56. Fill with oil.
57. Start engine and check for leaks.






58. Install engine cover (1).
59. Install hood.