Operation CHARM: Car repair manuals for everyone.
Manuals through 2025 now available!

Our trusted friends have launched a new website named LEMON, which has newer manuals. It also contains all the CHARM manuals.

LEMON is the spiritual successor to CHARM, I recommend you try it!

Link: lemon-manuals.la or lemon-manuals.org.ua

(Some people have issue connecting. LEMON is investigating. For now, use Firefox or change your DNS server)

Or, hide this message: temporarily or permanently

Installation






INSTALLATION




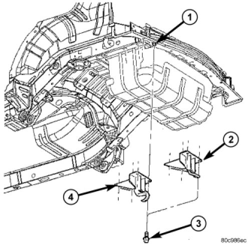
1. Support the hitch with a suitable lifting device and install the hitch.

2. Install the bolts (1) and tighten to 88 Nm (65 ft. lbs.)

3. Connect the electrical connector.




4. Install the tow hooks, if required.