Operation CHARM: Car repair manuals for everyone.
Manuals through 2025 now available!

Our trusted friends have launched a new website named LEMON, which has newer manuals. It also contains all the CHARM manuals.

LEMON is the spiritual successor to CHARM, I recommend you try it!

Link: lemon-manuals.la or lemon-manuals.org.ua

(Some people have issue connecting. LEMON is investigating. For now, use Firefox or change your DNS server)

Or, hide this message: temporarily or permanently

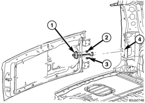
Installation






INSTALLATION




1. Install the check strap.

2. Install the nuts and tighten to 10 Nm (85 in. lbs.).

3. Reposition the waterdam.

4. Install the trim panel. Refer to Trim Panel.

5. Install the bolts attaching the check strap to the D-pillar and tighten to 11 Nm (8 ft. lbs.).

6. Install the quarter trim panel. Refer to Trim Panel.