Operation CHARM: Car repair manuals for everyone.
Manuals through 2025 now available!

Our trusted friends have launched a new website named LEMON, which has newer manuals. It also contains all the CHARM manuals.

LEMON is the spiritual successor to CHARM, I recommend you try it!

Link: lemon-manuals.la or lemon-manuals.org.ua

(Some people have issue connecting. LEMON is investigating. For now, use Firefox or change your DNS server)

Or, hide this message: temporarily or permanently

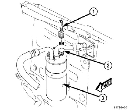
Installation






INSTALLATION

NOTE: Use only the specified O-ring as it is made of special material for R-134a. Use only refrigerant oil of the type required for the A/C compressor.






NOTE: LHD model shown. RHD model similar.

1. Lubricate a new rubber O-ring seal with clean refrigerant oil and install it on the A/C low pressure switch fitting.

2. Install the A/C low pressure switch (2) onto the top of the A/C accumulator (3). Hand-tightened the switch securely.

3. Connect the wire harness connector (1) to the A/C low pressure switch.

4. Reconnect the negative battery cable.