Operation CHARM: Car repair manuals for everyone.
Manuals through 2025 now available!

Our trusted friends have launched a new website named LEMON, which has newer manuals. It also contains all the CHARM manuals.

LEMON is the spiritual successor to CHARM, I recommend you try it!

Link: lemon-manuals.la or lemon-manuals.org.ua

(Some people have issue connecting. LEMON is investigating. For now, use Firefox or change your DNS server)

Or, hide this message: temporarily or permanently

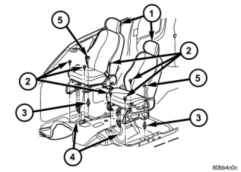
Installation






INSTALLATION





WARNING: Before proceeding with the following repair procedure, review all warnings and cautions.

1. Install the seats and connect the electrical connectors.

2. Slide the seat to the rearward position and install the bolts.

3. Tighten the outboard bolt to 43 Nm (32 ft. lbs.) and then tighten the inboard bolt to 43 Nm (32 ft. lbs.).

4. Slide the seat to the forward position and install the rear bolt and nut.

5. Tighten the fasteners to 43 Nm (32 ft. lbs.).

6. Install the seat belt anchor and bolt.

7. Do not reconnect the battery negative cable at this time. The supplemental restraint system verification test procedure should be performed following service of any supplemental restraint system component.

8. Following successful completion of the supplemental restraint system verification test procedure, perform the Occupant Classification System Verification Test using a DRBIII(R) scan tool.