Operation CHARM: Car repair manuals for everyone.
Manuals through 2025 now available!

Our trusted friends have launched a new website named LEMON, which has newer manuals. It also contains all the CHARM manuals.

LEMON is the spiritual successor to CHARM, I recommend you try it!

Link: lemon-manuals.la or lemon-manuals.org.ua

(Some people have issue connecting. LEMON is investigating. For now, use Firefox or change your DNS server)

Or, hide this message: temporarily or permanently

Installation






3.7L ENGINE

CAUTION: If the A/C compressor is being replaced, be certain to adjust the refrigerant system oil level. Failure to properly adjust the refrigerant oil level will prevent the A/C system from operating as designed and can cause serious A/C compressor damage.

CAUTION: The A/C accumulator must be replaced if an internal failure of the A/C compressor has occurred. Failure to replace the A/C accumulator can cause serious damage to the replacement A/C compressor.

NOTE: When replacing multiple A/C system components, refer to the Refrigerant Oil Capacities chart to determine how much oil should be removed from the new A/C compressor.

NOTE: Replacement of the refrigerant line O-ring seals is required anytime a refrigerant line is opened. Failure to replace the rubber O-ring seals could result in a refrigerant system leak.




1. If the A/C compressor (5) is being replaced, the refrigerant oil in the old compressor must be first drained and measured. Then the oil in the new A/C compressor must be drained. Finally, the new compressor must be refilled with the same amount of new refrigerant oil that was drained out of the old compressor. When replacing multiple A/C system components, refer to the Refrigerant Oil Capacities chart to determine how much oil should be added to the refrigerant system. Use only refrigerant oil of the type recommended for the A/C compressor in the vehicle.

2. Position the A/C compressor onto the engine and mounting bracket (4).

3. Install and hand tighten the three bolts that secure the A/C compressor to the engine and mounting bracket.

4. Tighten the mounting bolts in the following sequence:
- The rear bolt (1) to 55 Nm (41 ft. lbs.).
- The front inboard bolt (3) to 40 Nm (30 ft. lbs.).
- The front outboard bolt (2) to 55 Nm (41 ft. lbs.).

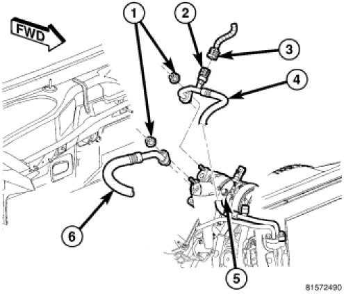
5. Connect the wire harness connector to the A/C clutch field coil (6).




6. Remove the tape or plugs from the opened refrigerant line fittings and compressor ports.

7. Lubricate new rubber O-ring seals with clean refrigerant oil and install them onto the refrigerant line fittings. Use only the specified O-rings as they are made of a special material for the R-134a system. Use only refrigerant oil of the type recommended for the A/C compressor in the vehicle.

8. Connect the A/C discharge line (4) and the A/C suction line (6) to the A/C compressor (5).

9. Install the nuts (1) that secure the A/C suction and discharge lines to the A/C compressor. Tighten the nuts to 12 Nm (105 in. lbs.).

10. Connect the wire harness connector (3) to the A/C pressure transducer (2).

11. Install the accessory drive belt.

12. Reconnect the negative battery cable.

13. Evacuate the refrigerant system.

14. Charge the refrigerant system.