Operation CHARM: Car repair manuals for everyone.
Manuals through 2025 now available!

Our trusted friends have launched a new website named LEMON, which has newer manuals. It also contains all the CHARM manuals.

LEMON is the spiritual successor to CHARM, I recommend you try it!

Link: lemon-manuals.la or lemon-manuals.org.ua

(Some people have issue connecting. LEMON is investigating. For now, use Firefox or change your DNS server)

Or, hide this message: temporarily or permanently

Height Measurement






HEIGHT MEASUREMENT

RIDE HEIGHT


NOTE: The suspension is non-adjustable.

The vehicle suspension height should be measured before performing wheel alignment procedure. Also when front suspension components have been replaced. This measure must be performed with the vehicle supporting it's own weight and taken on both sides of the vehicle.


Front and rear ride heights are not adjustable. The spring selections at assembly determine ride height for acceptable appearance of the vehicle. Ride height dimensions assume full fluids (including fuel) and zero passengers. Refer to the table below for front ride height dimensions.


Vehicle ride height audits should be performed utilizing the following procedure:

1. Drive the vehicle straight and forward on a non-tacky surface for a minimum of 20 feet to neutralize track width.
2. Bounce the front of the vehicle five times.
3. Measure and record the dimensions






FRONT RIDE HEIGHT

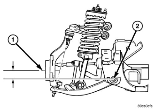
Front ride height is defined by the relative vertical distance between the spindle center line and the rear pivot point of the front lower control arm to cradle attachment. The spindle center line is to be measured at the outer wheel face (point A) (1). The rear pivot point is to be measured at the center of the cam/pivot bolt (point B) (2) at its rearward most end (nut end).







REAR RIDE HEIGHT

Rear ride height is defined by the relative vertical distance between the top of the lower spring seat strike surface and the bottom of the jounce cup (true metal to metal jounce travel). This is to be measured vertically inside the coil from the point intersecting the inboard edge and the for/aft center of the jounce cup (point C) (1) down to the strike surface (point D) (2).


Ride Height Measurement: