Operation CHARM: Car repair manuals for everyone.
Manuals through 2025 now available!

Our trusted friends have launched a new website named LEMON, which has newer manuals. It also contains all the CHARM manuals.

LEMON is the spiritual successor to CHARM, I recommend you try it!

Link: lemon-manuals.la or lemon-manuals.org.ua

(Some people have issue connecting. LEMON is investigating. For now, use Firefox or change your DNS server)

Or, hide this message: temporarily or permanently

Switch






SWITCH





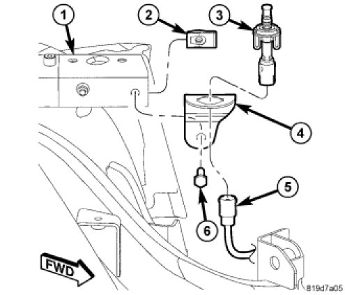
1. Unlatch and open the hood.

2. Disconnect and isolate the battery negative cable.

3. From the top of the mounting bracket (4) in the left front corner of the engine compartment, squeeze the two hood ajar switch (3) latch tabs together and pull the switch upward.

4. Pull the hood ajar switch up through the hole in the mounting bracket far enough to access and disconnect the wire harness connector (5) from the switch connector receptacle.

5. Remove the hood ajar switch from the engine compartment.