Operation CHARM: Car repair manuals for everyone.
Manuals through 2025 now available!

Our trusted friends have launched a new website named LEMON, which has newer manuals. It also contains all the CHARM manuals.

LEMON is the spiritual successor to CHARM, I recommend you try it!

Link: lemon-manuals.la or lemon-manuals.org.ua

(Some people have issue connecting. LEMON is investigating. For now, use Firefox or change your DNS server)

Or, hide this message: temporarily or permanently

Installation






INSTALLATION

CAUTION: Be certain to adjust the refrigerant oil level when servicing the A/C refrigerant system. Failure to properly adjust the refrigerant oil level will prevent the A/C system from operating as designed and can cause serious A/C compressor damage.

CAUTION: The A/C receiver/drier must be replaced if an internal failure of the A/C compressor has occurred. Failure to replace the A/C receiver/drier can cause serious damage to the replacement A/C compressor.

NOTE: When replacing multiple A/C system components, refer to the Refrigerant Oil Capacities chart to determine how much oil should be added to the refrigerant system.

NOTE: If only the A/C condenser is being replaced, add 60 milliliters (2 fluid ounces) of refrigerant oil to the refrigerant system. Use only refrigerant oil of the type recommended for the A/C compressor in the vehicle.

NOTE: Replacement of the refrigerant line O-ring seals and gaskets is required anytime a refrigerant line is opened. Failure to replace the rubber O-ring seals and metal gaskets could result in a refrigerant system leak.

NOTE: Be certain that each of the radiator and condenser air seals are installed in their proper locations. These air seals are required for the A/C and engine cooling systems to perform as designed.





NOTE: Illustration shown with A/C condenser removed for clarity.

1. If removed, install the A/C receiver/drier (7) onto the right side of the A/C condenser (1).

2. If removed and equipped with an automatic transmission, install the transmission cooler line adapter (5) using new O-rings to the left side of the automatic transmission fluid cooler (6) and install the retaining bolt (4). Tighten the bolt securely.

3. If equipped with a manual transmission, carefully push the top of the radiator rearward to provide clearance for the refrigerant line tapping block (2) and position the A/C condenser into the front of the engine compartment, then reposition the radiator and install the two bolts that secure the radiator to the upper radiator support. Tighten the bolts securely.

4. If equipped with an automatic transmission, position the A/C condenser to the front of the radiator on the workbench.

5. Install the bolts at the five locations shown (3) that secure the A/C condenser to the radiator. Tighten the bolts to 5 Nm (45 in. lbs.).

6. If equipped with an automatic transmission, install the radiator and A/C condenser as an assembly.

7. Install the upper radiator closure.

8. Install the grille.





9. Remove the tape or plugs from the opened refrigerant line fittings and condenser ports.

10. Lubricate a new rubber O-ring seals with clean refrigerant oil and install them and new gaskets onto the refrigerant line fittings. Use only the specified O-ring seals as they are made of a special material for the R-134a system. Use only refrigerant oil of the type recommended for the A/C compressor in the vehicle.

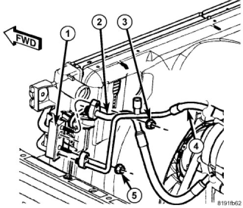
11. Connect the A/C discharge line (2) and A/C liquid line (4) to the left side of the A/C condenser (1) and install the retaining nuts (3 and 5). Tighten the nuts to 23 Nm (17 ft. lbs.).

12. On 2.8L equipped models, reconnect the air intake hose to the throttle body.

13. Install the coolant recovery container.

14. Reconnect the negative battery cable.

15. Evacuate the refrigerant system.

16. If the A/C condenser is being replaced, add 60 milliliters (2 fluid ounces) of refrigerant oil to the refrigerant system. When replacing multiple A/C system components, refer to the Refrigerant Oil Capacities chart to determine how much oil should be added to the refrigerant system. Use only refrigerant oil of the type recommended for the A/C compressor in the vehicle.

17. Charge the refrigerant system.

18. If equipped with automatic transmission, check the automatic transmission fluid level and fill as required.