Operation CHARM: Car repair manuals for everyone.
Manuals through 2025 now available!

Our trusted friends have launched a new website named LEMON, which has newer manuals. It also contains all the CHARM manuals.

LEMON is the spiritual successor to CHARM, I recommend you try it!

Link: lemon-manuals.la or lemon-manuals.org.ua

(Some people have issue connecting. LEMON is investigating. For now, use Firefox or change your DNS server)

Or, hide this message: temporarily or permanently

Installation







INSTALLATION





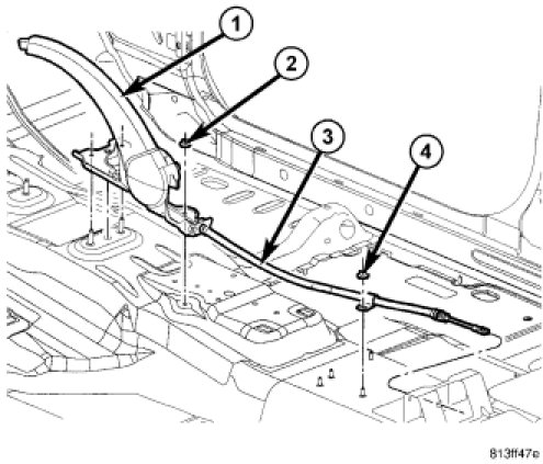
1. Reconnect the wire harness routing clips to the lever.
2. Reconnect the front cable (3) at the hand brake lever (1).
3. Install the 3 hand brake lever (1) mounting bolts.
4. Unlock out the park brake hand lever (1).
5. Reconnect the park brake switch wire connector.
6. Check the operation of the parking brake lever (1) and cable (3).




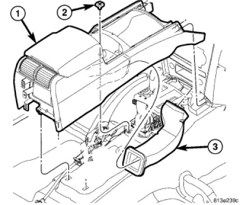
7. Install the center console (1) ,Floor Console - Installation.




8. Install the rear cover (2) or the DVD player (if equipped).