Operation CHARM: Car repair manuals for everyone.
Manuals through 2025 now available!

Our trusted friends have launched a new website named LEMON, which has newer manuals. It also contains all the CHARM manuals.

LEMON is the spiritual successor to CHARM, I recommend you try it!

Link: lemon-manuals.la or lemon-manuals.org.ua

(Some people have issue connecting. LEMON is investigating. For now, use Firefox or change your DNS server)

Or, hide this message: temporarily or permanently

Transfer Case - Assembly







ASSEMBLY





1. While holding the retaining ring tabs apart with suitable snap-ring pliers, remove the input shaft bearing (1) from the front case (2).
2. Transfer the retaining ring to the new housing, if necessary, and install the bearing into the front case.




3. Using Installer 6436 and Handle C-4171, remove front output shaft bearing.
4. Start front output shaft bearing in case. Then seat bearing with Handle C-4171 (3) and Installer C-4210 (2).




5. Remove the rear main shaft bearing retaining ring from inside the rear housing.
6. Remove the rear output shaft bearing from the rear case using Installer 5066 (2) and Handle C-4171 (3).
7. Install the rear output shaft bearing into the rear case using Remover/Installer 8281 (2) and Handle C-4171 (3).
8. Install the rear output shaft bearing retaining ring into the rear housing, from inside the rear housing.




9. Install the bottom thrust washer (3 tabs) (1) into the low range planetary (2).




10. Install the top thrust washer (no tabs) (2) onto the input gear (1).




11. Install the input gear (1) and lock plate (2) into the low range planetary (3) and install the lock plate.




12. Install the snap-ring (2) to hold the input gear (1) into the low range planetary (3).




13. Install the input gear and low range planetary assembly (1) into the front housing.




14. Install the retaining ring (2) holding the input gear assembly into the front housing.
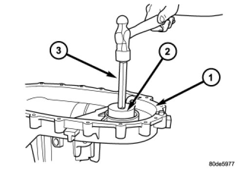
15. Install the new input shaft seal with Installer 9672 and Handle C-4171.




16. Install the shift sector (2) into the rear housing (1).




17. Install the retaining ring (2) onto the shift sector shaft (1).




18. Install the oil pick-up tube o-ring (2) into the rear housing (1).




19. Prime the oil pickup tube by pouring a little oil into the tube before installation.
20. Install the oil pick-up tube and screen (1) into the rear housing.




21. Install a new front output shaft seal with Installer 6560.
22. Install the front output shaft (2) into the front housing (1) and the front output shaft front bearing.




23. Install the retaining ring (2) onto the front output shaft (1).




NOTE: Check that all three shift pads are present and in good condition on the shift fork.

24. Install the range fork and range hub as one into the input gear/low range planetary.




25. Lubricate mainshaft splines with recommended transmission fluid.

NOTE: Replace the mode hub retainer if the legs were distorted during removal.

26. Install the mode hub retainer (1) onto the mode hub (2).




27. Install the mode hub (2) and mode hub retainer onto the differential assembly (1). Make sure the retainer is fully seated onto the differential.




28. Install the differential assembly (1) onto the mainshaft (2).




29. Install the differential snap-ring (1).




30. Install the intermediate clutch shaft (1).




31. Install the clutch shaft thrust ring (1).




32. Install clutch shaft (2) snap-ring (1).




33. Install the mainshaft and differential assembly (1) into the front housing (2), range sleeve, and input gear/low range planetary.




34. Install the drive chain guides (1) onto the transfer case.




35. Install the screws (2) to hold the chain guide rails (1) to the front housing. Tighten the screws to 5-8 Nm (44-71 in.lbs.).




36. Install the front drive sprocket (1), mainshaft drive sprocket (2), and drive chain (3) as one.




37. Install the front drive sprocket retaining ring (2) onto the front output shaft (1).




38. Install the clutch assembly (2) onto the main shaft (1).




39. Install the wave spring (2) onto the main shaft (1).




CAUTION: When installing the clutch pressure plate, make sure that the wave spring remains piloted on the underside of the plate. Check that the spring does not protrude between the plate and the mainshaft.

40. Install the clutch pressure plate (2) onto the main shaft (1) and clutch assembly.




41. Install the thrust bearing (2) onto the main shaft (1).




42. Install the thrust bearing support plate (2) onto the main shaft (1).




NOTE: The clutch pressure plate must be engaged with the inner drum and held down when installing the retaining ring.

43. Install the thrust bearing support plate retaining ring (2) onto the main shaft (1).




44. Rotate the thrust bearing support plate (1) so that the tab (2) is pointed between the two bolt holes (3) as shown.




45. Install the clutch lever assembly (1) onto the mainshaft and shift rail.




46. Apply bead of Mopar(R) Gasket Maker, or equivalent, to mating surface of front case. Keep sealer bead width to maximum of 3 mm (0.125 inch). Do not use excessive amount of sealer as excess will be displaced into case interior and potentially clog the oil pump screen.
47. Verify that the tab on the thrust bearing support plate is aligned with the housing alignment dowel furthest from the front output shaft.
48. Install the rear housing (1) into the front housing (2).




49. Install the bolts (2) to hold the rear housing (1) to the front housing (3). Tighten the bolts at the dowel locations first, then the remainder of the bolts in a criss-cross pattern. Tighten the bolts to 27 Nm (20 ft.lbs.).




NOTE: Pull up on the main shaft when installing the retaining ring to ensure that the ring is fully engaged into the groove.

50. Install the rear main shaft (1) retaining ring (2).




Lubricate the oil pump components with transmission fluid before installation.

51. Install the oil pump outer rotor (2) onto the main shaft (1) and into the rear housing (3).




52. Install the oil pump inner rotor (2) onto the main shaft (1) and into the rear housing (3).




53. Install the clutch lever rail (2) into the rear housing (1) and clutch lever.




54. Install the clutch lever rail plug (1) into the rear housing.




55. Install the anti-rotation bracket (1) onto the shift rail (2).




56. Install the sector roller (1) onto the shift rail (2).
57. Using a suitable punch, align the holes in the sector roller with the hole in the shift rail and install the roll-pin to secure the sector roller to the shift rail.




58. Apply bead of Mopar(R) Gasket Maker, or equivalent, to mating surface of rear housing as shown (2). Keep sealer bead width to maximum of 3 mm (1/8 inch). Do not use excessive amount of sealer as excess could be displaced into the oil pump.




59. Install a new rear output shaft seal into the rear cover with Installer C-3972A.
60. Install the rear cover (1) onto the rear housing (2).




61. Install the bolts (3) holding the rear cover (2) onto the rear housing (1). Tighten the bolts at the dowel locations first, then the remainder of the bolts in a criss-cross pattern. Tighten the bolts to 27 Nm (20 ft.lbs.).




62. Verify that the shift motor o-ring is clean and properly positioned inside the machined o-ring groove of the shift motor.

NOTE: Verify that the missing tooth (2) in the shift motor drive spline (1).





NOTE:.and the transfer case drive spline (1) missing tooth (2) are aligned. It may be necessary to manually shift the transfer case if the shift motor and transfer case shaft are not aligned.





63. Install the shift motor and mode sensor assembly (1) onto the shift sector (2) and the transfer case (3).




64. Install the bolts (1) to hold the shift motor and mode sensor assembly (2) to the transfer case. Tighten the bolts to 27 Nm (20 ft.lbs.).




65. If necessary, install the transfer case damper onto the transfer case.
66. Install the rear output flange (1) onto the main shaft (2).




67. Using Holder C-3281 (1), install the rear output flange (2) nut. Tighten the bolts to 122-176 Nm (90-130 ft.lbs.).